rubening escribió:ami me interesaria el de windows 7 x64 ya que cuando lo instale en el pc de mi hermano ke es xp si ke fue a la primera pero ahora con el 7 de 64 español, instalo primero el archivo que me bajo desde la pagian de microsoft ( http://www.microsoft.com/hardware/downl ... 4&lang=spn nombre del archivo Xbox360_64Esp.exe) e instalo el programilla ese de 360 que es donde se supone que vendra el driver, luego procedo a actualizar el unknown device en los usb (administrador de dispositivos) y le doy a buscarlos manualmente, luego elegir una lista de controladores de dispositivos en el equipo, le doy a utilizar disco, y busco el archivo xusb21.inf de la carpeta del programa ( sin sobreescribir por ninguno (AUN) ya que este se supone que esta exo para la version 64bits española de windows7) y pone que la carpeta especificada no contiene ningun controlador de software compatible con el dispositivo y en pocas palabras que me asegure de que es para el windows 7 64, y bueno ahora voy a sobreescribir mi archivo por el primero que sale en adjunto en este tutorial... y ahora si que me lo detecta y me salen dos dispositivos, el receiver y el controller de microsoft 360, elijo receiver (pero eso si, me pone abajo un mensaje con exclamacion en señal amarilla) que pone Controlador no firmado digitalmente. le doy a Microsoft 360 U wireless receiver for windows, le doy a siguiente, y dice windows encontrol el software de controlador para el dispositivo pero se produjo un error al isntalarlo el sistema no peude encontrar el archivo especificado. Si sabe quien fabricó el dispositivo ..blablabla... total conclusion, o debe firmarse con el programa ese driver signature enforcer, y lo e intentado pero sigue sin ir, o no se acerlo bien o que alguien me explique, por que la verdad que uno se acostumbra al pad de la xbox, y encima para colmo con raton ay algunos bugs en algunos juegos ( dead space , tiene sensibilidad muy baja, y el just cause 2 parece que tiene un poco de retraso a la ora de responder a los movimientos del raton, empieza a acer el movimiento medio segundo mas tarde. Despues de este royo que os e metido a ver si alguien se lo curra para los Windows Seventeros, que apartir de esta epoca van a ser muchas las personas que se pasen al w7 y es recomendable que algun genio descubra el porque del fallo. Un saludo, estaré atento al hilo.
Es muy complicado entender un mensaje como el tuyo, todo en una frase, intenta escribir de una forma más esquemática y será más fácil de entender los pasos que has seguidorubening escribió:no as leido lo que yo he escrito?

rubening escribió:nada tio, que no es nada nuevo que no aya exo, lo que pone, todo lo que pone en todos lados ya lo he hecho. y rehecho y nada no funciona, puede ser por la copia de windows que tengo? o por que? nose yo creo que tengo un windows 7 full ultimate 64 esp. e cogido incluso el ke viene en la instalacion del software driver 360 controller de la pagina de mircosoft para el sistema w7 64bits español y le e modificado los valores de 0719 a 0291, y nada sigue sin funcionar no me lo detecta, con el unico ke ace el amago es con el enlace dos de adjuntos en el tutorial el ke esta primero pero pone "_2". con ese me deja seleccionar el controlador (POR LO MENOS me da a elegir entre receiver y controller) pero al tirar a instalarlo me dice error y me sale esto http://i39.tinypic.com/2isczmq.jpg. a nadie le a pasado lo mismo? JOER! ke mala suerte...
.
do... y si pongo un diodo led , no opondrá resistencia?, no puedo sakarle este componente a la xbox? ay algo casero para bajarle la tension = subirle resistencia? JAJAJAJ odesde la bios bajarle la tension a ese usb transformarlo en 1.0? rubening escribió:EDIT::: -->>>>>>>>>>>>>IDIOTA DE MI...
e leido ke es por tema de voltajes con mi usb, buah tengo todos los usb 2.0 y 3.0 o sea ke pasaran de 5 voltios ..buff , no ay ninguan forma desde la bios bajarle el voltaje? bufff eske irme ahora a una tienda de electronica a comprar un diodo medo... y si pongo un diodo led , no opondrá resistencia?, no puedo sakarle este componente a la xbox? ay algo casero para bajarle la tension = subirle resistencia? JAJAJAJ odesde la bios bajarle la tension a ese usb transformarlo en 1.0?
Fran_Teruel escribió:rubening escribió:EDIT::: -->>>>>>>>>>>>>IDIOTA DE MI...
e leido ke es por tema de voltajes con mi usb, buah tengo todos los usb 2.0 y 3.0 o sea ke pasaran de 5 voltios ..buff , no ay ninguan forma desde la bios bajarle el voltaje? bufff eske irme ahora a una tienda de electronica a comprar un diodo medo... y si pongo un diodo led , no opondrá resistencia?, no puedo sakarle este componente a la xbox? ay algo casero para bajarle la tension = subirle resistencia? JAJAJAJ odesde la bios bajarle la tension a ese usb transformarlo en 1.0?
No, un LED provoca una caída de tensión al igual que otros diodos, el problema es que sólo suelen ser capaces de funcionar con unos pocos miliamperios de corriente, así que se quemaría y no harías nada. En la xbox si que tiene que haber algún componente que te permita reducir el voltaje, el problema es que te costaría más sacarlo que ir a comprar un diodo.
Como casero puedes probar a juntar alargadores USB, o hubs sin alimentación.
PD: todos los USB dan 5v, da igual que sean 1.0 que 2.0 o los nuevos 3.0, así que aunque la bios te permita cambiarlo (que hay algunas que si) no conseguirías nada.
cantonjf escribió:Una pregunta, dice que antes hay que sincronizar el mando con la consola, pero esto quiere decir ¿que si sincronizas el mando en otra consola ya no puedes usar el receptor? a demás, ¿como se va a sincronizar si tiene 3lr? de ser así no se podría cambiar nunca ese mando.
No se si es que lo habré entendido mal o algo, gracias por la ayuda y muy buen tuto.
Arturo Bonilla L escribió:Que putada, conseguir el pic, aki donde vivo no lo trabajan, lastima..
Fran_Teruel escribió:Arturo Bonilla L escribió:Que putada, conseguir el pic, aki donde vivo no lo trabajan, lastima..
Puedes pedir "samples" a la web de microchip http://www.microchip.com/samples/Defaul ... =PIC12F629
txuko escribió:otra cosa, los programadores que se usan en esto son los mismo que se usaban para "piratear" o noseque leches las tarjetas de euskaltel y esas cosas no? es que tienen ahi alguno y para aprobechar ^^
Pero diría que hay que desactivar la comprobación, a mi siempre me da error al verificar la grabación (y por eso no lo he soldado a la placa
) JOSEunit10 escribió:El método de sincronizar con el carga y juega funciona siempre y sin problemas???.
Aquí es difícil conseguir el PIC y mas el socket para programarlo
en el wiki hay más información. Fran_Teruel escribió:JOSEunit10 escribió:El método de sincronizar con el carga y juega funciona siempre y sin problemas???.
Aquí es difícil conseguir el PIC y mas el socket para programarlo
Funciona, a veces te toca reiniciar el ordenador, otras reinstalar los drivers según comentan... pero vamos, funciona.
Para conseguir el PIC lo dicho arriba, y para programarlo te puedes construir un programador JDM, que sólo necesitas un par de resistencias y un transistoren el wiki hay más información.
Floppy666 escribió:antes que nada, gracias por el tutorial.
estoy soldando los cables y mi pregunta es como voy ha hacer para sincronizar el mando, he leido ke hay ke conectarlo a la xbox y cuando se enciende darle al boton y tal pero no se me sincroniza, podre hacerlo de otra manera??? gracias
max_auron escribió:sabeis si el teclado del messenger kit ke se pone debajo del mando lo reconoce tambien el pc con el receptor casero o el original???
ruberli escribió:Hola, he seguido a pie de la letra el tutorial pero no he logrado hacer funcionar el adaptador casero, que driver y que archivo Xusb21.inf debo usar para windows 7 32bits. cuando trato de inslarlo con los archivos que ponen para xp de 32bits me tira error 10 a pesar que ya le he puesto 2 diodos para reducir el voltaje y midiendo el voltaje me da que tengo 3.8V. Por favor alguien ayudeme.
nisiquiera tenia un 360 malo sino que compre el receptor a alguien que si se le habia muerto su 360 y listop sincroniza y todo perfecto con el pic claro y no fue necesario usar un diodo mi placa manda 4.99v y funciono...

que sera?elbarto16 escribió:Buenas, acabo de hacer esto con 2 receptores, hize exactamente lo que hizo gusku, quite la plaquita metalica y puse un alargador de USB, pero lo conecte directo al PC, y lo instalo perfectamente con el XUSB21.inf modificado, pero ahora no prende ninguna luz ni nada, y no se como hacer para que sincronice con los controles, aparte que los controles los he conectado con mi xbox actual!
P.D: lo mas raro es que prenden las luces rojas, pero muy tenues y solo prenden cuando agarro el receptor!
salu2...
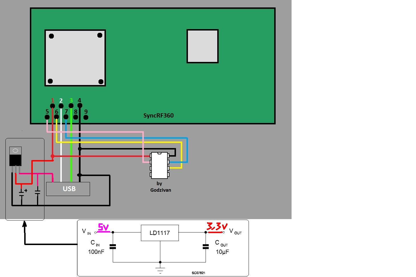
000miguel escribió:Me gustaría hacer un pequeño aporte para los que tengan problemas con los diodos.
Lo ideal es conseguir transformar los 5V, que ofrece la salida USB del PC, a los 3,3V que necesita el circuito RF de Xbox.
Para ello, se puede emplear un regulador de tensión junto con dos condensadores para evitar picos de tensión (ver imagen adjunta).
De esta forma conseguimos un voltage ideal para la placa, mucho mejor que el obtenido por diodos.
Yo lo he probado y funciona perfectamente.
Estos componentes son muy comunes y se pueden comprar en una tienda de electrónica o aquí:
- http://es.farnell.com/stmicroelectronic ... tt=1087165
- http://es.rs-online.com/web/search/sear ... &R=6869782
También se puede comprar una caja de plástico a medida:
- http://es.farnell.com/multicomp/t4/caja ... Ntt=301474
- http://es.farnell.com/multicomp/hbt4/ca ... tt=5368637
Y los dos condensadores:
- http://es.farnell.com/vishay-bc-compone ... dp/1469310
- http://es.farnell.com/vishay-sprague/48 ... dp/1753985
(Por cierto, hay que tener en cuenta la polaridad del condensador Cout; colocar el positivo en la zona de 3,3v o color rojo, y el negativo en la señal GND o color negro)