Esta es la causa de los problemas con las V9

16, 7, 8, 9, 10, 11
PVC me parece que con una resistencia de ese tipo no solucionaríamos lo de los picos de corriente (que es lo que parece que más afecta) ya que la resistencia termo-variable tarda algo en adaptarse al incremento de corriente con lo que la bobina se irá degradando de igual manera y para salvar el integrado pues sería igual que una resistencia normal.
Otra cosa sería que encontrasemos una resistencia de ese tipo que en condiciones normales (cuando las bobinas estan bien) tenga una resistencia muy baja, para no interferir en el normal funcionamiento del sistema; y cuando las bobinas se vayan fundiendo, y por tanto subiendo la corriente, aumenten su resistencia hasta un valor adecuado (unos 2, 3 ohmios). Para ese caso quizá sea una buena idea.

Un saludo
Mi primer intento de poner las resistencias salió mal pero este segundo ha salido perfectamente. V9 con Ripper Gold + Resistencias y al pelo. Carga todo muy bien. Venga muchas gracias [sonrisa]
Dos v9´s que tenian el trakin y el focus en 5,6 respectivamente le he puesto las resistencias con el matrix ml2 y funcionan perfectamente.

Saludos al foro.
Haber tengo una duda por que las resistencia tiene que ser de 1/4 w y si la que pongo de mayor valor ejemp 2,2 ohm 1Wattio no serviria???
lo digo por que estoy buscando resistencias en smd y las unicas que he visto de 2.2 ohms son de 1w y no de un 1/4w me servirian esas??
o la proteccion no serviria de nada??
HE VISTO Q HODO EL TRABAJO AQUI PRESENTE SE BASA EN PONERLE LAS RESISTENCIAS PARA AUMENTAR EL VALOR DE LAS BOBINAS Q ESTAN CASI EN CORTO.
YO CREO Q LA SOLUCION ESTARIA EN CAMBIARAR LAS BOBINAS Q SE VENDEN SUELTAS.
BUENO HAY UNA TIENDA ESPAÑOLA Q LAS TIENEN EN SU PAGINA WEB, A UN PRECIO DE UNOS 20€.
A MI POR LO PRONTO ANTES DE PONER EL CHIP A UNA V9 SIEMPRE LAS MIDO Y ME DAN BIEN, HASTA AHORA NO HE TENIDO PROBLEMAS, PERO CUANDO ME PASE OBTARE, POR COMPRAR SOLO LA BOBINA.
EL Q QUIERA VER LA PAGINA Q COMENTO Q ME MANDEN UN EMILIO, PARA Q NO SE MOSQUEEN LOS MODERADORES
SALUDOS A TODOS
pasa lo mismo con la v10?
A mí cuando llamé a los de Sony no me preguntaron si tenía chip o no, pero si la mandáis quitárselo...
creo que es demasiado arriesgado cambiar las bobinas, bueno, solo en el caso de que la lente este totalmente muerta, pero a parte gastarse 20€ para que se vaya todo al garete, es complicado, un movimiento en falso y adios. y poner unas R entre los puntos de tracking y focus. Voy a probar a hacer inventos para sustituir la impedancia de la bobina que se pierde. Vamos una locuraaaaa [looco] ¬_¬
hola pos na q ya e puesto las resistencias ala v9 q me mando sony y funciona ahora pondre el mxl2
una cosa q me a llamado la atencion es q el componente donde va el scex no se meda q es distinto ya dire como es
salu2
Para warlock23

Haber tengo una duda por que las resistencia tiene que ser de 1/4 w y si la que pongo de mayor valor ejemp 2,2 ohm 1Wattio no serviria???

Como servirte si te sirve, pero no se como la vas a poner
ya que el tamaño de una de ¼ W ya es grandecita para el sitio donde se tiene que alojar, pues una de 1 W seria una exageracion, te aconsejo que te busques las de ¼W 2.2 Ohmios.
Enga un salud2
al igual k a lord_angus me gustaria k alguien pusiera alguna foto o aclaracion de dinde se encuentran las bobinas de la lente, creo k son llevan una pareja de hilos (una por la derecha y otra por la izquierda) y k van soldadas a un cable plano verde de 4 puntos k por abajo de la lentes siguen hasta comunicar a 2 resistencias marcadas por 000 cada una y k abajo tienen los potenciometros para graduar el laser; dicen k una foto vale mas k mill palabras, a ver alguien nos pone esa fotillo o con mi esplicacion le vale para confirmarlo, y yo me encargo de fotografiar esto


muchas gracias por aclarar este misterio de las v9 petadas, la verdad es k me comia mucho la cabeza
Esas son las bobinas, no se como subir las fotos, tengo 2
Mis conclusiones son las siguientes:
Despues de medir en casi 10 v9, no veia ningún fallo en la lente, claro estaba la lente era una 400C (todas funcionando con matrix o ripper hace mas de 2 meses) . Hoy me entra una v-9 y veo que la lente era diferente, pone h07, y no esta toda cerrada con el plastico negro como la serie 400.

La abro y veo ya que las bobinas tenian por ambos lados dos lineas negras, signo de que se habian calentado. Tambien a la hora de leer al principio da banstantes golpes Por consiguiente concluyo que las lentes que dan mas la lata son las h07, por lo menos en mi caso. he leido q algunos también le han dado la lata la 400.

Bueno pero como averiguar que lente tiene la ps2 sin abrirla para que se la trague sony, pues de la siguiente manera:

Se abre la bandeja, se apaga la ps2 con interruptor de red, luego se empuja la bandeja unos centimetro hacia adentro, y si miramos con una pequeña linterna o algun foco de luz veremos o una tapa negra, q es una lente hks400c que nos va bien, o de lo contrario veremos un pedazo de metal dorado, que es de una h07, que es una mier… y la mier… para sony, es lo mas barato y rapido que hay.


Bueno tambien decir q he pensado en ponerle mas esmalte a las lentes, pq esta claro q trae poco y con un poquito de calor se puede derretir y entrar en corto. Podeis comprar aislarco, q usamos para aislar alta tension en televisores.
Espero q mi experiencia sirva de algo
Se supone pues, que cuando pongamos el esmalte, cuando haya un calentamiento, este se derritiria algo y entraria entre el bobinado para aislar mas no?
no el esmalte te protegeran las primeras espiras, q por lo qu yo vi en la lente q me vino mal, eran las q estaban dañadas. No quiere decir q te la proteja toda, pero algo es algo, tambien ponerlo con cuidado, para q no se manche la lente.
yo lo he puesto en un par de ellas para protejer mas, en teoria.
tengo una lente que se supone que la bobina se fue al garete, pues el tracking lo tengo en 2.3 Ohm y el Focus en 4.6 Ohm

Puede paracer una tonteria, pero puede ser que engañe al LA si entre los puntos (de la bobina a la pista verde) le coloco una r en serie de 2.2 OHm para que cuando pase el circuito este crea que esta en 4.6 Ohm ???? [looco] [comor?]
lente 400c consola 50.004 serial fc4545591

mi polimetro debe de ser una mierda, yo solo lo utilizaba para medir continuidades en la escala mas pequeña de onmios no me da decimales, bueno este es el resultado

tracking: 1
focus : 4

y en un lente de v7 buena

tracking: 5
focus : 4


voy a buscar mas v9 petadas, tengo un amigo con unas cuantas, estos valores me parecen concordar con el estudio de MARVICDIGITAL, no obstante si alguien cree k me seria de mas utilidad un polimetro mejor, k me lo diga, ya k prevenir es bastante mas barato k curar
para Usaji
tengo una lente que se supone que la bobina se fue al garete, pues el tracking lo tengo en 2.3 Ohm y el Focus en 4.6 Ohm

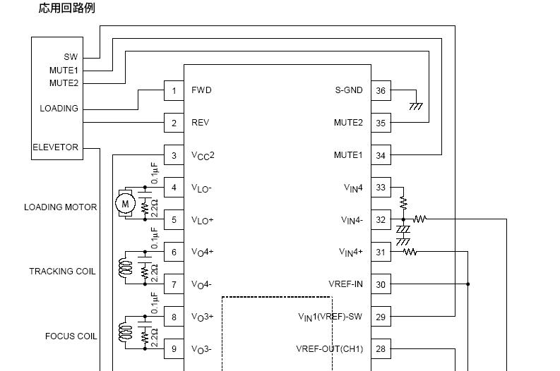
Te has leido el tuto, te lo pongo aqui por si te interesa ver para que son esas resistencias.
Tutorial

Para celacanto

Mis conclusiones son las siguientes:
Despues de medir en casi 10 v9, no veia ningún fallo en la lente, claro estaba la lente era una 400C (todas funcionando con matrix o ripper hace mas de 2 meses) . Hoy me entra una v-9 y veo que la lente era diferente, pone h07, y no esta toda cerrada con el plastico negro como la serie 400.
____________________________________________________

No voy a decir que sea mejor o peor que la sony, pero lo que te puedo asegurar que lo mismo se va una sony que una HD7, ya que son muchos los casos que se han dado con las KHS 400 C de Sony.
____________________________________________________

Bueno tambien decir q he pensado en ponerle mas esmalte a las lentes, pq esta claro q trae poco y con un poquito de calor se puede derretir y entrar en corto. Podeis comprar aislarco, q usamos para aislar alta tension en televisores.
____________________________________________________

Dudo mucho que el esmalte pueda solucionar mucho, ya que el problema no solo se da por temperatura, ya que se cree que el que hace que pete el LA cuando se jode la bobina sean picos de tension, y ante esto no creo que el esmalte tenga nada que hacer.

Al colocar las resistencias de 2.2 Ohmios ¼ Watio en el Tracking y en Focus los que se evita es el que pete el LA osea proteger a este, cuando una de las bobinas en concreto la de el Tracking ya que esta es la que se da la mayoria de los casos por no decirte todos, se jode.

Son dos teorias las que hay una por temperatura y otra por picos de voltaje, pero creo que una lleba a la otra, ya que si tenemos un pico de voltaje y este jode a la bobina esta al estar jodida hace que el LA suba de temperatura y este cuando alcanza mas de 70ºC va al garete.

Si los maestros en electronica sacasen algo para evitar esos picos de corriente, las V9 dejarian de petar.

Esta es mi conclusion de cuanto he leido yo en todo el hilo.
Y si en algo me equiboco creo que es en la explicacion que soy poco explicativo, o me explico mal, jejje yo se lo que me digo.
Para Bupa1

Esta claro q para la gente q montamos este ha sido un gran problema, y todos vamos haciendo nuestras investigaciones y teorias.
Yo no digo q la lente KHS400C sea una maravilla (es una mierd..), pero creo q en la hd7 se lucieron. Estaria bien hacer una estadistica para saber q lentes petan mas. Yo te hablo desde mi esperiencia.
Si se demostrase q hay una lente mejor q otra, esta claro q se le podrian mandar a sony todas las q den el coñazo. yo por lo menos mientras no se demuestre lo contrario, no pienso tocar una con el cabezal H07.
Respeco al aislante, decirte q lo estoy probando, pq esta claro q el aislante se quema debido a los picos altos de tension q está sufriendo la bobina, q no es con 1 pico solo, sino seran varios a lo largo de la jornada de trabajol, lo cual hace q la temperatura suba en la bobina y se derrita, pq si no hay calor el esmalte no se jode.

Bueno te contesto a esta hora pq hay una tormenta q te flipas y no me deja dormir
Saludos
Escrito originalmente por marvicdigital

Estos porcentajes son basados en que creo que todos cuidan sus consolas bien no las torturan con cd rip,con horas o dias de uso continuo etc.
Saludos.
PD: Sony ,your optical device is a pitch!!!


Estimados amigos, lo mío es la programación y soy un inepto en electrónica, pero teniendo en cuenta que el problema de las V9 y v10 es debido a un sobrecalentamiento de sus componentes, y que el LA es accesible por la tapa del HD, no se podría solucionar (por ejemplo) sacando la tapa del HD y poniendo en la boca de ésta un par de ventiladores tipo de los que refrigeran los HDD?? para aumentar el flujo interno de aire en el circuito,

Otra, se puede eliminar algun componente (estilo chapa del chasis etc.., que impida la correcta ventilación del circuito?

disculpad mi atrevimiento!,
Vamos a ver una cosa, por lo leido se trata de un pico alto o varios lo que jode la lente y esta el LA.
Con las resistencias se protege el LA, pero mi pregunta a los tecnicos, los fabricantes de chip no podrian evitar esos picos con alguna modificacion de los chip?, me cuesta mucho creer que esos picos no se puedan controlar de alguna manera.
De momento nadie ha dicho que le ha petado con resistencias verdad?, se que llevan poco tiempo, pero algo es algo.
Hola a todos.
Despues de leer el segundo informe del team Ripper-chip,que para considencias siempre sale unos días despues de que aca se hace publico primero lo de la falla de estas versiones y luego despues de el circuito, un comentario de ellos bastante fuerte y desagradable para la investigacion en donde se nos trata de "Estupidos";no voy a entrar en discucion con ellos pues el hilo no se merece dicho pleito,pero si haré un comentario para ellos y como se que lo van a leer,aca lo tienen:
Primero los felicito por ser los primeros fabricantes de chip´s que hacen un informe del por que de la muerte de las V9 y V10,cosa que no han hecho los demas fabricantes,pero llegan un poco tarde por que creo que descubrieron el agua tibia,aca ya se tenía informe de esto desde hace mucho tiempo y lo mejor una investigación desinteresada y con deseos de compartir con toda la comunidad y no de hacer protagonismo para publicidad.
Lo segundo, aconsejo que adquieran un buen traductor de Español a Ingles por que el que tienen es algo "estupido" ya que en la explicacion de la investigacion y de el circuito que se lleva acabo nunca se dice con afirmación que esto va a proteger las bobinas tal y como ud´s dicen que nosotros lo afirmamos.Desde un principio se explicó que es para protejer el LA6508 y no las bobinas.
Para nosotros las bobinas se alteran por recalentamiento producido por varios factores, entre ellos estan los picos que en su investigacion hacen; el constante uso de tracking que los discos exigen;material de las bobinas;factores externos como temperatura,vibraciones etc y otros por investigar.
No comparto del todo el hecho de que los picos sean los que dañen las bobinas ya que estos se producen por errores de tracking o de seguimiento, que todos los opticals device que lean formatos DVD y CD deben hacer;agrego que segun su primer informe los picos que ud´s muestran son de un optical ya averiado y por la tanto no son validos para afirmar que picos de voltaje en las salidas de los drives del LA6508 sean la causa del deterioro de las bobinas;puede suceder si dicho pico dura segundos pero hasta ahora no hay pruebas contundentes para afirmar dicha teoría.
La comunidad de El otrolado se encuentra trabajando en conjunto para poder encontrar una verdadera cura a este mal,si bien las resistencias son el primer paso, en mis PS2 se encuentran trabajando bien y hasta ahora han cumplido su función en 3 consolas de 30 a las que se les ha instalado pero esto no quiere decir que paremos de mejorar esto ya que lo ideal es proteger ambos componentes;la idea del fusible tambien se contempló pero hubieron varios factores para no tenerla como prioridad:
1- Hay varios mercados electronicos en el mundo en que conseguir un fusible superficial es algo complicado,y la idea es de proteger todas las consolas y no unas pocas.
2- Si bien el fusible se llegará abrir protegiendo las bobinas y el LA6508,quien garantiza cuantas veces tenga que cambiar el fusible despues de la primera vez?
3- Nosotros medimos corrientes de bobinas que miden 1.2ohmios y las corrientes de estas en funcionamiento no llegaban a sobrepasar 800mA todo esto medido con un Fluke87 con valor RMS en corriente,y en estos casos que haría el fusible con el pobre LA6508 que empieza a recalentarse?
End.

Para todos,lo de los fusibles es una buena idea,pero no hay nada seguro por ahora de que portejan bien las bobinas y sobre todo el La6508,ya que como expliqué son varios factores que hacen que las bobinas se alteren y no solo los picos.
La idea del circuito de resistencias es la misma de siempre, proteger el LA6508 que por ahora no se consigue con mucha facilidad; hacer que el óptical siga funcionando despues de que se hallan alterado las bobinas,(cabe recordar que esto no sucede en todas las V9 y V10 que es algo al azar) y sobre todo que todos lo podamos hacer,ya que hay ideas muy buenas como controlar esto con un PIC,que con sensor de temperatura y otras ideas muy buenas pero que reduciría el numero de personas que lo harían.
Nosotros estamos tomando en cuenta todas estas alternativas y nos encontramnos trabajando en un circuito un poco más complejo que apagaría la consola en el momento de proteger el LA6508 y las bobinas pero esto nos llevará mucho tiempo pues son muchos factores,pruebas a tener encuenta antes de publicarlo como una solucion definitiva.
Gracias a todos por ayudar a solucionar este problema ya que Sony no se ha dignado a decir nada y hacerse el de los oídos sordos.
Saludos a todos.
Escrito originalmente por marvicdigital
[Gracias a todos por ayudar a solucionar este problema ya que Sony no se ha dignado a decir nada y hacerse el de los oídos sordos.
Saludos a todos. [/B]


¿Se le ha hecho saber a Sony este problema?. Es decir, se le ha comunicado (via correo electronico, correo convencional, por teléfono) el hecho de que el LA casca debido a que las bobinas entran en corto (al margen de cual sea la causa por la que las bobinas acaban cortocircuitando).

Saludos.
Otra cuestión,
Que porcentaje, aproximadamente, de ps2 con chips acaban muriendo? (ya que no mueren todas). Y con las resistencias, se observa que haya una mayor duración de la ps2 con un funcionamiento normal? Ya que si el porcentaje de ps2 al que se le pone el chip y no muere es más o menos alto, puede coinicidir que se instalen las resistencias a una play que no se va a joder. De esta forma no se podría apreciar bien la eficiencia de las resistencias.
Como siempre, EXCELENTE tu explicación marvi.

Que sepas que desde esta comunidad tienes un apoyo incondicional ya que habeis sido vosotros los que nos habeis dado una posible solución.

En mi opinión, la idea de los fusibles no es factible ya que lo que pretendemos es que el LA no reciva demasiada corriente, con el fusible lo unico que conseguiriamos es que por un esceso de corriente el fusible dejase de funcionar, pero esta claro que si una PS2 funciona con las bobinas alteradas, siempre que cambiemos el fusible este se volverá a fundir. En mi pinion las resistencias es una solucion si no bien perfecta si muy buena, ya que esta demostrado que en consolas en las que las bobinas estan bien no afectan al funcionamiento de la play y en consolas con las bobinas alteradas a evitado que se queme en LA.

Yo por mi parte le puse las resistencias a una V9 con MXL2 y funciona perfectamente. Ha leido de todo DVD´s CD´d incluso como prueba de fuego se han estado viendo peliculas en DivX y la consola funciona perfectamente.






pd: En muchos casos la solucionas mas sencilla es la mejor.
Dar als gracias y mi enhorabuena por este proyecto.

Luego me asalta la siguiente duda:

Tras leer el tutorial y este laaaaargo hilo no m ha quedao claro q pistas son las q se cortan y donde se sueldan las resistencias.

Me he perdido alguna foto??



Gracias
fijate que el plastiquito blanco que se ve es donde va insertada la pista de plastico de la lente.
Boca abajo la consola tienes a la derecha de arriba a abajo, tres cables, más abajo uno mas fino que es del motor, y en el centro esta el de la lente, pues justo pegadito a la derecha de esa clip de inserción estan las pistas a cortar. [idea]
si pero la duda q m asalta es en esta foto, de q color son las pistas a cortar??
las pistas es lo verde claro, lo q as pintado tu no es ninguna pista, es la separacion entre pistas.
En mi modesta opinión ,le echamos la culpa a las bobinas ,pero una duda me asalta.¿no será al contrario?.¿No podría ser un defecto de diseño del circuito?.Tal vez podria ser que la corriente que entregan los drivers del LA6508 para alimentar la bobinas de tracking y focus sea demasiado alta,fundiendo el recubrimiento de las bobinas ,entrarian en cortocicuito (o bajarían la impedancia) de manera que se fundiese el propio LA ,por no poder disipar la potencia.Tal vez hablamos de lo mismo pero a la inversa.Podria ser que SONY ,en su intento "innovador" por que leyese todo tipo de medios haya puesto al límite al LA.Ademas eso explicaría el porqué lectores de diferente fabricante "petan" como decís por aquí.Ya digo ,es mi modesta opinión ,pero puede ser que no se cortocicuiten las bobinas por defecto de fabricación ,sino de diseño.Además creo que también explicaría el porqué independientemente del chip instalado la consola es más propensa a dañarse ,forzariamos al LA al límite de sus posibilidades (aún mas).Otra cosa ,si queremos limitar los picos de corriente que circulan por las bobinas ,deberiamos ponerle resistencias en paralelo ,que deberian calcularse en función de la impedancia de las bobinas ya que en un circuito serie ,segun la ley de ohm la intensidad (corriente) es la misma en todos sus componentes no siendo así en paralelo ya que se dividiría ,en funcion de la tensión y resistencia en cada uno de los "ramales" que se conecten ,rogaría que alguno de los expertos corroborasen o desmintiesen esto.Lo que no sé es si funcionaría en un circuito de este tipo.Vuelvo a repetir ,es mi modesta opinión y felicito a todos los participantes de este hilo por intentar resolver un problema que es de $ONY

P.D.Upps! no habia leído el último post de Marvic .sorry [ayay] cawento
Bien, acabo de mirar el "design guidelines" del LA6576 ,no es el mismo, pero si se le parece y lleva EN PARALELO con la bobina una resistencia de 2,2 ohms y un condensador de 0,1 uf en serie con esa resistencia ¿podría alguien probar esa combinación?

Adjuntos

Pues eso que tengo una v9 que he usado 3 veces con un MXL2 instalado y hace 10 minutos jugando me ha dado fallo de lectura, el tema es que ahora no lee nada , el lector hace un ruido raro como si estubiera leyendo sin saber donde...
Estoy en mi casa y no tengo aqui herramientas, mañana por la mañana la abro a ver que es lo que se ha jodio... pero me extraña que ocurra esto ya que tengo puestas 2 resistencias de 2,2 y medio watio en SMD.

Mañana os cuento que ha pasado.. [buuuaaaa]

Un saludo.

P.D: Se admiten sugerencias de que ha podido pasar....
¿Que valor tenian las bobinas antes de ponerle las resistencias
Vamos a ver si alguien puede ayudarme, he medido las bobinas y me dan 4,6 y 4,8 , las resistencias las he medido y estan bien, la lente es una HD7...
El LA parece que esta bien, he leido por ahi que cuando se jode hay algunas patas que dan continuidad con masa... el tema es que parece estar quemado ni nada, ademas si las resistencias estan bien ni tiene sentido..
El lector hace un ruido como si estubiera leyendo todo el rato, es decir, como si metes un cd que esta rayado y no termina de leerlo, despues me salta el navegador. no hace ningun "clack" ni nada raro...
El chip tiene la alimentacion desconectada y nada, no hay puentes ni nada raro, hago las soldaduras con micorscopio y descarto que sea del chip....
El tema es que todo sigue igual la consola tiene como mucho 4 horas de uso...

Un saludo y a ver si a alguien se le ocurre algo...

Gracias.
hola trompegsm esto suena a la quemado
salu2
Hola Tazma, si el La se ha quemado como es que no se han quemado antes las resistencias???? por otro lado tengo entendido que el La se quema cuando las bobinas entran en corto o tienen valores muy bajos y las mias estan correctas...

A ver si a alguien se le ocurre algo...

Gracias

P.D: Hay alguna forma para saber si el LA no funciona correctamente?????
esttilo está baneado del subforo por "No especificado"
Tienes el La quemado, a mi me volo una la semana pasada y las resistencias ni se enteraron (y si, estaban bien puestas)
marvicdigital, como siempre muy bunea la explicacion y para que esos de ripper no lo han hecho solitos, yo creo que leyeron aqui y hicieron su propio manual........ pero weno quien sabe la verdadera investigacion que habran hecho.
Por cierto una explicacion EXCELENTE, si al final te decides por el circuito complejo con PIC y eso avisa que te lo pruebo si hace falta.

Saludos
entonces las resistencias son o no efectivas? porque ahora vuelve a haber confusion en todo el tema

un saludo
en teoria las resistencias impiden que el la pete pero no que la bobina lo haga.
el tema esta crudo.
desde que salio la epidemia v9 yo no he dejado de instalar, asi que el tiempo nos dira todo, si siguen muriendo o no, tiene que haber gente que pruebe el invento
Escrito originalmente por trompegsm
Hola Tazma, si el La se ha quemado como es que no se han quemado antes las resistencias???? por otro lado tengo entendido que el La se quema cuando las bobinas entran en corto o tienen valores muy bajos y las mias estan correctas...

A ver si a alguien se le ocurre algo...

Gracias

P.D: Hay alguna forma para saber si el LA no funciona correctamente?????




Hola trompegsm, quisiera saber que procedimiento llebaste a cabo para confirmar la muerte del LAXXXX por favor, no lo tomes a mal es tan solo para ayudarte y todo desde el principio. ein?

Si puedes postear fotos de la instalacion me parece mucho mejor.

Suerte.
Ostia 1 hora y 20 minutos me ha llevado leer todo el coño post, la verdad esta muy interesante jeje, buen trabajo, asi da gusto seguir echando una mano :) (con la colaboracion de mucha gente)

Un saludo
ya ves podiamos haer una megacompilacion o algo asi y dejar este hilo para investigar un poko
Bueno primero decir que no he tenido tiempo para leer el post no se si habra salido ya esta pregunta, pero ya se saben porque se petan las V9, pero cuales son los primeros sintomas?? deja de leer de un dia para otro?? no arranca la consola? empieza a leer cada vez menos cosas? es que habre montado unas cuantas V9 y por ahora no he tenido ninguna queja, todas con Matrix 2 y me gustaria saber cuales son los sintomas para poder cojerlas a tiempo, saludos
Por desgracia no hay sintomas para este mal, deja de pillar dvds y cds de momento, y ala, se jodio la cosa, salu2
pero sigue rulando la consola? me explico, sigue funcionando, pero sin cojer DVD ni CD no?
Exacto, la consola sigue funcionando como si no pasara nada, pero no te pilla nada, salu2
Me pasa una cosa curiosa con las resistencias, le pongo unas de 2.2 k 1/4w y la play me deja de coger los dvd y cd tanto originales como piratas, se las quito y los vuelve a coger. Las pistas estan bien cortadas y he comprovado la continuidad por todos lados para ver que no hago corto. Las bobinas me miden las dos unos 5.2 ohmios. He probado a ponerle unas Resistencias de 1.8 k 1/4w pero tampoco me coge la play ningun dvd y si se las quito vuelve a coger de todo,
¿Que demonios puede ser?
¿Os ha pasado algo parecido?
Hola, en post anteriores estube comentando que la play de ha dejado de leer con als resistencias puestas. El tema es el siguiente a ver si alguien puede explicarme lo que ha pasado...
Estaba jugando a la PS2 ( tiene como mucho 4 horas de uso )cuando de repente me dice que inserte el disco como si lo hubiera sacado, pruebo a sacar el disco a meterlo de nuevo y nada, hago un reset y ya no me pilla nada, se pone a leer pero hace un sonido el laser raro como si el dvd estubiera rayado, el tema es que meto lo que sea y nada, no lee.
Abro la Ps2, mido las bobinas ( lleva una lente HD7 ) y los valores estan correctos, sigo desmontando, me voy a la placa pruebo a quitarle la alimentacion al chip , monto y pruebo con un dvd original y nada... abro de nuevo, mido las resistencias y me dan que miden bien , no estan quemadas ni nada por el estilo ( uso resistencias de 2,2 y 1/2 w en SMD ), ya desesperado me da por quitarlas las mido fuera de la placa y me dan 2,2 , es decir estan bien .
Vuelvo a ponerle otra vez 2 resistencias nuevas para probar y mi sorpresa es que ahora si funciona la PS2 corectamente , increiblemente vuelve a leer como si nada hubiera pasado.
Descarto mala instalacion del chip y de las resistencias, hago todas las soldaduras con microscopio ( me dedico a la reparacion de telefonia movil ) y llevo tiempo soldando, es decir , no es la primera vez que pongo 2 resistencias. Por otro lado he puesto ya las mismas resistencias en varias Plays y un amigo que tiene las mismas las pone tambien y hasta ahora no ha habido ningun problema....

¿¿ Donde esta el origen de esta averia ?? ¿¿ Le ha ocurrido a alguien algo parecido ???


Gracias a todos .
543 respuestas
16, 7, 8, 9, 10, 11