[Proyecto] Retro Five! (R5 ANIVERSARY 2.0.3) CRT Forever

1, 2, 3, 4, 5, 6
BUENAS!!!
⚡️Quedamos algunos del antiguo grupo Retro Five y se a decidido actualizar y mejorar sin límites,con ayuda por supuesto de unos cuantos compañeros reclutados recientemente como testers/probadores (bautizados los 3 mosqueteros)

Imagen


⚡️NUEVO SISTEMA R5 2023 Aniversary 2.0

⚡️Actualización R5 Aniversary 2.0.1 .....fecha 29-10-2023...
⚡️Nuevo Kernel: 6.5.8-x64v1-xanmod1 x86_64
⚡️Nuevo sistema grafico version: 4.6 Mesa 23.2.1-1
⚡️Nuevo driver amdgpu 23.0.0-1
⚡️Nueva version Tema Pandora-Custom 1.5 Theme ES
⚡️Arreglado conexion red wifi
⚡️Actualizado groovymame a versión 0.260 compilado por Alessio con parches haynor nonag y mejoras en juegos.
⚡️Actualizado dolphin-emu
⚡️Actualizado retroarch 1.16
⚡️Actualizado wine 8.18
⚡️Actualizado scummvm 2.7.1
⚡️Actualizado redream
⚡️Actualizado pcsx2
⚡️Actualizado xemu
⚡️Nuevos cores para ps2,lightgun,neogeocd,msx,etc
⚡️Nuevos launchers ES
⚡️Añadido soporte de resoluciones nativas para fightcade 2(juego Online)
⚡️Nuevos sistemas añadidos como Wiiware,Naomi2,VirtualBoy...etc
⚡️Instalado Trampes 2023 utilidad beta
⚡️Actualizaciones update de menus a la ultima.
⚡️Cpsystems se integra con mame en arcades clasics
⚡️Mamevertical se integra con mame en arcade clasics
⚡️Recomendable descargar el nuevo pack arcades en el canal R5 dowload
que corresponde al romset 0.260.
⚡️NUEVO PACK NEO GEO
⚡️NUEVO PACK MODEL 2
⚡️Compatibilidad con todo tipo de mandos de consola y Pc ,Jpac ,arduinos y Pi Pico(esta última utilizándola como teclado hace lo mismo que un Jpac o se puede usar como mando xbox360)
y mas sorpresas!!!


Instalación sin intervención del usuario,solo quemar imagen en un disco duro(preferentemente SSD) conectar al equipo que vallamos a usar para emular y listo.


Aquí Explicado:



Y por supuesto sistema lightgun compatible con Gun4ir ,Wiimotes ,Aimtrack y Guncon 2

************************************************************************************************************************************************************************************************************************************************************************************************************************************************************************************************************************
Imagen


Nuevo Update V 2.03 ,actualizados cores y configuraciones para diversos micropcs ,añadido cores para algunos sistemas como psone ,saturn etc.
Nuevo emulador para Msx y soporte para juegos con chip V9990 ,se han añadido 2 cores con las resoluciones originales de este sistema. El nuevo pack de Msx lo teneis disponible en el update en "nuevos sistemas".
Añadidos las opciones SkraperGui y Fusion en la aplicacion
Nueva version de emulationstation V39 del github de batocera que seguimos adaptando a nuestras necesidades en R5.
Retroarch version 1.17 recien horneada ,con muchas mejoras y novedades respecto a versiones obsoletas y que pierden mucho respecto a tener lo ultimo.
Proximamente groovymame 0.262 y nuevo romset para arcades clasicos.

Version final hasta el proximo año ,se han reparado algunos bugs reportados por los usuarios y se aprovecha para realizar un update considerable al sistema tanto en rendimiento como en mejoras de drivers y soporte ,con un kernel nuevo y las mejoras que aportan las nuevas librerias mesa y el driver amdgpu de ultima hornada.
Gracias a quienes habeis colaborado con la ultima version de manera altruista y gracias por seguir formando parte de esta pequeña comunidad.

Decir que con esto y un bizcocho....jejeje en fin,hay cosas que hacer,proyectos que terminar y quehaceres que tener en cuenta,el sistema está a la última y muy mejorado ,si no queréis quemar imagen de nuevo podéis actualizar desde el Update hasta donde está esta imagen nueva,no hay problema,están las 2 opciones ,seguramente tendremos algún update en todo este año 2024 pero poca cosa dado que el sistema está completísimo como digo,quizá alguna actualización de emulador,packs de roms o de temas,software y visual .... vamos....poca cosa

Yo recomiendo quemar imagen y recuperar controles y a funcionar como estabas pero con imagen nueva y a full.

Recordar si quemáis de nuevo:
-Primero quemamos imagen en un ssd(recomendado)
-Segundo colocamos la grabación hecha en el equipo e iniciamos(se instala automático)
-Tercero y último montamos disco duro de roms y vamos a Escritorio ,Menú R5 y Opción "Recuperar Controles"(no reiniciéis NUNCA antes de recuperar controles,ojo con eso)
-Cuarta parte : A DISFRUTAR!!!

*****************************************
*****************************************

Nueva imagen R5 2.0.3 (TODOS LOS UPDATES HASTA LA FECHA ESTÁN INCLUIDOS)

Las gracias al Maestro Yoda y Equipo R5!!!


Que la disfrutéis !!!!!!!
Un placer seguir sumando a R5 y que podais disfrutar de lo ultimo.


YA DISPONIBLE!!!

Web R5 :
http://retro5.servegame.com

Canales TELEGRAM:

DESCARGA!!!
R5 2023 Aniversary 3.0
https://t.me/+cEwfshOMhNYzMzRk

Configuraciones y Tutoriales R5 2023 Aniversary 2.0
https://t.me/+7uBXAmcZNMM3NWE0


PostData
"Disponible nuevo pack Naomi 2 ,ya en descarga desde el menu R5 desktop ,solo para la version 2.03 de R5"


-Antiguo R5 2021 en el spoiler
Grupo Retro Five Presenta:
Imagen


Buenas compañeros:
Lo primero que vamos a comentar es lo del nombre del grupo y sistema,"RetroFive"(R5) tiene ese nombre porque fuimos cinco compañeros los que decidimos unirnos para crear/evolucionar este sistema(recientemente se han incorporado otros colaboradores que están ayudando a testear y verificar el sistema)así que como éramos 5 pues Retro Five(Retro5)¿que de donde hemos salido?,pues del equipo de desarrollo de RGBUNTU(que se "movía" en su día con todos nosotros también)
Dado que el creador de este grupo de desarrollo(RGBUNTU)decidió no darle continuidad y dio por "finalizado" el proyecto allá por Mayo del 2020 (cuando abandonó el grupo,ahora a tomado el relevo otro personal [oki] ) nosotros cinco decidimos juntar nuestros esfuerzos y seguir con el proyecto cambiando a partir de la base de un sistema Linux precisamente desarrollado por David Skywalk "RGBux"(Gracias David) Retro Five nace de RGBux RC5.

Este sistema era algo personal del equipo de desarrollo Retro Five(R5) y queríamos simplificar pero a la vez potenciar el sistema base con más funcionalidades y por supuesto emuladores nuevos y actualizados, respetando al máximo posible la resolución original de los sistemas y al final hemos decidido compartirlo con todos.
Tiene un montón de opciones de configuración de sistema,emuladores,backup de controles e incluso backup de la imagen del sistema para guardar y recuperar dicho sistema.
También se han incorporado nuevas colecciones de ROMs y revisadas sobre las ya trabajadas y aportadas anteriormente en otros sistemas, citando por ejemplo una nueva selección para los sistemas arcade con juegos que tengan sentido y no aventuras consoleras poco jugables con palancas y botones.
Destacando nuevos temas en 480p y 240p adaptados y hechos en exclusiva para Retrofive, seleccionables desde Emulation Station.

Retro Five(R5) es un sistema operativo retro muy fácil de instalar y poner en marcha dado que contiene en una única instalación todos los emuladores, configuraciones, controladores y bios necesarias así como emitir a 15khz en nuestro CRT,ya sea Televisión o Monitor Arcade,no hay que educar la tarjeta grafica ni instalar emuladores,bios...es un TODO en UNO.

Indistintamente de la salida de tu tarjeta gráfica(VGA o DVI) el sistema la detecta automáticamente y la mostrará junto con un sencillo configurador para empezar a utilizarla así como para usar el driver adecuado para tu tarjeta gráfica,expandir el disco duro donde se instala R5 e incluso montar un disco secundario para las roms,todo automatizado,como digo muy fácil...chupao!
(con los cursores del teclado eliges opción,con la barra de espacio seleccionas opción y con Enter ejecutas selección,muy facil e intuitivo)

NOTA: La primera vez que inicia R5 es aconsejable tener un teclado conectado.
"Funciona perfecto con ATI a partir de hd4000 hasta las r9"

Imagen


-Retro Five(R5) nace de RGBux RC5,con Ubuntu 18.04.5 y otra buena cantidad software libre GNU/Linux.
-Dispone de Drivers Gráficos Ati Radeon,AMDGpu,Adrenalin e incluso para tarjetas mas tochas como las R9(AVISO,Nvidia bajo tú responsabilidad)
-El sistema está preparado y listo para emitir en una TV Crt o Monitor Arcade a 15 kHz no hay que educar la tarjeta ni instalar cosas aparte.
-Frontend (ES) Emulation Station,incluye 6 temas integrados también por el equipo Retro Five,música en los menús,etc,etc...
-Equipado con Groovy Mame 00.252,Hbmame 249,Retroarch 1.15,Flycast última versión disponible,Pcsx2,Dolphin,Darphe incluyendo Laserdisck,Ppsspp,wine,...y un largo etc... y seleccionables desde Emulation Station(un puntazo)así como resoluciones nativas,super resoluciones,modo 480p/240p y muchos cambios mas(no hace falta salir al escritorio)
-Válido para Ati y Nividia(Nvidia por ahora experimental,solo hay que probar y salir de dudas y bajo tú responsabilidad y NO válido para Intel)
-Sistema de configuración muy intuitivo desde Emulation Station,como cambiar de puerto de salida de tarjeta por si quieres cambiar tu tarjeta gráfica, e incluso cambiar de drivers de tarjeta.
-Backup de la configuración de tus controles.
-Una versión de Sistema Operativo : Horizontal(yoko) pero también hay apartado Vertical(tate) y hace el apaño(ilustrado con bezels que se pueden cambiar al gusto de cada uno)
-"SOLO Una" versión de Sistema Operativo(VGA/DVI),el sistema detecta qué salida está conectada automáticamente(VGA o DVI)
-Para su instalación se recomienda un disco duro SSD pero se puede instalar en uno mecánico normal.
-Se instala ocupando unos 22gbs de almacenamiento.
-TODO totalmente en ESPAÑOL(de ESPAÑA)
-Configuración y soporte de todo tipo de mandos como Zero Delay,Arduinos,Wiimotes,Xbox360,Xbox ONE y Ps4(estos últimos por BlueTooth o cable)
-Mas de 50 SISTEMAS de JUEGOS!!!
-R5 Está orientado principalmente a los juegos arcade de máquinas recreativas pero también de consolas y ordenadores personales antiguos como más actuales,incluso utilizar un Wiimote por ejemplo para su sistema LightGun,para hacer de pistola vamos...
-Disponible resoluciones nativas y superresoluciones.
-Autoconfiguración de controles.
-STEPMANIA DANCE: juegos de baile con mando u alfombra.
-JUKEBOX:antiguo reproductor de música para arcades que se a incluido por nostalgia.
-DOSBOX-STAGING:emulador de msdos para lanzar juegos y aplicaciones soporte roland32 integrado en el sistema
-VERTICALES ROTADOS CON BEZEL:los juegos verticales sufrirán una rotación para ajustarse a jugar en pantallas horizontales(por supuesto VERTICALES NO ROTADOS y VERTICALES NO ROTADOS SUPERRESOLUCIONES)
-AJUSTES MONITOR ARCADE:selección de archivos para uso en monitores arcade.
-AJUSTES TV CRT:seleccion de presets para jugar en tv crt.
-Actualizar R5 si hay algún update del sistema se hará a través de esta opción.
-Y en fin...una panzá de cosas muy interesantes,un puntazo de sistema como e dicho ya ;)

Imagen

3DO
3DS
32X
AMIGA CD
AMSTRAD
ATARI 2600
ATARI 5200
ATARI 7800
ATARILYNX
ATOMISWAVE
COMODORE 64
COLECOVISION
CPS
DAPHNE(Incluye Laserdisck)
DEAMCAST
FDS
GAME AND WATCH
GAMECUBE
GAMEGEAR
GB
GBA
GBC
HBMAME
JAGUAR
LINUX(Arcade)
MASTER SYSTEM
MEGA CD
MEGADRIVE
MODEL 2
MODEL 3
MSX
NINTENDO 64
NAOMI(Incluye Naomi GDR)
NDS
NEOGEO AES
NEOGEO CD
NEOGEO MVS
NES
NGPC
OPENBOR
PC ENGINE
PC ENGINE CD
PINBALL(Pinball Arcade y FX3)
PS2
PSP
PSX
SATURN
SG-1000
SNES
TAITO TYPE X
VECTREX
WII
WINE(Arcade)
WONDERSWAN COLOR
X68000
ZX ESPECTRUM
Y COMO NO : SISTEMA LIGHT GUN!


Imagen


La instalación es muy sencilla,solo hay que quemar la imagen en un disco duro(SSD recomendado) con balenaEtcher y el sistema se autoinstala automáticamente SOLO,rápido y sencillo:

PD: mas rápido que yo no la quema nadie jajaja

Una vez quemada la imagen de R5 en nuestro disco duro lo conectamos al Pc que tengamos para emular e iniciará R5 automaticamente si tener que intervenir en nada





-Aquí tenéis un ejemplo de como se conecta un mando de ONE y 2 Wiimotes por Bluetooth:


-Y aquí como se conecta un mando de PS4 por Bluetooth:


Bueno y no me voy a extender mas porque disponemos de canal de Youtube,una Web donde tenéis mucha info y vídeos así como tutoriales del sistema.
Sois unos fenomenos tengo muchas ganas de probar esta maravilla ya os iré contando!
Retro Five: la emulación al máximo nivel... [boma]
A ver qué tal va en la Raspberry. No tengo mucha confianza
buen curro, lastima el no soporte intel.
Tomax_Payne escribió:buen curro, lastima el no soporte intel.

Se ha intentado, pero no ha habido forma [buuuaaaa]
Habrá que probarlo!!
Un saludo y gracias por el currazo.



EDIT: lo estoy probando y me está gustando bastante lo que veo.
Mis felicitaciones por el trabajo.
Os animo a que lo probéis.
Estoy descargando para probar esta joya, ya les comento como lo encontre, pero segun se puede ver vale la pena actualizar el RGBuntu.

Gracias por compartir. [oki]
dodi29 escribió:A ver qué tal va en la Raspberry. No tengo mucha confianza


Te irá "niquelao" [facepalm]
Drasic escribió:
dodi29 escribió:A ver qué tal va en la Raspberry. No tengo mucha confianza

Lo
Te irá "niquelao" [facepalm]

El que tengo aquí.....
Va que lo estoy probando y no consigo señal [facepalm] cualquier batocera me a funcionado siempre y retropie también y recalbox y kodi y ....todo menos esto [lapota]
dodi29 escribió:
Drasic escribió:
dodi29 escribió:A ver qué tal va en la Raspberry. No tengo mucha confianza

Lo
Te irá "niquelao" [facepalm]

El que tengo aquí.....
Va que lo estoy probando y no consigo señal [facepalm] cualquier batocera me a funcionado siempre y retropie también y recalbox y kodi y ....todo menos esto [lapota]



Pensaba que decias en broma lo de la Raspberry............. [+risas]
El R5 esta hecho para funcionar en un PC con una tarjeta grafica ATI, todo conectado a una tele/monitor CRT.
Para conectar la raspberry pi 3 a un CRT, yo te recomiendo el RGB-Pi.

Saludos.
Tiene muy buena pinta, igual lo pruebo.
Tengo una recreativa desde hace ya bastantes años montada con un pc dentro.
Cuando me lie para hacerla todo esto estaba en pañales.
Es un Pentium 4 con una ATI x800 y los driver calamity para emitir en 15khz.
Para los controles tengo un IPAC de 2 jugadores.
Todo esto en un windows xp con MaLa.

@CHEF0 Como lo tengo todo montado me funciona, para actualizar a R5 lo puedo hacer sin problema o tengo que actualizar el equipo?
@giru00 No te vale, es only 64bit, no cargará en tu PEntium IV. Igualmente lo tienes muy bien montado, no creo que puedas sacarle más partido del que ya le sacas con esos calamity [beer]
AxelStone escribió:@giru00 No te vale, es only 64bit, no cargará en tu PEntium IV. Igualmente lo tienes muy bien montado, no creo que puedas sacarle más partido del que ya le sacas con esos calamity [beer]

Gracias.
A ver si veo un equipo viejo pero de este siglo y hago pruebas.
La recreativa que tengo con mame va perfecta pero ya sabes cómo es esto...
giru00 escribió:Tiene muy buena pinta, igual lo pruebo.
Tengo una recreativa desde hace ya bastantes años montada con un pc dentro.
Cuando me lie para hacerla todo esto estaba en pañales.
Es un Pentium 4 con una ATI x800 y los driver calamity para emitir en 15khz.
Para los controles tengo un IPAC de 2 jugadores.
Todo esto en un windows xp con MaLa.

@CHEF0 Como lo tengo todo montado me funciona, para actualizar a R5 lo puedo hacer sin problema o tengo que actualizar el equipo?


Si es un pentium 4 de los últimos, igual tienes suerte y soporta instrucciones 64bits, todo es mirarlo y probarlo.
No van a poner una lista de tarjetas de video soportadas?
Yo cogería un micro 64bits pero eso ya cada uno puede llegar hasta donde pueda con sus gastos,como te a dicho el compañero prueba haber si ese micro soporta esas instrucciones.
Respecto a lo de la lista de tarjetas pues hay probadas un montonazo desde la HD4XXX hasta la R9 como comento en el post.
Yo probaría lo que tengo y así saldría de dudas,total : probar es gratis(como dice Yusay con toda la razón del mundo jeje) y se tarda un plis plas
salu2!!
Fake en mi rpi no funciona desisto..... Chefo feo [fiu]
dodi29 escribió:Fake en mi rpi no funciona desisto..... Chefo feo [fiu]

Jajajaja mira que te gusta jejejeje ainsssss,que joío eres jajajajaj
salu2
Menuda pasada
Que pintaza tiene

Muchísimas gracias

Para ma recre que va
vaya currazo y tremenda aportación.
Gracias!!!
lalioparda escribió:vaya currazo y tremenda aportación.
Gracias!!!


Pilla un CRT y verás lo que es jugar RETRO con esto,una gozada [beer] [beer] [beer]
Salu2

PD/ Si no tienes cable para el pc yo te hago uno y te lo envío,sin problema ;)
@lyonwhite
Eso suena a tienda de paquis en chueca
dodi29 escribió:@lyonwhite
Eso suena a tienda de paquis en chueca


Jajajjaja ya querrás el tuyo perraaaaaaa jajjajaja,que malo eres jajajjajajajaja,cada vez que te veo online en EOL "tiemblo" jjajajja

salu2!!!
Buenas días señores, 2 problemillas a ver si alguien me puede orientar:

1.- He configurado un mando USB de Saturn. El propio menú del EmulationStation me pilla todos los botones pero los cores individualmente no parecen cogerme L/R, ya que no me deja usarlos para mapear ningún botón, como si no existieran. ¿Alguna idea qué puede ser?

2.- He instalado un juego de Linux, SOR4, parece haberse descargado todo bien pero cuando lo ejecuto me devuelve al ES.

A todo esto, felicidades por el trabajo, está realmente bien hecho y todo muy limpio.
AxelStone escribió:Buenas días señores, 2 problemillas a ver si alguien me puede orientar:

1.- He configurado un mando USB de Saturn. El propio menú del EmulationStation me pilla todos los botones pero los cores individualmente no parecen cogerme L/R, ya que no me deja usarlos para mapear ningún botón, como si no existieran. ¿Alguna idea qué puede ser?

2.- He instalado un juego de Linux, SOR4, parece haberse descargado todo bien pero cuando lo ejecuto me devuelve al ES.

A todo esto, felicidades por el trabajo, está realmente bien hecho y todo muy limpio.


Hola. Sobre tu primer problemilla, no sé qué puede ser, repasa bien el tutorial de controles a ver si te ayuda a dar con la solución. Sobre el segundo, tenemos pendiente corregir ese juego, entre otros, con un nuevo lanzador que soluciona esos problemas y ajusta su aspecto ratio a 4:3. En el canal de descargas lo tienes arreglado.
@jigar Buenas, gracias por responder, buscaremos el juego en el canal [beer] .

Sobre el mando, parece que solo los cores de Retroarch no pillan los gatillos, ya que por ejemplo con NeoGeo y CPS me deja usarlos, algo debe tener el mando que esos gatillos no se los traga. Seguiré investigando.
AxelStone escribió:Buenas días señores, 2 problemillas a ver si alguien me puede orientar:

1.- He configurado un mando USB de Saturn. El propio menú del EmulationStation me pilla todos los botones pero los cores individualmente no parecen cogerme L/R, ya que no me deja usarlos para mapear ningún botón, como si no existieran. ¿Alguna idea qué puede ser?

2.- He instalado un juego de Linux, SOR4, parece haberse descargado todo bien pero cuando lo ejecuto me devuelve al ES.

A todo esto, felicidades por el trabajo, está realmente bien hecho y todo muy limpio.


Acabo de instalarlo en un C2D con R7 por DVI y todo perfecto,no sé lo que te puede pasar,en el repo está ya corregido por lo que parece:
Imagen
Imagen
Imagen

Que tarjeta y drivers utilizas? e puesto una R7 y drivers Raedon normales,los genéricos.

Respecto al mando repasa como te a dicho el compi lo de los controles en la info.
salu2!
@CHEF0 Pues tengo un C2D con una Radeon HD 5570. Los drivers que uso son los por defecto.

Gracias!
AxelStone escribió:@CHEF0 Pues tengo un C2D con una Radeon HD 5570. Los drivers que uso son los por defecto.

Gracias!


Ese juego es demandante a nivel hardware, según sus requisitos mínimos necesita un e8400 y una 6670 para arriba, quizás tengas ahí la respuesta a tu problema. Y también que al ser un port de Windows a linux, la capa de compatibilidad wine eleva estos requisitos.
Lo que yo decía esto no va en rpi [uzi] chefooooo
CHEF0 escribió:
lalioparda escribió:vaya currazo y tremenda aportación.
Gracias!!!


Pilla un CRT y verás lo que es jugar RETRO con esto,una gozada [beer] [beer] [beer]
Salu2

PD/ Si no tienes cable para el pc yo te hago uno y te lo envío,sin problema ;)

Buenas!!
Tengo pendiente un proyecto con un crt , ojalá pueda hacerlo este año.
Cuando ponga el CRT ya te pediré consejos.
Justo ahora estoy enfrascado haciendo una bartop 1 player para mí hermano. Con pantalla plana de 17 en 4:3, que la quiere ligerita.
Saludos
lalioparda escribió:
CHEF0 escribió:
lalioparda escribió:vaya currazo y tremenda aportación.
Gracias!!!


Pilla un CRT y verás lo que es jugar RETRO con esto,una gozada [beer] [beer] [beer]
Salu2

PD/ Si no tienes cable para el pc yo te hago uno y te lo envío,sin problema ;)

Buenas!!
Tengo pendiente un proyecto con un crt , ojalá pueda hacerlo este año.
Cuando ponga el CRT ya te pediré consejos.
Justo ahora estoy enfrascado haciendo una bartop 1 player para mí hermano. Con pantalla plana de 17 en 4:3, que la quiere ligerita.
Saludos


Me parece perfecto,ojalá tengas buena suerte y pilles una en buen estado, asegúrate que tenga el mando original.
Yo me e agenciado ahora una Beovisión 1 de B&O y es una maravilla pero me a dado dolores de cabeza con el menú de servicio,estaba sin añadir en la tv el parámetro de SETUP y no había manera de entrar,al final lo e conseguido con ayuda de los del grupo,todo tiene solución en esta vida menos la muerte jajjaja.
Añadido lo de SETUP se configura ya rápidamente(claro que sigue sin poner SETUP jaja,muy raro ,en otro idioma parece,el caso que me a calentado la cabeza)
Imagen


Se ve de fábula claro que como siempre en un CRT no es facil sacar una foto,el móvil no hace justicia:
Imagen
Imagen
Imagen
Imagen
Imagen
Imagen


Me juntao unas cuantas ya jajaja.:
Imagen

si es que me las encuentro por la calle tiradas a menudo :-? :
Imagen

salu2!
CHEF0 escribió:si es que me las encuentro por la calle tiradas a menudo :-? :
Imagen

salu2!

:O como no me encuentro una, la única TV de tubo que he visto tirada tenía rota la pantalla como si le hubieran dado a propósito con una piedra :(
Funciona bieeeennn con una rpi4 [inlove] bueno ...no
Chefooooo ratataaaa
Otra alternativa para jugar fácilmente en CRT? más que bienvenida! enhorabuena y muchas gracias por compartirlo. Darle continuidad al RGBUNTU no tiene precio, lo probaré en breves.
Gnoblis escribió:
CHEF0 escribió:si es que me las encuentro por la calle tiradas a menudo :-? :
Imagen

salu2!

:O como no me encuentro una, la única TV de tubo que he visto tirada tenía rota la pantalla como si le hubieran dado a propósito con una piedra :(

Pues es raro,a menudo veo muchas tiradas y wallapop está lleno de ellas y muy muy baratas .
suerte!!

dodi29 escribió:Funciona bieeeennn con una rpi4 [inlove] bueno ...no
Chefooooo ratataaaa


[fiu]
jajajajajaj [toctoc]

elbitxo14 escribió:Otra alternativa para jugar fácilmente en CRT? más que bienvenida! enhorabuena y muchas gracias por compartirlo. Darle continuidad al RGBUNTU no tiene precio, lo probaré en breves.


Gracias a tí por comentar.
R5 nace de RGBux,es un forc del sistema de David Skywalk,No es la continuación de RGBUNTU si a eso te refieres,RGBUNTU es uno y R5 es otro ;)
salu2!!
Ah vale! Jajaj como RGBUNTU sacó versión final, pensaba que éste lo continuaba para seguir actualizándolo, pero leyendo ahora bien la descripción ya me queda claro.
Si esta semana tengo tiempo lo pruebo a ver qué tal, que tiene buena pinta.

EDITO: la instalación inicial es súper sencilla, es quemar la imagen, arrancar, seleccionar un par de opciones muy intuitivas y listo. Es impagable que detecte automáticamente la salida de video, expanda el disco y demás sin necesidad de meterse en terminal. Comparado con otros sistemas, éste me pareció el más fácil de hacer arrancar con mucha diferencia y ponerse a jugar. Sois unos amos.
Después, al empezar a configurarlo, vienen los problemas (como con cualquier otro sistema). Ante todo desde el agradecimiento por compartir ésto, me parece que las guías, estando muy bien y entrando en detalle, tiene partes que no son todo lo accesibles que deberían ser para un usuario que no sepa nada o casi nada de Linux, como la explicación de cómo aplicar el fix del wifi. En mi caso aunque no soy un controlón, tampoco soy precisamente novato con la informática, y me atasqué con un par de puntos en los que no conseguí que me salieran bien las cosas. Como está todo muy automatizado (que genial, es una pasada eso) cuando algo no te funciona te quedas atascado. A mí por ejemplo no se me descargan los packs ni conectado con cable ni con wifi, me salen unos pantallazos y me vuelve al menú principal.
Este tipo de historias no es nada que no suceda con otros sistemas similares, no hay ninguno totalmente accesible, pero el que éste no tenga un canal de soporte para mí de momento hace que me tire un poco para atrás. Lo seguiré intentando, pero sin ayuda es complicado dejarlo 100% funcional.

Es una pena, porque quitando eso es muy accesible y mucho más intuitivo que otras propuestas similares, y lo de super resoluciones para arcades verticales rotados tiene una pinta brutal, en cuanto pueda lo miro con más calma. Me atraen muchísimo algunas de las opciones de R5, y me gustaría hacer funcionar este sistema perfectamente para apreciarlo como es debido, e invitar a unas merecidas cañas a los que os lo habéis currado tanto jeje. Espero que éste y otros sistemas similares se retroalimenten, porque es la primera vez que veo uno para sacar de PC a CRT por fin realmente accesible para newbies.

No existe ninguna forma de conseguir soporte ni os planteais abrir un canal con este fin? aunque no llevéis vosotros la resolución de problemas, vamos, muchas veces son los propios usuarios los que contestan dudas primero.
elbitxo14 escribió: A mí por ejemplo no se me descargan los packs ni conectado con cable ni con wifi, me salen unos pantallazos y me vuelve al menú principal.
Este tipo de historias no es nada que no suceda con otros sistemas similares, no hay ninguno totalmente accesible, pero el que éste no tenga un canal de soporte para mí de momento hace que me tire un poco para atrás. Lo seguiré intentando, pero sin ayuda es complicado dejarlo 100% funcional.

No existe ninguna forma de conseguir soporte ni os planteais abrir un canal con este fin? aunque no llevéis vosotros la resolución de problemas, vamos, muchas veces son los propios usuarios los que contestan dudas primero.


Abre un terminal xfce y escribe: sudo apt update && sudo apt install nes y dinos que te sale. Puedes escribir a contacto.retro5@gmail.com si tienes alguna duda o problema y te diremos como solucionarlo
Tengo una placa base Pegatron APXD1-DM que me regalaron.
Por lo que veo monta un micro AMD Fusion E1-1200 , con vga integrada Radeon HD 7310
(Más información aquí : https://support.hp.com/es-es/document/c03626236)

¿Dicha tarjeta gráfica y micros son compatibles con retrofive en modo 15khz? En tal caso, ¿qué versión de cable vga me recomendáis fabricar?

Un saludo!
Buena consulta,vendéis algún cable o como se ve esto?
Sirve el rgbpi cable o sirve el ultimatefantasticmegasincrobuntucable?? ratataaaa chefooooo
kanyero escribió:Tengo una placa base Pegatron APXD1-DM que me regalaron.
Por lo que veo monta un micro AMD Fusion E1-1200 , con vga integrada Radeon HD 7310
(Más información aquí : https://support.hp.com/es-es/document/c03626236)

¿Dicha tarjeta gráfica y micros son compatibles con retrofive en modo 15khz? En tal caso, ¿qué versión de cable vga me recomendáis fabricar?

Un saludo!


Deben serlo, yo tengo un apu similar, un amd e-450 y funciona estupendamente.

No te pillo lo de la versión de cable vga que quieres hacerte, éste funciona bien: http://retro5.servegame.com/index.php/d ... _file/44/0
elbitxo14 escribió:Después, al empezar a configurarlo, vienen los problemas (como con cualquier otro sistema). Ante todo desde el agradecimiento por compartir ésto, me parece que las guías, estando muy bien y entrando en detalle, tiene partes que no son todo lo accesibles que deberían ser para un usuario que no sepa nada o casi nada de Linux, como la explicación de cómo aplicar el fix del wifi. En mi caso aunque no soy un controlón, tampoco soy precisamente novato con la informática, y me atasqué con un par de puntos en los que no conseguí que me salieran bien las cosas. Como está todo muy automatizado (que genial, es una pasada eso) cuando algo no te funciona te quedas atascado. A mí por ejemplo no se me descargan los packs ni conectado con cable ni con wifi, me salen unos pantallazos y me vuelve al menú principal.


Acabo de probar a instalar NES y el repo funciona correctamente :-?

Imagen
Imagen
Imagen


kanyero escribió:Tengo una placa base Pegatron APXD1-DM que me regalaron.
Por lo que veo monta un micro AMD Fusion E1-1200 , con vga integrada Radeon HD 7310
(Más información aquí : https://support.hp.com/es-es/document/c03626236)

¿Dicha tarjeta gráfica y micros son compatibles con retrofive en modo 15khz? En tal caso, ¿qué versión de cable vga me recomendáis fabricar?

Un saludo!


Como dice el compañero no creo que tengas problemas y con el esquema del cable tampoco tendrás problemas,funciona muy bien.

dodi29 escribió:Buena consulta,vendéis algún cable o como se ve esto?
Sirve el rgbpi cable o sirve el ultimatefantasticmegasincrobuntucable?? ratataaaa chefooooo


Ese no vale ....jajajajjajajajajjajajajajja

salu2!
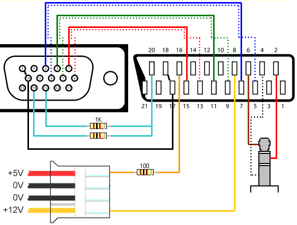
Bien, lo decía porque tengo este cable construido hace muchos años, pero apenas lo llegué a usar:

Imagen

Entiendo que me harían falta dos resistencias de 1000 ohm y otra de 100 ohm. Voy a ver si hago un cable nuevo utilizando un cable vga de un monitor que se me rompió, incluyendo audio y soporte para los 12v.
kanyero escribió:Entiendo que me harían falta dos resistencias de 1000 ohm y otra de 100 ohm. Voy a ver si hago un cable nuevo utilizando un cable vga de un monitor que se me rompió, incluyendo audio y soporte para los 12v.


Si te haces otro nuevo mucho mejor, porque en ese tienes que cambiar varias conexiones. Lo de la alimentación en los pines es necesario para la señal rgb y muy recomendable para el cambio de canal automático.
Si Chefo, todo funciona correctamente, es cosa mía que no he configurado bien algo. Voy a intentar hacer funcionar todo para recopilar los problemas que pueda tener y no andar mandando un montón de mensajes cada vez que me surja algo.
Por cierto, el cómo se ven los indies modernos de PC con pixelart en 240p o 480i es un escándalo... con los que tiran a 480i noto un exceso de vibración en la imagen, pero creo que es cosa de mi tele (Trinitron FD). He de investigar cómo meter más juegos de ese modo que los disponibles desde el canal, porque hay algunos que son una maravilla y ya no me va a valer nada que no sea jugarlos de este modo jaja.
elbitxo14 escribió:Si Chefo, todo funciona correctamente, es cosa mía que no he configurado bien algo. Voy a intentar hacer funcionar todo para recopilar los problemas que pueda tener y no andar mandando un montón de mensajes cada vez que me surja algo.
Por cierto, el cómo se ven los indies modernos de PC con pixelart en 240p o 480i es un escándalo... con los que tiran a 480i noto un exceso de vibración en la imagen, pero creo que es cosa de mi tele (Trinitron FD). He de investigar cómo meter más juegos de ese modo que los disponibles desde el canal, porque hay algunos que son una maravilla y ya no me va a valer nada que no sea jugarlos de este modo jaja.


Ya nos dirás que te pasa con el repo, debe ser que se ha quedado bloqueado, si es así un sudo dpkg –configure –a debería solucionarlo.

Es una gozada como se ven, el hollow Knight, Blasphemous, SOR4, Shovel Knight. A mí no me suele tintinear mucho la imagen en juegos a entrelazado, en imágenes estáticas sí, pero en movimiento inapreciable, será algo de tu tele.
Tengo un monitor Sony plano VGA que aún no he instalado, estoy aún mojando la punta del pie en esto de la emulación en mi PC. y he instalado y estoy trasteando con retroarch y sobre todo quiero usar ciertos juegos arcade que no hay para ninguna consola ni PC modernos. Pero este R5 vuestro pinta atractivo de narices. Particularmente para alguien como yo que está empezando, algo tan preparado de antemano (con BIOS que me traen loco) y tan 'todo en uno" suena brutal.

Eso sí, mi tarjeta es una NVIDIA GTX 1060 así que supongo que tocará hacer de "tester" 😆 a ver si tengo tiempo estos días y veo a fondo vuestros tutoriales y demás y lo puedo intentar.
276 respuestas
1, 2, 3, 4, 5, 6