[HILO OFICIAL] Movimiento Ambilight EOL

Hola a todos...bueno, ya me van llegando todos los componentes para hacerme el lightberry, aunque aun me falta la fuente he pensado que voy a ir colocando los leds detras de la tele que me da que es la operación más delicada, me he hecho con la prusa unas escuadritas muy chulas a 30º para darle inclinación a los leds, pero cuando los voy a colocar me surge la siguiente duda...
...He comprado unos led con protección IP67, con una funda impermeable de silicona....y me surge la duda de quitarsela o dejarla, por un lado estarán mas protegidos y viene bien para pegarles el velcro pero....¿quitará luminosidad a los leds?...¿perderé calidad?.....aunque son transparentes, el sentido comun me dice que hasta cierto punto...muy poco supongo, perderá calidad el invento.....¿como lo veis?
scesar escribió:Hola a todos...bueno, ya me van llegando todos los componentes para hacerme el lightberry, aunque aun me falta la fuente he pensado que voy a ir colocando los leds detras de la tele que me da que es la operación más delicada, me he hecho con la prusa unas escuadritas muy chulas a 30º para darle inclinación a los leds, pero cuando los voy a colocar me surge la siguiente duda...
...He comprado unos led con protección IP67, con una funda impermeable de silicona....y me surge la duda de quitarsela o dejarla, por un lado estarán mas protegidos y viene bien para pegarles el velcro pero....¿quitará luminosidad a los leds?...¿perderé calidad?.....aunque son transparentes, el sentido comun me dice que hasta cierto punto...muy poco supongo, perderá calidad el invento.....¿como lo veis?



No. No pierde calidad.
De la misma forma que si pones 25, 50 o 100 led. El resultado final es el mismo.
Yo tengo montadas tiras IP20 y las enfundé con termocontraible transparente de 9mm para facilitar la limpieza.
Hola a todos tengo instalado todo y aparentemente me va bastante bien me descargue openelec desde la pagina de lightberry lo e configurado y funcionando llevo poco tiempo con la raspberry y no tengo ni idea de como puedo acceder a hiperion para poder acceder a una mejor configuracion en estos temas de comandos ,etc, estoy muy pez agradeceria que alguien me pudiera informar de como hacerlo, leyéndo e intentado hacerlo con putty desde un pc pero la contraseña no me deja ni meterla que estoy haciendo mal ???
Alfaaer escribió:Hola a todos tengo instalado todo y aparentemente me va bastante bien me descargue openelec desde la pagina de lightberry lo e configurado y funcionando llevo poco tiempo con la raspberry y no tengo ni idea de como puedo acceder a hiperion para poder acceder a una mejor configuracion en estos temas de comandos ,etc, estoy muy pez agradeceria que alguien me pudiera informar de como hacerlo, leyéndo e intentado hacerlo con putty desde un pc pero la contraseña no me deja ni meterla que estoy haciendo mal ???



Tienes que hacerlo, como bien explica popy5 unos mensajes más atrás, con Hypercon (para Windows) que es el software para configurar Hyperion. Es un .jar ejecutable. La última pestaña es un cliente SSH que permite luego de crear el archivo detener Hyperion, subir el config.json y reinicirlo. Es más lioso explicarlo que trabajar con él.
-ice- escribió:
Jackercito escribió:Buenas,

......

Por otro lado había pensado en meterle un relé a la fuente de alimentación por la entrada de 220v para que la RPI sea la que controle que esta se encienda o se apague. Alguno ha hecho esto y puede darme algún consejo o es una locura lo que planteo?



Esto no lo entiendo. ¿Puedes poner un esquema de lo que quieres hacer?
Las locuras son las que generan avances. Si no fuese así, estaríamos estancados en una era pre-industrial.



La idea es que la RPI se la que encienda y apague la fuente de alimentación (siendo la tira de LED lo único que alimenta la fuente) y no solo la tira de leds.

Por lo que he estado leyendo sería con un relé que tuviera optoacoplador.

Adjuntos

Ok me lo voy a descargar y os voy contando haber que tal gracias por todos los aportes que escribis en el foro a mi me han solucionado muchas dudas
[beer]
Buenas!

Pregunta de cateto...
me acaba de llegar mi Dreamscreen de segunda mano (solo el stick) y he comprado una fuente de 5V 20A, mas una tira de ws2812.

No tengo ni idea donde conectar nada. La salida de la fuente V+ y V-, la entrada de la tira: +5, GND y DATOS

Tengo conectado:
Un extremo de la tira: V+(fuente) a +5 (tira), V-(fuente) a GND(tira)
Otro extremo: +5(tira) a V+(Dreamscreen), GDN(tira) a GND (Dreamscreen), Data(tira) a Data (Dreamscreen)

El Dreamscreen se enciende y lo detecta el Bluetooth.... pero la tira nanai, no se enciende. Me escama que o no esté bien la tira, o no esté bien conectado..... el V- de la fuente está bien al GND de la tira????

Saludos!
ximenin escribió:Buenas!

Pregunta de cateto...
me acaba de llegar mi Dreamscreen de segunda mano (solo el stick) y he comprado una fuente de 5V 20A, mas una tira de ws2812.

No tengo ni idea donde conectar nada. La salida de la fuente V+ y V-, la entrada de la tira: +5, GND y DATOS

Tengo conectado:
Un extremo de la tira: V+(fuente) a +5 (tira), V-(fuente) a GND(tira)
Otro extremo: +5(tira) a V+(Dreamscreen), GDN(tira) a GND (Dreamscreen), Data(tira) a Data (Dreamscreen)

El Dreamscreen se enciende y lo detecta el Bluetooth.... pero la tira nanai, no se enciende. Me escama que o no esté bien la tira, o no esté bien conectado..... el V- de la fuente está bien al GND de la tira????

Saludos!


Los pines del conector de los leds de la Dreamscreen son tres: +5V, Data Out y GND. Debes conectar tu tira de leds a la Dreamscreen por el extremo de entrada de la misma. Fíjate si no la has conectado por el extremo final. En el de entrada debería aparecer o una flecha entrante (indicando hacia donde van los datos, es decir, que apunta hacia el extremo final) o la serigrafía debería indicar Din o Data In. El extremo final de la tira, si pone algo, será Do (Data Out), o por el 'sale' la punta de la fechita de la serigrafía.

La fuente de alimentación debes conectarla solo a la a la Dreamscreen si tienes hasta 90 leds en tu tira, de forma que el (V+) de la fuente (que son +5v) lo conectes al (V+) de la Dreamscreen, y el (V-) de la fuente, que es la masa, al GND de la Dreamscreen. Con esta configuración la Dreamscreen es capaz de alimentar por sí misma hasta 90 leds (claro que la fuente de alimentación debe ser de suficiente potencia para ello).

Si tienes más de 90 leds, la Dreamscreen no puede alimentarlos todos, y deberás llevar unos cables extras desde la fuente a uno o varios puntos intermedios de la tira (el V+ de la fuente al V+ de los leds, y el GND de los leds al V- de la fuente). El número máximo de leds controlables es de 184.
Bueno, parece que el Dreamscreen que compré de segunda mano no funciona bien... (me costó 5€...)

Así que paso al plan B, montarlo con una rpi. Algunas preguntillas básicas:
Sólo usaré la rpi como gestor del ambilight. Ya tengo un reproductor para kodi (una shield) y un splitter montado con todas las entradas hdmi y duplica la señal.

Hay alguna manera de gestionar el encendido/apagado de la rpi? Tengo un logitech harmony y si lo puedo hacer desde ahí... de lujo
Arranca sola el hyperion?
Puedo alimentar la rpi sólo desde usb? (2A)

Gracias!
popy5 escribió:
jony_850 escribió:Una pregunta chicos, he vuelto al tema después de dejarlo abandonado.

Quiero usar el lightberry con la ps4, desde la pi me va perfecto pero no soy capaz de que me coja la señal de la ps4, de la ps4 paso la señal al splitter y de ahí a la tele y al hdmi2av, solo consigo recibir imagen en la pi a traves del grabber (chip fushcai) si pongo la ps4 a 480p, pero claro jugar a 480p no el lo propio, a 1080p no llega nada.

Sabéis de algun hdmi2av q funcione bien con 1080p a la entrada que llevo ya 3 comprados y sin suerte, o alguna manera de engañarlo?


Cualquiera que te indique que soporta 1080p a 60Hz te debería servir. Por ejemplo, este:

http://www.ebay.com/itm/Mini-1080P-HDMI-Composite-to-RCA-Audio-Video-AV-CVBS-Converter-Adapter-For-HDTV/152277989367

Y desde mi completo desconocimiento de la PS4, ¿no podría deberse a alguna opción de configuración en la misma que siempre te configure la salida a 480p?



Gracias por la respuesta, la ps4 no cambia de configuración, siguen en 1080, los adaptadores son de 1080 supuestamente pero mi screenshot o sale negro o verde a rayas :(
@jony_850:

Comprueba si el conmutador de modo de vídeo (si tu HDMI2AV lo tiene) está en el modo correcto, que debería ser PAL. Si lo está y no saca señal, ponlo en la otra posición y comprueba si ahora sí funciona. Si no alimentas el convertidor externamente, prueba a darle alimentación por el conector mini USB que incluye. Teóricamente se alimenta del HDMI de entrada, pero puede que no le llegue suficiente potencia.

La forma de saber si realmente es un problema con la resolución de la señal HDMI, es bajar la resolución de la misma en la PSP. Si a 480p o 720p sí obtienes señal en la salida del HDMI2AV pero cuando la pones a 1080p no sale nada, entonces es que el convertidor directamente no soporta 1080p. Lo comento porque venden tres tipos de convertidores: los que sólo soportan 480p, los que llegan a resolución HD ready (720p) y los que recomendamos, que sí que llegan hasta 1080p, y externamente son todos iguales.



@ximenin:

Pues es una pena que el Dreamscreen esté estropeado, porque a ese precio era una verdadera ganga...

Con la versión anterior del Hyperion Configuration Tool sólo se podían controlar los leds del tipo WS2801 y equivalentes, es decir, básicamente las tiras de leds SPI de 4 pines.

En la versión más actual de HyperCon.jar (v1.03.1) puedes ver que ya hay muchos más tipos de leds compatibles. Dentro del tipo SPI (tiras de leds de 4 pines), los WS2011 (los más corrientes), APA102, P9813, LPD6803 y LPD8806. Y dentro del tipo PWM -tiras de leds de tres pines como la WS2812 que tienes-, los WS2812b, que sólo son compatibles con la Pi 1, los WS281X SPI y los WS281X, que aparentemente ya son compatibles con todos los modelos de RB Pi. Entiendo que por WS281X se refieren a los leds del tipo WS2811, WS2812 y WS2813 (sin considerar sus variantes 'b', que entiendo no sirven). Por tanto y en principio, sí vas a poder reutilizar la tira de leds WS2812 (comprueba si es WS2812 o WS2812b, porque son diferentes). Sin embargo no tengo claro si esto es posible o no porque no lo he probado...

Si tu tira de leds es la WS2812 PWM (revisa las hojas de datos del vendedor para determinarlo), creo que debes conectar el pin de datos de la tira al pin 12 del GPIO, es decir, al GPIO 18. Si tu tira es del tipo SPI, pues directamente al pin SPI de la PI (pin 23 del GPIO, que si no recuerdo mal, corresponde al GPIO 11 SPI_SCLK). Y en el HyperCon tendrás que elegir el tipo correcto de tira dentro del apartado PWM: WS281X - SPI si es del tipo SPI, o bien WS281X di es del tipo PWM 'puro'.

Montajes alterativos incluyen un arduino entre la Pi y los leds, y las señales de control hacia los mismos salen por el USB de la Pi al cual está conectado el arduino.

https://hyperion-project.org/threads/diy-amblight-project-guide-hyperion-ws2801-ws2812b-apa102.8/

A mayores lo que vas a necesitar, puesto que dices que ya dispones del splitter, es de una capturadora USB compatible (USBTV007) con chip Fushicai UT007 y un convertidor de HDMI a vídeo compuesto que soporte, como mínimo, 1080p de entrada. De las dos señales de salida del splitter disponibles, llevas una a la entrada de la TV, y la otra a la entrada del HDMI2AV. La salida del HDMI2AV (conector RCA amarillo), a la correspondiente entrada de la capturadora (conector RCA amarillo). La capturadora directamente a la PI por el USB o, en caso de problemas de alimentación, a la Pi usando por medio un hub USB autoalimentado. Y por último, los leds directamente al correspondiente pin del GPIO de la Pi en función del tipo de leds que finalmente tengas.

Cuando comentas si puedes alimentar la Pi desde el USB, pues en principio no es lo más recomendable hacerlo directamente por dicho bus (te saltas las protecciones de entrada y en caso de problemas, lo más normal es que te cargues la Pi). Idealmente se debe alimentar por el micro USB, y la fuente debe ser de al menos 2A para ello. Recuerda que si usas una fuente independiente para la Pi, debes conectar entre sí los dos terminales de masa (GND de la alimentación de la Pi con el GND de la fuente de alimentación de los leds), pero no conectes entre sí los terminales de +5V de ambas fuentes. El usar o no entre el GPIO de la Pi y los leds un adaptador de línea, pues eso ya casi te diría que es opcional. Es recomendable, pero visto que a todo el mundo le funciona sin él (al menos con los leds WS2801), pues prueba sin él inicialmente (siempre lo puedes añadir más adelante).



Y esto va para ti y para @Jackercito, con la idea de controlar un relé que corte la alimentación de los leds desde la propia Pi.

Entiendo que lo que pretendéis es conectar y desconectar remotamente un relé conectado al GPIO de la Pi. En eBay o Aliexpress hay muchos relés de este tipo, generalmente pensados para los arduinos, pero que con ninguna o poca adaptación pueden valer para la Pi. Lo ideal, si no queréis tener que modificarlo, es que sea compatible con señales de entrada de 3,3V (la Pi por el GPIO no trabaja con señales de 5V), y preferiblemente que tengan un optoacoplador en su entrada. Debéis fijaros en qué corriente necesitan para ser activados, y creo recordar que, como máximo, cada pin del GPIO puede entregar 8mA. De ahí que tendréis que localizar un relé optoaislado que sea capaz de funcionar con sólo 5...8mA de corriente de entrada (a 3.3V), y que se alimente a su vez desde la fuente de 5V de la Pi. Dado el bajo consunmo de uno sólo de estos relés, probablemente se puede alimentar directamente del pin de 5V del GPIO, quizás sólo añadiendo un par de condensadores de filtro. Si el relé necesitase más de esos 8mA máximo disponibles por cada GPIO, ya tendríais que intercalar una etapa intermedia capaz de amplificar la señal.

Por ejemplo, un relé como este debería servir:

http://www.ebay.com/itm/5V-12V-24V-30A-1-Channel-Relay-Module-Optocoupler-H-L-Level-Triger-fur-Arduino-/272028209083

Se puede configurar para que se active con lógica positiva o negativa, sólo requiere de 2 a 4mA de corriente en el optoacoplador de entrada, y está disponible para tensiones de alimentación del relé (de la bobina) de 5V, 12V y 24V. En este caso, el de 5V sería el que habría que elegir.

Luego el control del relé es muy sencillo mediante la Pi, al menos bajo Raspbian. Basta añadir una librería al sistema instalado en la Pi que nos permita leer y escribir directamente sobre el GPIO, y finalmente, para no tener que andar enviando comandos remotos, pues programar un par de pequeños scripts para hacer precisamente eso. Cuando se conecte la Pi, se ejecutará un script que envía una orden por el GPIO para activar el relé externo (y éste a su vez que conecte la fuente de alimentación de los leds). Y cuando apagues la Pi, que se ejecute otro script que desconecte el relé y apague los leds. Obviamente es necesario elegir como pin de control del relé uno del GPIO no en uso (más info).

Por ejemplo, se puede usar wiringpi, que suele venir instalado en muchas distros. Pero por desgracia en OpenElec no viene, y no he encontrado una forma sencilla de añadirla, básicamente porque a efectos de añadir cosas, OpenElec está muy capado: no tienes posibilidad de ejecutar app-get, por lo que no es posible añadirle paquetes adicionales. La única posibilidad, hasta donde yo sé, pasa por añadir addons a Kodi, pero tampoco encontré ninguno funcional para controlar el GPIO.

Pero si tu distro no es OpenElec, probablemente ya tenga instalada wiringpi. Para saber si está instalado basta ejecutar en la ventana de comandos las siguientes órdenes:

gpio -v
gpio readall


Si no obtenemos un listado del estado de todos los pines del GPIO, entonces tendremos que instalar wiringpi manualmente siguiendo el tutorial del siguiente enlace:

http://wiringpi.com/download-and-install/

Una vez que tengamos instalado wiringpi en Raspbian o en una distro compatible (recuerdo que OpenElec no lo es), ya podremos activar y desactivar manualmente el pin elegido del GPIO, siguiendo por ejemplo este tutorial:

https://www.trafex.nl/2014/08/25/connect-a-relay-board-to-your-raspberry-pi/

Hay que tener en cuenta que wiringpi usa su propio sistema de numeración de los pines, por lo que hay que fijarse bien qué número de pin de wiringpi corresponde a qué pin real del GPIO de la Pi usada (más info).


Edito: he eliminado el texto que teóricamente permitía usar un pulsador on/off para la Pi bajo OpenElec porque no me están funcionando los leds... no sé si ha sido por algún error de conexionado o cuál es la causa, pero para evitar males mayores, mejor de momento lo elimino.



Si lo único que se pretende es apagar controladamente la Pi, otra forma de hacerlo es ésta:

https://spaceblogs.org/2013/06/03/shut-down-your-raspberry-pi-on-button-press-and-add-reset-function/


Incluso se podría añadir más 'sofisticación' al montaje conectándole un receptor de infrarrojos, aunque ya requiere más trabajo de programación y algo más de hardware. Pero básicamente se trataría de 'capturar' una orden proveniente de una determinada tecla de un mando a distancia, y si es la que hemos programado, que ejecute el script que conecte o desconecte el relé externo y/o el script anterior que apaga la RB Pi. Quizás bajo OpenElec no sea posible hacerlo funcionar fácilmente porque al no permitir instalar paquetes de una forma sencilla, se limitan mucho las posibilidades.

Para el caso del relé, si está activo, el script lo debería desconectar, y si no lo está, pues lo conectará.

De esta forma sería posible encender o apagar los leds con el mando a distancia y al mismo tiempo mantener la Pi encendida de forma independiente. Como es lógico, la Pi y el relé externo deben ser alimentados por una fuente independientre de la de los leds. En caso contrario cuando le déis la orden de apagado, se apagará también la Pi 'a lo bruto' muy probablemente antes de que se cierre de forma segura el sistema, con el consiguiente riesgo de corrupción de los datos almacenados en la tarjeta SD. Y además una vez apagada de esta forma y al no disponer ya de alimentación, no podríais conectarla de nuevo remotamente.

A ver si encuentro un rato para probar con alguno de los relés de arduino que tengo en un cajón, y ver si también tengo un receptor de IR compatible para hacer unas pruebas.

Para el que quiera ir avanzando en ello, puede echarle un ojo al siguiente enlace:

http://ozzmaker.com/how-to-control-the-gpio-on-a-raspberry-pi-with-an-ir-remote/

Otra alternativa, sería usar el mando a distancia para activar y desactivar remotamente Hyperion, lo que en la práctica apaga los leds, aunque no desconecta la fuente de alimentación. Los detalles ya han sido antes comentados en este hilo por @Bite_Your_Idols:

http://www.elotrolado.net/viewtopic.php?p=1738171059


Para OpenElec, seguir este tuto:

https://www.facebook.com/notes/batuhan-topba%C5%9F/how-to-enabledisable-hyperion-on-openelec-with-remote/10153093444127977
@popy5
Muchisimas gracias, tendré que ponerme detenidamente a estudiar todo lo que me has dicho y ver como procedo.
Hola, a ver si alguien me puede ayudar porque llevo varios intentos y no consigo nada. Ayer tras conectar todo y preparar la raspberry conseguí que se encendieran TODOS los LEDS pero del mismo color (blanco) y decidí volver a intentarlo con otro archivo de la página lightberry. A lo que una vez instalado y metido su correspondiente archivo json configurado a la perfecccion, solo consigo iluminar la MITAD de los leds y en color blanco otra vez... si alguien sabe cómo arreglar esto o que problemas puede haber, se lo agradecería. Cabe destacar que he seguido la guía pasó a paso y con los mismos materiales. Mi fuente es de 20A así que voy sobrado y alimento con ella también a la RP3
Intenta conectarte con la app del móvil o desde la pestaña SSH de de HyperCon, y ver si desde ahí consigues cambiar el color. Podría ser algún error en el .json, y de esta forma lo descartas.
popy5 escribió:Intenta conectarte con la app del móvil o desde la pestaña SSH de de HyperCon, y ver si desde ahí consigues cambiar el color. Podría ser algún error en el .json, y de esta forma lo descartas.

Se han encendido unos cuantos leds más pero siguen en color blanco, hacen el amago de cambiar de color pero casi ni se aprecia
Pues solo se me ocurre que tengas configurado un tipo de leds que no sea el que realmente has conectado.
Adrii303 escribió:Hola, a ver si alguien me puede ayudar porque llevo varios intentos y no consigo nada. Ayer tras conectar todo y preparar la raspberry conseguí que se encendieran TODOS los LEDS pero del mismo color (blanco) y decidí volver a intentarlo con otro archivo de la página lightberry. A lo que una vez instalado y metido su correspondiente archivo json configurado a la perfecccion, solo consigo iluminar la MITAD de los leds y en color blanco otra vez... si alguien sabe cómo arreglar esto o que problemas puede haber, se lo agradecería. Cabe destacar que he seguido la guía pasó a paso y con los mismos materiales. Mi fuente es de 20A así que voy sobrado y alimento con ella también a la RP3



Como ya dije, yo huiría de la página de Lightberry que lo único que han aportado a este proyecto es la comercialización.

Como te dice @popy5, mirate si los led llevan el chip adecuado.
Revisa tu hyperion.config.json
Controla que lo estás subiendo al directorio adecuado según la imagen que uses. La mayoría de los errores están aquí.
Para eso, nada mejor que hacerlo a través del SSH del mismo Hypercon.
Recuerda detener el servicio ANTES de subir tu configuración y de ARRANCARLO luego.

Una pregunta: ¿Cuándo reinicias la RPi hace el arcoiris de colores?
-ice- escribió:
Adrii303 escribió:Hola, a ver si alguien me puede ayudar porque llevo varios intentos y no consigo nada. Ayer tras conectar todo y preparar la raspberry conseguí que se encendieran TODOS los LEDS pero del mismo color (blanco) y decidí volver a intentarlo con otro archivo de la página lightberry. A lo que una vez instalado y metido su correspondiente archivo json configurado a la perfecccion, solo consigo iluminar la MITAD de los leds y en color blanco otra vez... si alguien sabe cómo arreglar esto o que problemas puede haber, se lo agradecería. Cabe destacar que he seguido la guía pasó a paso y con los mismos materiales. Mi fuente es de 20A así que voy sobrado y alimento con ella también a la RP3



Como ya dije, yo huiría de la página de Lightberry que lo único que han aportado a este proyecto es la comercialización.

Como te dice @popy5, mirate si los led llevan el chip adecuado.
Revisa tu hyperion.config.json
Controla que lo estás subiendo al directorio adecuado según la imagen que uses. La mayoría de los errores están aquí.
Para eso, nada mejor que hacerlo a través del SSH del mismo Hypercon.
Recuerda detener el servicio ANTES de subir tu configuración y de ARRANCARLO luego.

Una pregunta: ¿Cuándo reinicias la RPi hace el arcoiris de colores?

Vale, he avanzado algo con vuestros consejos, consigo que se iluminen todos los leds al encender haciendo el arco iris. Pero luego se apagan y no vuelven a iluminarse cuando hay un vídeo. He conectado desde hypercon y poniendo los colores me los envía pero no corresponde con el color que le he puesto.
Edito: lo de los colores ha sido porque mis leds son RBG. Pero lo de que cuando acaba de hacer el arcoiris se apagan y no se encienden con los vídeos aún no le encuentro solución
Hola chicos me ha surgido un problema. Hace unos meses (no me acuerdo si estaba configurando algo de los LEDs o no) pero de repente los LEDs dejaron de funcionar. Ahora mismo solo encienden algunos leds (4 o 5) y con colores aleatorios (rosas y blancos).

Reemplazé el archivo de configuracion de hyperiond en la raspberry pero sigue sin funcionar.
El caso es que he cogido otra tarjeta SD, he vuelto a instalar Openelec (vamos hacer todo el tuto de nuevo) pero no hay manera.
¿Podria ser que tubiera algun led fundido y tenga ahora estropeado toda la tira led?
Es que no se me ocurre otra cosa.
@Adrii303
Adrii303 escribió:Vale, he avanzado algo con vuestros consejos, consigo que se iluminen todos los leds al encender haciendo el arco iris. Pero luego se apagan y no vuelven a iluminarse cuando hay un vídeo. He conectado desde hypercon y poniendo los colores me los envía pero no corresponde con el color que le he puesto.
Edito: lo de los colores ha sido porque mis leds son RBG. Pero lo de que cuando acaba de hacer el arcoiris se apagan y no se encienden con los vídeos aún no le encuentro solución


Si el vídeo lo estás reproduciendo con el Kodi de la PB Pi, es un problema de que o no has puesto el .json en la ruta correcta o que, si has añadido el código de la capturadora externa, la misma tiene asignada excesiva prioridad.

Dependiendo del sistema operativo que hayas instalado, el .json va en una u otra ruta, y si no lo pones en el sitio correcto, Hyperion te hace el efecto al arrancar, pero luego no teniendo el .json accesible, no activará los leds.

Usa la conexión SSH del HyperCon. En esa pestaña hay un apartado (en System) para configurar el SO que tienes, y más abajo con un botón (en SSH - Send Hyperion Configuration), enviarle el .json a la ruta correcta.

Si por el contrario tienes la capturadora conectada, podría deberse a que la misma tenga en el .json una prioridad excesiva, y cuando reproduces algo con la Pi, está asignando los efectos desde la capturadora, y como desde ella no le llega señal, los leds se apagan.



@carli12
carli12 escribió:Hola chicos me ha surgido un problema. Hace unos meses (no me acuerdo si estaba configurando algo de los LEDs o no) pero de repente los LEDs dejaron de funcionar. Ahora mismo solo encienden algunos leds (4 o 5) y con colores aleatorios (rosas y blancos).

Reemplazé el archivo de configuracion de hyperiond en la raspberry pero sigue sin funcionar.
El caso es que he cogido otra tarjeta SD, he vuelto a instalar Openelec (vamos hacer todo el tuto de nuevo) pero no hay manera.
¿Podria ser que tubiera algun led fundido y tenga ahora estropeado toda la tira led?
Es que no se me ocurre otra cosa.


¿Te hace los efectos de arcoiris al inicio?

Prueba lo que antes comenté: conéctate desde la app de Hyperion Free de Android o desde la pestaña SSH del HyperCon, y comprueba si desde ahí consigues o no encender todos los leds. Si así te funcionan, el problema está en el .json (tiene algún error o configuración incorrecta) o no está en la ruta correcta. Si tampoco te funcionan y estando sólo esos pocos leds encendidos, es probable que algún led o leds estén dañados. En este caso la forma más simple de saber cuál falla es conectar los cables de datos (Data y Clock) que van desde la Pi hasta la tira en otros puntos más adelante del inicio de la tira (la alimentación la puedes dejar conectada al inicio de la misma). Por ejemplo, conectas los cables de datos a la entrada del led 10 contando desde el inicio, y compruebas si ya te funcionan (aunque el total de leds ahora no coincida con los que hay, al menos verás los efectos). Si te funcionan, desueldas los cables y los conectas al anterior led (al nº 9 en este ejemplo), y repites las pruebas, así hasta que llegues al led desde el que ya no te funcione. Ése será el 'culpable'... lo eliminas de la tira, sueldas los cables al inicio de lo que resta y configuras el .json para el nuevo número de leds disponibles.
Adrii303 escribió:Vale, he avanzado algo con vuestros consejos, consigo que se iluminen todos los leds al encender haciendo el arco iris. Pero luego se apagan y no vuelven a iluminarse cuando hay un vídeo. He conectado desde hypercon y poniendo los colores me los envía pero no corresponde con el color que le he puesto.
Edito: lo de los colores ha sido porque mis leds son RBG. Pero lo de que cuando acaba de hacer el arcoiris se apagan y no se encienden con los vídeos aún no le encuentro solución



¿Qué imagen utilizas en la RPi?
Eso pasa usualmente porque el archivo config no está en el lugar adecuado
-ice- escribió:
Adrii303 escribió:Vale, he avanzado algo con vuestros consejos, consigo que se iluminen todos los leds al encender haciendo el arco iris. Pero luego se apagan y no vuelven a iluminarse cuando hay un vídeo. He conectado desde hypercon y poniendo los colores me los envía pero no corresponde con el color que le he puesto.
Edito: lo de los colores ha sido porque mis leds son RBG. Pero lo de que cuando acaba de hacer el arcoiris se apagan y no se encienden con los vídeos aún no le encuentro solución



¿Qué imagen utilizas en la RPi?
Eso pasa usualmente porque el archivo config no está en el lugar adecuado

Ya lo he conseguido solucionar y funciona perfectamente. Algunos colores no me los reproduce del todo bien y los bordes negros a veces no se los come y no me saca color por ahí. En cuanto a eso, como se les puede dar más intensidad a los leds para que luzcan más?
Adrii303 escribió:
-ice- escribió:
Adrii303 escribió:Vale, he avanzado algo con vuestros consejos, consigo que se iluminen todos los leds al encender haciendo el arco iris. Pero luego se apagan y no vuelven a iluminarse cuando hay un vídeo. He conectado desde hypercon y poniendo los colores me los envía pero no corresponde con el color que le he puesto.
Edito: lo de los colores ha sido porque mis leds son RBG. Pero lo de que cuando acaba de hacer el arcoiris se apagan y no se encienden con los vídeos aún no le encuentro solución



¿Qué imagen utilizas en la RPi?
Eso pasa usualmente porque el archivo config no está en el lugar adecuado

Ya lo he conseguido solucionar y funciona perfectamente. Algunos colores no me los reproduce del todo bien y los bordes negros a veces no se los come y no me saca color por ahí. En cuanto a eso, como se les puede dar más intensidad a los leds para que luzcan más?


Primero en la pestaña SSH de HyperCon, te conectas con la Pi. Y después en la pestaña Process tienes básicamente dos parámetros que afectan al brillo e intensidad del color: Saturation Gain y Luminance Gain. Marca la casilla que pone "Send Continuos" para que los cambios que hagas aquí se envíen continuamente a la Pi, y prueba a variar los dos parámetros que te digo. Yo, por ejemplo, tengo el primero en 2.8, y el segundo (Luminancia) en 5, pero el valor correcto depende de la iluminación ambiente, el color de la pared trasera de la TV y de la temperatura de color de la tira, por lo que puede que no sean los mejores para tu caso particular.

Una vez tengas ajustado a tu gusto el brillo y la saturación del color, generas el .json de nuevo para disponer de una copia en Tu PC y se lo envías a la Pi desde la pestaña SSH.
popy5 escribió:
Adrii303 escribió:
-ice- escribió:

¿Qué imagen utilizas en la RPi?
Eso pasa usualmente porque el archivo config no está en el lugar adecuado

Ya lo he conseguido solucionar y funciona perfectamente. Algunos colores no me los reproduce del todo bien y los bordes negros a veces no se los come y no me saca color por ahí. En cuanto a eso, como se les puede dar más intensidad a los leds para que luzcan más?


Primero en la pestaña SSH de HyperCon, te conectas con la Pi. Y después en la pestaña Process tienes básicamente dos parámetros que afectan al brillo e intensidad del color: Saturation Gain y Luminance Gain. Marca la casilla que pone "Send Continuos" para que los cambios que hagas aquí se envíen continuamente a la Pi, y prueba a variar los dos parámetros que te digo. Yo, por ejemplo, tengo el primero en 2.8, y el segundo (Luminancia) en 5, pero el valor correcto depende de la iluminación ambiente, el color de la pared trasera de la TV y de la temperatura de color de la tira, por lo que puede que no sean los mejores para tu caso particular.

Una vez tengas ajustado a tu gusto el brillo y la saturación del color, generas el .json de nuevo para disponer de una copia en Tu PC y se lo envías a la Pi desde la pestaña SSH.

Perfecto, creo que ya lo tengo ajustado casi perfectamente. Muchísimas gracias por todo.
Sin duda una muy buena guía y muy bien explicada. Un saludo y gracias de nuevo
@popy5 muchas gracias, pues no me deja utilizar la app de hyperiond en el movil.
Es mas por ejemplo entro con putty a la Pi y no me deja ni utilizar el comando killall hyperiond para poder apagar los 4 o 5 leds aleatorios que se encienden y me dice que no puede realizar esa accion.
¿Seguramente sea que tenga un led fundido, no?
Prefiero comprobar que no sea un fallo en el software, antes de ponerme a desoldar leds de la tira, pero tiene toda la pinta que sea un led fundido.
carli12 escribió:@popy5 muchas gracias, pues no me deja utilizar la app de hyperiond en el movil.
Es mas por ejemplo entro con putty a la Pi y no me deja ni utilizar el comando killall hyperiond para poder apagar los 4 o 5 leds aleatorios que se encienden y me dice que no puede realizar esa accion.
¿Seguramente sea que tenga un led fundido, no?
Prefiero comprobar que no sea un fallo en el software, antes de ponerme a desoldar leds de la tira, pero tiene toda la pinta que sea un led fundido.

¿Qué versión del SO has instalado? ¿OpenElec?

Normalmente si no se conecta remotamente desde la app de Android se debe a que la IP y/o puerto que has puesto no son los correctos, o bien directamente porque Hyperion no está funcionando (y de ahí también el error que te da desde Putty).

Si Hyperion no está funcionando, no responderá ni desde el móvil, ni desde Putty (lo puedes lanzar manualmente desde ahí... mira la secuencia que hay que enviarle en el tutorial de la wiki) ni tampoco te responderá desde la pestaña de SSH de HyperCon. Por eso primero asegúrate de que efectivamente está en ejecución y después ya puedes hacer las pruebas antes de intentarlo desoldando leds.
@popy5 pues finalmente fue por un led fundido que estaba dando fallo, ya está cambiado y funcionando perfectamente. Espero que no vuelva a ocurrir aunque de 200 leds que falle uno es normal jajajja. Muchas gracias por todo.

Una pregunta, ¿existe alguna forma de hacer un ambilight por toda la habitación? La historia sería comprar una bombilla wifi que venden por unos 16 euros y que hyperion pudiera controlarla.
Eso se puede hacer?
No se si habrá otro método pero sería interesante.
Con una única bombilla led que se pudiese controlar desde Hyperion, realmente no conseguirías un buen efecto de ambilight porque, aún en el caso de que fuese compatible, sólo mostraría el efecto de una zona de la pantalla. Por tanto en cada momento, solo verías un color y dificilmente lo asociarías con lo que estuvieses viendo en la TV.

Hasta donde sé no hay bombillas compatibles con el ambilight basado en la RB Pi e Hyperion. Pero con un poco de trabajo electrónico tampoco sería demasiado difícil. Así de pronto se me ocurre que tendrías que abrir la lámpara "ambilight" y puentear el control del led RGB para que, desde un chip WS2801 estándar, y usando de por medio tres drivers (porque el chip WS2801 no va ser capaz de controlar la corriente tan grande del led rgb de la lámpara), regular el led. Básicamente tendrías que cortar un trozo de tira de leds WS2801 de un solo led para "integrarlo" dentro de la lámpara. Lo desueldas y mediante drivers (a lo mejor ni hacen falta si la lámpara tiene puntos de "control" compatibles), los conectas a cada uno de los tres canales R, G y B. Claro que la lámpara tendría que estar conectada mediante cables a la Pi, y habría que analizar con cuidado cómo se alimenta el led de la misma, porque la fuente interna igual no está completamente aislada de la red, con el peligro que supondría tocar en este caso la Pi y restantes componentes.

Eso sí, si te funcionase, podrías controlar la lámpara desde el móvil con la app de Hyperion, pero en el mercado ya hay controladores que hacen básicamente eso y se controlan por wifi, aunque no con Hyperion (que yo sepa).
En teoria se pueden usar bombillas Philips Hue con Hyperion
https://hyperion-project.org/wiki/PhilipsHue-Device
De todas formas o las tienes puestas cerca de la tele o el efecto desluciria bastante.
Pues iré mirando. Lo más fácil es con lo de las bombillas de Philips pero también lo mas caro.
El ligthpack 2 tiene unas bombillas controladas por bluetooth aunque no me gusta mucho el efecto que da porque apenas se iluminan, además de que cuestan 50 euros cada una.
Lo suyo sería con las Xiaomi Yeelight que están por unos 15 euros y las he visto de oferta hasta por 9 euros.
Estudiaré más el tema y si consigo algo lo posteo por aquí.
Buanas shurs, el otro día me dio por poner unos led detras de la tele, sin ningun tipo de sistema mas que cambiar el color con un mando [+risas] , y la verdad que me ha parecido bastante chulo.

Leyendo el OP veo que el sistema "menos coñazo" para jugar con la consola, o consumir contenido directamente desde la TV es el SCIMO.

Alguien me puede dar mas datos sobre él? Si se sigue pudiendo comprar, como contactar con el vendedor, precio aproximado... Muchas gracias.

Edit: Acabo de ver también lo de DreamScrean, menudo lio tengo ahora mismo [carcajad]
darksolidus escribió:Buanas shurs, el otro día me dio por poner unos led detras de la tele, sin ningun tipo de sistema mas que cambiar el color con un mando [+risas] , y la verdad que me ha parecido bastante chulo.

Leyendo el OP veo que el sistema "menos coñazo" para jugar con la consola, o consumir contenido directamente desde la TV es el SCIMO.

Alguien me puede dar mas datos sobre él? Si se sigue pudiendo comprar, como contactar con el vendedor, precio aproximado... Muchas gracias.

Edit: Acabo de ver también lo de DreamScrean, menudo lio tengo ahora mismo [carcajad]





Si buscas por SCIMO en Google, lo primero que te aparece es la página del diseñador del mismo, y en ella un enlace a una tienda que lo comercializa. Entiendo que ahora ya no lo hace él directamente, sino a través de la mencionada tienda... pero nada mejor que enviarle un correo y preguntarle.

Tienda (SCIMO)

Los precios en la tienda incluyen el IVA (alemán, supongo) pero no los portes. Además hay tres versiones de SCIMO y la más completa es la versión HDMI. Y es también la más cara: 215€ + portes. La versión HDMI por lo que veo no incluye los leds, pero sí los restantes componentes (fuente de alimentación, cables, adaptadores, etc). La versión más básica sólo incluye la placa principal, pero ninguno de los cables, conversores o la fuente. En cuanto a los leds que necesita, pues por suerte son de los más baratos: WS2812B.

Si quieres ver cuántos leds necesitarás en función del tamaño de la TV y de la densidad de leds/m, qué fuente se recomienda y cómo se conectan, en este enlace tienes toda la información: http://www.keiang.de/Content-pid-56.html

SCIMO captura las señales de vídeo en formato S-Vídeo (y por eso necesita conversores de otros formatos a S-Vídeo), mientras de la Dreamscreen captura directamente en HDMI, y podrás o no necesitar otros convertidores en función del formato de la señal que desees capturar.

Por lo demás, es cuestión de hacer números: verás que es más barata la Dreamscreen, y además ya incluye los leds, dispone de una app para el móvil (desconozco si SCIMO tiene algo similar), etc.
popy5 escribió:
darksolidus escribió:Buanas shurs, el otro día me dio por poner unos led detras de la tele, sin ningun tipo de sistema mas que cambiar el color con un mando [+risas] , y la verdad que me ha parecido bastante chulo.

Leyendo el OP veo que el sistema "menos coñazo" para jugar con la consola, o consumir contenido directamente desde la TV es el SCIMO.

Alguien me puede dar mas datos sobre él? Si se sigue pudiendo comprar, como contactar con el vendedor, precio aproximado... Muchas gracias.

Edit: Acabo de ver también lo de DreamScrean, menudo lio tengo ahora mismo [carcajad]





Si buscas por SCIMO en Google, lo primero que te aparece es la página del diseñador del mismo, y en ella un enlace a una tienda que lo comercializa. Entiendo que ahora ya no lo hace él directamente, sino a través de la mencionada tienda... pero nada mejor que enviarle un correo y preguntarle.

Tienda (SCIMO)

Los precios en la tienda incluyen el IVA (alemán, supongo) pero no los portes. Además hay tres versiones de SCIMO y la más completa es la versión HDMI. Y es también la más cara: 215€ + portes. La versión HDMI por lo que veo no incluye los leds, pero sí los restantes componentes (fuente de alimentación, cables, adaptadores, etc). La versión más básica sólo incluye la placa principal, pero ninguno de los cables, conversores o la fuente. En cuanto a los leds que necesita, pues por suerte son de los más baratos: WS2812B.

Si quieres ver cuántos leds necesitarás en función del tamaño de la TV y de la densidad de leds/m, qué fuente se recomienda y cómo se conectan, en este enlace tienes toda la información: http://www.keiang.de/Content-pid-56.html

SCIMO captura las señales de vídeo en formato S-Vídeo (y por eso necesita conversores de otros formatos a S-Vídeo), mientras de la Dreamscreen captura directamente en HDMI, y podrás o no necesitar otros convertidores en función del formato de la señal que desees capturar.

Por lo demás, es cuestión de hacer números: verás que es más barata la Dreamscreen, y además ya incluye los leds, dispone de una app para el móvil (desconozco si SCIMO tiene algo similar), etc.


Muchas gracias, lo voy a mirar todo bien XD
Yo ando pensando en pillar uno y de momento gana el Dreamscreen parece bastante sencilla la instalación, alguien sabe sq tipo de envío o agencia realizan?? (Por el tema aduana)
A día de hoy cual recomendais para entradas hdmi que se barato y sencillo?Gracias
popy5 escribió:@daibby:
Uno de los tutoriales 'sencillos' que puedes seguir es éste:

Extreme Ambilight System using WS2801 + Arduino Uno

Básicamente necesitas leds del tipo Ws2801, una placa arduino uno, una fuente de alimentación de 5V de suficiente potencia para alimentar todo (leds + arduino) y, en el PC, Ambibox como software de control (la otra alternativa es Prismatik). La conexión entre el arduino y el PC la haces mediante un cable USB.

Hay otros tutoriales que emplean otro tipo de leds como los WS2811/Ws2812 y variantes, y que son muy similares en la práctica. La diferencia fundamental entre los WS2801 y los otros -además del precio-, es que los segundos son controlados mediante señales PWM y requieren una sincronización estricta de las señales (al carecer de una señal de reloj independiente), pero los arduinos son capaces de hacerlo sin problemas (no así las RBPi 2/3).

Los enlaces de descarga de todos los ficheros y librerías necesarios los tienes en el propio documento que te enlazo.

De todas formas, si es la primera vez que tocas un arduino y que has usado el soldador, revisa muy bien las conexiones que has hecho. Comprueba si efectivamente los 5V llegan tanto a los leds como al arduino, y que la polaridad de la alimentación es correcta. También ten en cuenta que los cables de alimentación usados para los leds deben ser de la sección adecuada para la máxima corriente estimada que consuman (lo normal es un consumo de unos 60mA por led).

Una vez hechas y verificadas las conexiones, lo que puede darte problemas es por un lado el sketch y librerías para el arduino (usa las de la página anterior o, si alguno de los usuarios de este foro que ya lo han montado, las librerías y sketchs que ellos recomienden), y por otro, la configuración correcta de Ambibox. Un skecth no correcto o no haber instalado correctamente las librerías en el IDE de Arduino pueden ser una de las causas más normales de que no te funcione. Con respecto a Ambibox, la última versión que hay publicada es la v2.1.7, y la tienes disponible en este enlace.

Si además quieres usar los efectos de ambilight con juegos bajo DirectX 9/10/11 o con capturas a pantalla completa, vas a necesitar instalar PlayClaw. Pero mejor céntrate primero en hacer que te funcione lo más básico antes de meterte en más líos [ginyo]

Acerca de la configuración de Ambibox una de las primeras cosas que debes hacer, además de haberte creado uno o más perfiles, es configurar el puerto en el que tienes conectado tu Arduino. Vete al Administrador de dispositivos o al Panel de control de Windows para saber en qué puerto COM tienes conectado el arduino. Toma nota del mismo porque lo vas a necesitar a continuación. Si ahí no ves tu arduino cuando efectivamente está pinchado, revisa bien si Windows lo ha detectado correctamente (pínchalo en otro puerto USB si fuese necesario). En el peor de los casos, podría tratarse de un arduino que emplease un chip 'clónico' de comunicaciones del tipo FT232 (para comunicaciones serie-USB) y que, dependiendo de la versión del driver que haya instalado Windows para comunicarse con él, haya quedado 'inutilizado' por el propio driver. No es un problema irresoluble, pero te puede traer de cabeza hasta dar con la solución. Si es éso lo que finalmente te pasa, en su día puse en este mismo hilo cómo se resolvía. Pero voy a suponer que Windows sí te detecta el arduino.

Una vez lanzas Ambibox, en la barra de tareas te aparecen dos iconos de la aplicación. Con el botón derecho sobre cualquiera de ellos elige 'Show' para que te muestre la ventana del configurador. En la parte izquierda haz click sobre el icono que pone 'Intelligent Backlight display', y en la parte derecha de la ventana, en la pestaña 'Profiles' verás abajo -sobre el botón Exit- que hay botón otro que dice 'More Settings'. Púlsalo y ya verás que te aparecen las opciones más importantes para configurar correctamente el montaje:

- el puerto COM en la que está tu arduino pinchado
- el tipo de leds que físicamente hayas conectado
- el orden de colores de la tira de leds (RGB, RBG, etc)

Ahora debes configurar la disposición de los leds. Pulsa sobre el botón 'Show areas of capture' y te aparecerán sobreimpresas en la pantalla las zonas -que se deben corresponder con los leds físicamente instalados-. Luego pulsa sobre 'Wizard capture zones' y te mostrará la pantalla de configuración que afecta a tu montaje: nº de leds horizontales y verticales, offsets, overlapping, sentido de colocación, relación de aspecto, etc. Pero que en la práctica sólo tienes que poner cuántos leds has instalado en cada lateral y el sentido que siguen los leds (horario o antihorario). Todos estas configuraciones las puedes volver a cambiar en cualquier momento si no son las correctas. No te olvides de grabar todos los cambios en el perfil activo pulsando sobre el botón inferior 'Save Settings'.

De cualquier forma, el propio Ambibox en la parte inferior de la pantalla de configuración ya te indica si detecta o no el arduino. Si te muestra lo de 'Device status: not connected' es que no encuentra el arduino en el puerto que has configurado.

Finalmente verás que hay mucho donde 'tocar' en Ambibox, como por ejemplo el modo de trabajo: Screen capture, Static backgroud, Dymamic background, Color music, etc. Lo ideal, en especial al inicio cuando lo que quieres es comprobar que te detecte el arduino y que funcionen los leds, es elegir el modo Static background, lo que te permite seleccionar el color estático que mostrarán todos los leds. Cuando consigas cambiar ahí el color y que al elegir cualquier otro veas que los leds responden en consonancia, ya tienes prácticamente todo hecho. Si los leds cambian de color pero el mismo es incorrecto, cambia el orden de los colores hasta dar con el adecuado.

Hola de nuevo popy5, ya me llegó la fuente de alimentación nueva de 10A, al conectar y seguir al pie de la letra el tuto, te cuento:
Con el steck LEDstream al meterlo en el arduino se iluminan los tres colores rojo/verde/azul con intensidad, luego al instalar ámbitbox igual pero los leds no se quedan quietos pasan ser un color a otro, leí q había que hacerlo entonces con otro steck.
Instalo Steck LEDstream_LPD8806, no hace el juego de colores, al abrir ámbibox se encienden en blanco más o menos,configuro todo e intento en estático cambiar color, no coincide nada y todo con unos colores sin color fuerte, lo q si me he dado cuenta es que seleccionó un color y en el lado en la barra q hace que el color pase de más fuerte a más claro, al moverlo en los leds se nota el cambio de intensidad, por lo q me imagino q esta detectando bien los leds, si el juego de color sale bien y con un color intenso Bueno, las conexiones esta n bien No?? Me estoy volviendo loco ya no se que más hacer he probado todo lo que veo pero no hay manera, algo se me está pasando y no se que es. Bueno a ver si alguien q utilicé arduino se aliada de mi y lo logramos resolver. Gracias de antemano
@HEAVEN
HEAVEN escribió:A día de hoy cual recomendais para entradas hdmi que se barato y sencillo?Gracias


Básicamente todo depende de si te gusta el cacharreo o quieres ya una solución sin romperte la cabeza.

Si te va lo de andar cacharreando y probando cosas, pues de cabeza con alternativa que aquí proponemos con la RB Pi o incluso con arduino, etc.

Si no quieres complicaciones, en este caso yo me decantaría por el Dreamscreen o por Ambivision. A la primera de las alternativas sólo necesitas añadirle un switch HDMI a la entrada para seleccionar más cómodamente la señal a capturar (siempre que uses más de una), es compacto y no creo que, salvo la colocación de los leds, se complique demasiado. La ventaja principal que le veo es que, además de ser muy compacto, captura directamente en HDMI.

La segunda alternativa captura en formato VGA, por lo que tienes que añadirle el o los correspondientes conversores de señal. Si solo necesitas entrada en formato HDMI, al kit básico (sobre 130$ para una TV de 42 o 43") tendrás que añadirle el conversor de HDMI a VGA que sale por 35$, o 55$ si necesitas HDMI 4K. No sé si incluyen impuestos y cuánto saldrían los portes, y tampoco si te sale a cuenta en caso de tener que pagar aduanas, como en el caso del Dreamscreen.

Finalmente también tienes SCIMO, pero quizás sea la alternativa más cara de todas una vez que le añades los convertidores de HDMI a SVídeo, los leds -que no vienen incluidos en el pack-, etc.



@daibby
daibby escribió:Hola de nuevo popy5, ya me llegó la fuente de alimentación nueva de 10A, al conectar y seguir al pie de la letra el tuto, te cuento:
Con el steck LEDstream al meterlo en el arduino se iluminan los tres colores rojo/verde/azul con intensidad, luego al instalar ámbitbox igual pero los leds no se quedan quietos pasan ser un color a otro, leí q había que hacerlo entonces con otro steck.
Instalo Steck LEDstream_LPD8806, no hace el juego de colores, al abrir ámbibox se encienden en blanco más o menos,configuro todo e intento en estático cambiar color, no coincide nada y todo con unos colores sin color fuerte, lo q si me he dado cuenta es que seleccionó un color y en el lado en la barra q hace que el color pase de más fuerte a más claro, al moverlo en los leds se nota el cambio de intensidad, por lo q me imagino q esta detectando bien los leds, si el juego de color sale bien y con un color intenso Bueno, las conexiones esta n bien No?? Me estoy volviendo loco ya no se que más hacer he probado todo lo que veo pero no hay manera, algo se me está pasando y no se que es. Bueno a ver si alguien q utilicé arduino se aliada de mi y lo logramos resolver. Gracias de antemano


Si no has probado el sketch del tutorial que te enlacé, prueba con el que ahí se recomienda:

Adalight_Fastled_ws2801.rar

Aunque menciona que es el sketch de Adalight, está modificado pero según el autor del tutorial, funciona suave y sin problemas.

Recuerda que en el IDE de arduino debes importar la correspondiente librería FastLED si no lo has hecho ya:

FastLED Library Downlaod

En este enlace tienes resumidos todos los pasos que debes seguir para su correcta configuración:

FastLED Basic usage

Edita el sketch de arduino y adáptalo a tu caso particular. Al inicio del archivo .ino tendrás que especificarle el número de leds, los pines a usar, el nivel máximo de brillo y la velocidad de las comunicaciones. Salvo el número de leds que debe ser el que físicamente tengas instalados, los restantes valores déjalos por defecto inicialmente. La misma velocidad de las comunicaciones debes configurar en el IDE de arduino (por defecto es 115200bps). Por último envía el sketch al arduino.

Ya en Ambibox, comprueba además lo siguiente:

- Configura tu tira de leds (casilla Device dentro de Intelligent Display > Profiles) como Adalight, y ponle el mismo puerto de comunicaciones que antes configuraste en el IDE de arduino (debe ser aquel en el que te detecte tu PC al arduino cuando lo pinchas).
- Configura el nº de leds, tipo de la tira (RGB, BRG,...), etc.

Con esto ya debería funcionar si las conexiones son correctas, como parece deducirse de las pruebas que has hecho. Puede que necesites cambiar el orden de los colores de la tira, pero al menos debería ya responder desde Ambibox. Como método de captura en Ambibox selecciona Windows 8 (incluso bajo Windows 10).
Bueno, pues ya me llego todo y soy totalmente incapaz de que funcione, llevo todo el fin de semana dandole vueltas al tema y ya no se que mirar....y lo peor de todo que no tengo una idea de si es problemas de hard o el software....
he probado de todo en soft...con la version 2014 de Hypercon y puzzi y filezilla....con la version del 2016, he tenido problemas con el puerto de jason....pero creo que todo eso lo he solucionado....
....con respecto al hardware, he repasado todas la soldaduras 2 veces, suprimido regletas y enganches inncesarios....tengo un pi 3b...creo que he conectado muy bien en el GPio.....ya no se que hacer...

Hay una cosa que me tiene mosca....en la tira, las lineas centrales CK/SI...no me dan continuidad, supongo que tiene que ser así...pero por si acaso....

....el unico efecto que he conseguido...es que unas veces se me encienden unicamente los primeros 5 leds....otras veces dos y otras veces solo el primero....en una ocasión se me ha encendido el primero de la primera tira y el primero de la ultima....

....a ver si se os ocurre alguna cosa que pueda probar.
scesar escribió:Bueno, pues ya me llego todo y soy totalmente incapaz de que funcione, llevo todo el fin de semana dandole vueltas al tema y ya no se que mirar....y lo peor de todo que no tengo una idea de si es problemas de hard o el software....
he probado de todo en soft...con la version 2014 de Hypercon y puzzi y filezilla....con la version del 2016, he tenido problemas con el puerto de jason....pero creo que todo eso lo he solucionado....
....con respecto al hardware, he repasado todas la soldaduras 2 veces, suprimido regletas y enganches inncesarios....tengo un pi 3b...creo que he conectado muy bien en el GPio.....ya no se que hacer...

Hay una cosa que me tiene mosca....en la tira, las lineas centrales CK/SI...no me dan continuidad, supongo que tiene que ser así...pero por si acaso....

....el unico efecto que he conseguido...es que unas veces se me encienden unicamente los primeros 5 leds....otras veces dos y otras veces solo el primero....en una ocasión se me ha encendido el primero de la primera tira y el primero de la ultima....

....a ver si se os ocurre alguna cosa que pueda probar.



Lo de que las líneas CK y SI no te den continuidad es normal... son líneas de datos que entran al primer chip de la tira, y vuelven a salir (los datos) por otros dos pines diferentes que van conectados a su vez a las entradas del siguiente.

Si has revisado todo y está aparentemente correcto, puedes tener algún led (chip) dañado, y no podrán enviarse los datos en serie a los restantes leds. De todas formas, revisa que efectivamente has conectado los pines del GPIO de la Pi a la entrada de datos de la tira y no en la salida (sigue el sentido de la flechita).

Yo he probado la Pi 3 con la imagen de OpenELEC beta 3 que puedes descargar de la web de Lightberry, y funciona sin problemas pinchando las líneas correctas del GPIO... Pines 19, 23 y masa (pin 6 creo recordar). Prueba también a intercambiar los cables que desde el GPIO van hacia la entrada de la tira, es decir, el cable que ahora va al pin 19 del GPIO enchúfalo al pin 23, y viceversa. La imagen anterior ya trae preinstalado Hyperion, por lo que no necesitas instalarlo manualmente. Luego, una vez que consigas que te funcione, ya podrás cambiar el SO a otro más de tu gusto.

Si estás usando un convertidor de niveles de 3.3V a 5V entre el GPIO y la tira de leds, prueba a puentearlo o desenchufarlo y conectar directamente las señales del GPIO a la entrada de la tira. Recuerda que si usas una fuente de 5V para los leds y otra independiente para la Pi, debes conectar las líneas de masa de ambas fuentes entre sí.

Usa la última versión de HyperCon para crear el .json personalizado y también para comunicarte con la Pi. Comprueba que el tipo de leds que realmente tienes es el que has configurado en el .json creado con HyperCon. Y que has copiado el .json mediante Filezilla o mejor desde la pestaña SSH de HyperCon en la ruta correcta de la Pi (la ruta depende del SO que hayas instalado).

Si has añadido el código para la capturadora externa, inicialmente puedes eliminarlo hasta que compruebes que efectivamente ya te funciona con lo que reproduzcas desde la Pi, y sobre todo, que te hace los efectos iniciales de arcoiris.

El que no funcione puede deberse a muchas causas:

- puedes tener algún led/chip mal, como te comenté
- has configurado un tipo de leds y/o una velocidad de comunicaciones incorrecta en el .json
- no has copiado el .json a la ruta correcta, o puede ser que el archivo .json esté corrupto
- Hyperion no está trabajando cuando arrancas la Pi (abre una sesión con Putty y compruébalo 'matando' Hyperion con killall hyperiond... si da error es que no estaba iniciado).
- puedes tener dañado el conversor de 3.3V a 5V (si lo usas), o estar incorrectamente conectado
- si tienes dos fuentes de alimentación, que la masa no sea común a ambas
- has conectado la tira al contrario (por la salida) o tienes invertidas las conexiones de CK y SI.
- la fuente de alimentación de los leds y/o de la Pi no tiene suficiente potencia para alimentar el sistema
- el GPIO de la Pi está dañado... Mide la tensión en los pines de 3.3V y 5V del GPIO con respecto a masa. Si el de 3.3V (es el pin 1) te da un valor muy diferente, probablemente el regulador de 3.3V haya muerto, o alguno de los fusibles de protección, o en el peor de los casos, el GPIO esté irremediablemente dañado.

Comprobar el GPIO no es fácil con un multímetro, pero tras arrancar la Pi, algunos pines del mismo quedan configurados a determinado nivel, por lo que si en un pin que queda configurado como entrada y debería mantener un nivel alto (por la resistencia de pull-up que algunas entradas incorporan internamente) mides un valor muy diferente de 3.3V, yo empezaría sospechar.

De cualquier forma, medir los niveles de tensión de los pines del GPIO debe hacerse sin nada conectado al mismo, y extremando las precauciones con las puntas del multímetro... es fácil que por error hagamos un corto entre dos pines con la punta del multímetro, y nos podemos cargar el GPIO. Es mejor usar un cable conectado al pin del GPIO que deseamos medir, y conectar el otro extremo del mismo a la punta del multímetro (la otra punta del multímetro, la de color negro, a masa).

Si todas las comprobaciones anteriores te dejan como única opción sospechar del estado del GPIO, busca por WiringPI:

https://projects.drogon.net/raspberry-pi/wiringpi/the-gpio-utility/

Es una librería que permite trabajar con el GPIO, y entre algunas de las utilidades que trae, hay una llamada GPIO utility que te permite leer el valor de todos los pines del GPIO. Ojo porque WiringPi no lo puedes instalar bajo OpenElec. Tendrás que usar una imagen de Raspbian por ejemplo, e instalarlo ahí. Luego ejecutas el comando 'gpio readall', y te mostrará el estado (alto o bajo) de cada uno de los pines del GPIO. Elige uno de los pines que aparezca configurado como salida (hay varios, consulta el pinout de la RB Pi 3) pero que no sea de los que dispone de resistencia de pull-up. Por ejemplo, el 19 o el 23, que corresponden a los que usarás en ambilight. Mira el valor que te da... debería ser un '0' o valor bajo. Ahora vas a forzarle a que se ponga a nivel alto con el comando 'gpio write <pin> 1' (sustituyendo el valor de <pin> por el número de pin de la salida que has elegido). Ahora ejecutas de nuevo el comando 'gpio read <pin>' (como antes reemplazas <pin> por el de tu salida en concreto).
Si el GPIO está funcionando, el valor de leído debería haber cambiado a nivel alto (o bajo, según lo que le hayas indicado en el comando write, que puede ser 0 o bien 1). Si no ha cambiado, prueba con otros pines diferentes haciendo lo mismo: primero lo configuras como salida si no lo es y lees su estado ('gpio read <pin>'); si es alto, lo fuerzas a nivel bajo (o al contrario: 'gpio write <pin> 0/1'). Y lees de nuevo el estado del pin. Si cambió, enhorabuena, ese pin del GPIO funciona. Pero si no cambió, pues despídete de GPIO porque no tienen arreglo.

A ver si consigues ir descargando posibles causas y lo arreglas. Suerte!
Pues muchas gracias, probare en unos dias, porque muy mucho me temo que me he cargado la raspberry y necesitare unos dias para comprar otra.....que desastre....de tanto probar y comprobar.....creo en un despiste, he metido mal los conectores en el gpio...
...he metido el 17 en el 23 y el 19 en el 21 y viceversa..... [snif] [snif] [snif] [snif] [snif] [snif] [snif] cawento cawento cawento cawento cawento cawento cawento cawento
scesar escribió:Pues muchas gracias, probare en unos dias, porque muy mucho me temo que me he cargado la raspberry y necesitare unos dias para comprar otra.....que desastre....de tanto probar y comprobar.....creo en un despiste, he metido mal los conectores en el gpio...
...he metido el 17 en el 23 y el 19 en el 21 y viceversa..... [snif] [snif] [snif] [snif] [snif] [snif] [snif] cawento cawento cawento cawento cawento cawento cawento cawento



El pin 17 es, junto con el 1, de alimentación de 3.3V. El 21 es una entrada, por lo que si la has conectado por error a la tira en CK o DI, no debería haber pasado nada. Incluso el pin 17, aún siendo de 3.3V continuos, si lo conectaste a CK o a DI, tampoco debería haber causado problemas en la tira, ya admiten hasta 5V. Pero si el pin 17 del GPIO lo llevaste por error a otros pines del GPIO o a masa (incluso a través del convertidor de 3.3V a 5V si lo tienes), es muy probable que, sin una resistencia limitadora de corriente, se haya superado la intensidad máxima admisible, que para el pin 17 ronda los 50mA aprox. Los restantes pines de entrada/salida del GPIO admiten o suministran mucha menos corriente que esos 50mA.

Mide el voltaje entre el pin 1 y masa (o entre el pin 17 y masa) del GPIO. Debería rondar los 3.3V. Si tienes un valor de cero o muy bajo, como primera opción se habrá dañado el regulador de 3.3V que alimenta a todo el bus. Aún en esta circunstancia, el GPIO puede estar ok, pero sin la alimentación de 3.3V no funcionará. Si tienes una fuente de 3.3V disponible prueba a conectarle la masa o el polo negativo a la masa de la Pi, y el polo positivo de 3.3V, al pin 1, y prueba a ver si así funciona el GPIO. Si no tienes una fuente de 3.3, para las pruebas con dos pilas de 1.5V en serie es suficiente.

Si con la alimentación externa de 3.3V (o de 3V con las pilas), te funciona, pues lo resuelves añadiendo esa fuente al montaje final (o reemplazando el regulador de la Pi y/o el fusible que suministraba los 3.3V). Si con la fuente externa no te funciona, yo tiraría de garantía ;).
creo que le he metido 5 v (no tengo convertidor) al 23 y al 5 (confundi las filas)....el voltaje entre el 17 y masa y el 1 y masa es entre 1.5 y 1.6 voltios.....mañana pruebo lo de la fuente de 3.3, a ver si tengo alguna por ahí....

....si te he entendido bien, si lo conecto con la de 3.3...le estaré metiendo energia a la pi suficiente para que funcione, prescindiendo del USB....de manera que por ejemplo conectaria a esa fuente de 3.3 el uno y el 14 por ejemplo....dejando 6/17/19/23 para el lightberry ....no???.....todo funcionaria....

....me entra la duda si en ese caso, el convertidor seria necesario....o sigue dando lo mismo.....
scesar escribió:creo que le he metido 5 v (no tengo convertidor) al 23 y al 5 (confundi las filas)....el voltaje entre el 17 y masa y el 1 y masa es entre 1.5 y 1.6 voltios.....mañana pruebo lo de la fuente de 3.3, a ver si tengo alguna por ahí....

....si te he entendido bien, si lo conecto con la de 3.3...le estaré metiendo energia a la pi suficiente para que funcione, prescindiendo del USB....de manera que por ejemplo conectaria a esa fuente de 3.3 el uno y el 14 por ejemplo....dejando 6/17/19/23 para el lightberry ....no???.....todo funcionaria....

....me entra la duda si en ese caso, el convertidor seria necesario....o sigue dando lo mismo.....



Si al pin 23 y al 5 le has metido 5V, el GPIO está muerto ya que cuando configuras un pin como entrada, lo máximo que soporta es 3.3V. No están protegidas ante tensiones superiores a ese valor. Y si entre el pin 1 y masa tienes 1.5...1.6V, definitivamente el regulador de 3.3V de la Pi está dañado. Y como las entradas/salidas del GPIO van directas al chip BCM, al haberle conectado 5V, está definitivamente muerto.

Si entre el pin 2 y el 4 con respecto a masa tienes 5V, a lo mejor el resto de la Pi funciona. En este caso, te sigue sirviendo como centro multimedia o para instalarle Raspbian, etc, pero ya no podrás usarla para controlar el ambilight. Trata de accionar la garantía, a ver si hay suerte.

En este enlace tienes detalles acerca del subsistema de alimentación en las RB Pi. Internamente a partir de los 5V del conector miniUSB, se obtienen las diversas tensiones que necesitan los chips: 3.3V, 2.5V y 1.8V, cada una de ellas a partir de su propio regulador. Si sólo se hubiese dañado el regulador de 3.3V, aún tendría solución reemplazándolo por otro igual o equivalente (o eliminando el chip dañado, con una fuente de 3.3V externa), pero me temo que si los 5V han llegado a las entradas/salidas del GPIO, el chip asociado esté muerto.
[sonrisa] [sonrisa] [sonrisa]

como diria gila...me estoy gastando pasta, pero lo que estoy aprendiendo¡¡¡¡¡¡ [looco] [looco] [looco]

...despues de una exhaustiva investigación lo que hice es meterle 5 voltios al 23 (tenia un conector de 4 y por error lo puse girado)... [facepalm] [facepalm] [facepalm]

....al 5 tambien por error le meti la tierra, no 5 voltios....pero es igual, ya tengo un ladrillo, porque entre el 2 y el 4 respecto a la masa tengo 3.2....y no 5....me la he cepillao....

...y es que no tengo conocimientos de elctronica...voy aprendiendo por el camino...pero bueno ya he pedido otra...aunque si esta me valiera para algo, pues la guardaba....lo siguiente que tengo pensado cuando ponga el ambilight es controlarme la calefacción... [flipa] [flipa] [flipa] ....

...una duda...para cuando tenga la nueva....si no pongo el convertidor en vez de meter el ambilight al pin 17, no debiera meterlo en el 2 o el 4 ????
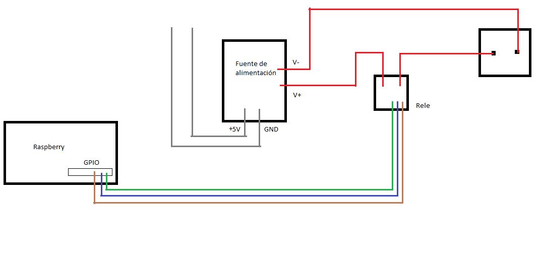
...y por supuesto muchas gracias por todo popy5....me sacas de los estancamientos.....
scesar escribió::
:
...una duda...para cuando tenga la nueva....si no pongo el convertidor en vez de meter el ambilight al pin 17, no debiera meterlo en el 2 o el 4 ????
...y por supuesto muchas gracias por todo popy5....me sacas de los estancamientos.....


Ojo con los pines que debes usar en el GPIO porque no es correcto lo que dices. Al pin 17 no debes conectar nada si no usas el convertidor de niveles. Ese pin 17 es de 3.3V, y no se usa con la tira de leds.

Reconozco que han usado una nomenclatura que lleva a confusiones porque el número físico del pin del GPIO no se corresponde con el asociado al GPIO propiamente dicho. Por ejemplo, los pines 19 y el 23 que necesitas para el ambilight, son respectivamente los GPIO10 y GPIO11. Pero cuando yo te indico -y en el tutorial de la wiki de la página inicial del hilo también- un número de pin, me refiero al número que ocupa físicamente en el conector.

Identifica el 1 del conector (mira las imágenes que adjunto) y marca por ejemplo con un rotulador permanente la punta de los pines que debes usar: el 19 y el 23 para las señales de datos DI y CK, y el 6 (o el 9, 14, 20, 25, 30, 34 o 39) para la masa (GND). Así no te confundirás fácilmente en caso de desenchufarlos. Basta recordar cuál es la masa y no confundirse de pin físico, y los otros dos (DI y CK), aunque los intercambies entre ellos no pasará nada más que deje de funcionarte el ambilight hasta que los vuelvas a intercambiar entre sí.

Si no usas el convertidor de 3.3V a 5V, no necesitas conectar nada más al GPIO, y por lo tanto, usar más que esos tres pines que te comento (19, 23 y 6, por ejemplo). Si usas el convertidor, entonces debes llevar también un cable desde el pin 1 (o el 17) del GPIO (3.3V) a la entrada LV del convertidor, y otro desde los 5V que llevas a la tira de leds (ojo, no desde los 5V de la Pi, sino desde la tira de leds), hasta el pin HV del convertidor.

La conexión del convertidor de niveles, si al final lo instalas, sería algo así:

Imagen

En la imagen siguiente (pincha en ella para verla completa) te indico qué pines debes usar y cuál es el pin 1 (el marcado con la flecha roja en la foto de la Pi y en el conector). En el ejemplo mostrado se emplea un conector de 4 pines en el que el cable de 3.3V (el amarillo) sólo se necesita si añades el convertidor de niveles. En caso contrario, sólo usarás los otros tres cables. Verás que ahí en vez de tomar la masa del pin 6 se toma del pin 25, y que los colores de los cables pueden llevar a confusión, pero son los que usualmente trae el kit original de Ligntberry. Pero por supuesto que en vez de usar un conector único de 3 o 4 pines, puedes usar conectores aislados para cada cable.

Imagen

Ten en cuenta que el único punto en común de la fuente de alimentación de los leds con la fuente de alimentación de la Pi (si usas fuentes independientes) es el cable de masa (GND). No conectes los dos cables de +5V entre sí si usas más de una fuente, y por supuesto, aunque uses una única fuente para todo el montaje, no alimentes los leds (línea de +5V) sacándola del GPIO de la Pi: usa un par de cables de suficiente grosor directos desde la fuente de alimentación hasta los leds, independientes de los que uses para la Pi.

Y recuerda que la Pi no soporta en ninguno de los pines de entradas/salidas más de 3.3V (y con bastantes limitaciones por el tema de la corriente máxima admitida por cada pin).

Como se suele decir, "se mide dos veces y se corta una", así que una vez todo conectado y antes de darle corriente, vuelve a revisar que cada cable va al pin correcto.
ostras...yo no sabia esto...o sea que si no pongo el convertidor, no tengo que meter ningun cable de voltaje a la gpio....a ningun pin, no ya al de 3.3....tampoco a los de 5.....
te iba a mandar una foto de como lo tengo pero aun soy novato y no puedo, por lo que te lo describo............las tiras de led las tengo conectadas con cable gordito directamente a la fuente, por el inicio y por el final, por el 5v rojo al positivo de la fuente y por el negro de tierra al negativo..... y ademas los 4 cables que van a la rasp, tengo el negro tierra, el rojo 5v, el verde es CK y azul SI.
Si te he entendido bien, entonces el cable CK verde al 19, el SI azul al 23, y el negro a la tierra......y el rojo no lo conecto a la pi.....
es correcto?
Exacto. Solo 3 cables conectan la Pi con los leds: el del pin 19, el del 23 y el de masa, que puedes tomar de cualquiera de los disponibles en el GPIO, como el pin 6, por ejemplo. El 19 al pin DI, el 23 al CK, y el negro de masa, al 6 (GND).

La Pi debes alimentarla por el conector miniUSB, y no a través del GPIO, es decir, no debes meterle tensión a la Pi por el GPIO.

Los leds los puedes alimentar por los dos extremos como has hecho, pero desde el extremo de entrada, el cable de 5V que va hacia el conector que lo une a la Pi, no lo conectes a ella. Ese cable debe quedar aislado y sin conectar a nada. Sólo si usas el convertidor conectarías ese cable al pin HV del mismo. La Pi se alimentará siempre desde el miniUSB.

Es importante que si usas dos fuentes separadas (una para la Pi y otra para los leds), conectes entre sí los cables negros de masa.
popy5 escribió:
Es importante que si usas dos fuentes separadas (una para la Pi y otra para los leds), conectes entre sí los cables negros de masa.


....esto no se si te entiendo muy bien....como hago esto? ....si una fuente es un cargador normal enchufado por usb a la pi...y el otro a una fuente de alimentación.....que tengo que hacer unir otro cable de un pin de masa del gpio a la fuente???


...bueno y ya siento darte la pelmada pero es que no me lo puedo creer....he probado con otro cargador (llevo 3, el que me fallo ayer de 1.5 A otro de 1 y este de 1.5A) y en la pi, entre el 2 y 4 con masa me 4.6v y 17 con .a masa 3.3 y ahora la luz se enciende y da este voltaje con el que me fallaba ayer.....pero pasa un rato y vuelvo a comprobar porque no me lo creia mucho ya hora el 1 y el 17 me dan 2.3 y el 2 y 4 me dan 2.8....de verdad, que ya no se que pensar....pero se sigue canlentando una barbaridad.....no entiendo nada....

....tambien cuando lo conecto a la tele, aunque me sale el icono ese en la esquina superior derecha..parece que se arranca aunque al rato se apaga el openelec....

pareciera como que funciona cuando esta frio y cuando se calienta, peta.....
5615 respuestas