Reproducciones de SNES.

cheskimon escribió:Peazo trabajo de investigación.

Chicos una pregunta. El wild guns como a varios de aquí se le crashea antes del logotipo. Hay gente que lo tiene por lo que es posible. Leí que era por la revisión de la rom.

Alguien tiene la amabilidad de pasarme el crc32 de la rom correcta¿

gracias y saludos.


Me autocito. gracias
cheskimon escribió:
cheskimon escribió:Peazo trabajo de investigación.

Chicos una pregunta. El wild guns como a varios de aquí se le crashea antes del logotipo. Hay gente que lo tiene por lo que es posible. Leí que era por la revisión de la rom.

Alguien tiene la amabilidad de pasarme el crc32 de la rom correcta¿

gracias y saludos.


Me autocito. gracias


2d6aeba9
FFantasy6 escribió:
cheskimon escribió:
cheskimon escribió:Peazo trabajo de investigación.

Chicos una pregunta. El wild guns como a varios de aquí se le crashea antes del logotipo. Hay gente que lo tiene por lo que es posible. Leí que era por la revisión de la rom.

Alguien tiene la amabilidad de pasarme el crc32 de la rom correcta¿

gracias y saludos.


Me autocito. gracias


2d6aeba9


Gracias jeje
@Josete2k , te he leido mas atrás que con una bj3m no se puede hacer 2x27801, que usen una 2j3m, el caso es que la 2j3m slot 45 va a mad directo y en la bj3m es slot46 el que va a mad, lo dices por eso? Aunque slot 46 vaya a mad coge 8,16,y32 megas no? Es la 2j3m la que sólo coge 8 megas, por lo de slot45 y porque solo tiene 32 pins [carcajad]
Entonces una BJ0N no se puede comportar pasivamente como una 2J0N¿ pensé que omitiendo los 4 huecos como hacíamos en las lorom bastaba.

Si alguien pudiese contestarme...

Saludos.
lito69 escribió:@Josete2k , te he leido mas atrás que con una bj3m no se puede hacer 2x27801, que usen una 2j3m, el caso es que la 2j3m slot 45 va a mad directo y en la bj3m es slot46 el que va a mad, lo dices por eso? Aunque slot 46 vaya a mad coge 8,16,y32 megas no? Es la 2j3m la que sólo coge 8 megas, por lo de slot45 y porque solo tiene 32 pins [carcajad]



La BJ está enrutada para que los primeros 16mb sean de la maskrom 0 siempre.

Si quieres que coja 8+8 tienes que imitar el enrutada de una 2J.

Lo mismo en las 2A y BA (lorom)
josete2k escribió:La BJ está enrutada para que los primeros 16mb sean de la maskrom 0 siempre.

Si quieres que coja 8+8 tienes que imitar el enrutada de una 2J.

Lo mismo en las 2A y BA (lorom)


hilo_tutorial-2014-reproducciones-de-snes_1633607_s4380

Ahí es donde lo decís, lo que hablais de soul blazer y soul blazer que yo sepa es lorom.

Pero vamos creo que sé lo que comentas y voy a verlo.

Imagen

Imagen


Imagen

Imagen

Le falta el slot 46 que es a21, pero si a21 las memorias de 16 megas no lo usan......
slot45 no va a mad directo, yo creo que debería, en la 2j3m sí que va directo al mad sin pasar por maskrom
cheskimon escribió:Entonces una BJ0N no se puede comportar pasivamente como una 2J0N¿ pensé que omitiendo los 4 huecos como hacíamos en las lorom bastaba.

Si alguien pudiese contestarme...

Saludos.



Mejor aun. Cojer una 2J3M quitarle la Sram. No?
A21 no se usa en las memorias de 16 pero tú tienes una rom de más de 16.

Mira cómo va una eprom, un decodificador y luego tus dudas quedarán resueltas.

Realmente nunca me ha preocupado si slot o mad o pin o pan... Pero sí saber cómo y por qué...

Y mirando el en ruta do de un mad no vas a solucionar nada.
josete2k escribió:A21 no se usa en las memorias de 16 pero tú tienes una rom de más de 16.

Mira cómo va una eprom, un decodificador y luego tus dudas quedarán resueltas.

Realmente nunca me ha preocupado si slot o mad o pin o pan... Pero sí saber cómo y por qué...

Y mirando el en ruta do de un mad no vas a solucionar nada.


Cada vez que te leo me lio más [mad]
O sea, que el enrutado depende de la rom, no del tamaño de la memoria donde se meta?
Prefiero saber como va sí, que hacerlo como un mono y que funcione la verdad.

La pcb es para una rom de mas de 16 sí, pero yo quiero meter una rom de 16 solamente en 2x27c801, yo creo que es a20 a mad, o slot 45 a mad (que es lo mismo) y levantar mad 13 para que no toque con slot46 o a21 (que es lo mismo)

Ok josete2k, creo que por fin lo entiendo.
Con una sóla maskrom sólo tienes que preocuparte de que lea toda la memoria que estás usando (si te pasas no pasa nada) pero cuando hay más de una maskrom hay que marcar el límite de memoria de la mask 1 (que debe ser la mitad de lo que le marcas al mad) para que vaya a buscar el resto a mask 2.
En el tutorial ya lo haces con illusion of time, por eso me dijiste que con una mask no hacía falta cablear de a20 a mad pero con 2 memorias 27c801 sí.

Una cosa, el a20 a mad significa que controla hasta 16 megas de rom sumando todas las memorias? O que cada memoria es de máximo 16 megas? Estoy empezando a darme cuenta que es lo primero porque el tales necesitas pasar del a21 al a22 porque aunque a22 no se use para las 29f033 en su suma si que pasan de 32 megas.

Creo que a mad si le llevas slot 46 siempre va a saltar a la segunda memoria pasados los 16 megas (aunque la segunda sea de 4 o 8 o 16 da igual), si llevas slot 45 saltará a partir de 8 megas.

Edit: Es todo mucho más fácil de lo que pensaba, madre mía lo que me estaba complicando la vida........... [mad] [mad] [mad] [mad]

Unos datos de romlab:

http://romlaboratory.dbwbp.com/romlab/sch_v02.txt
Te ofuscas con mads y slots y eso es lo de menos.
josete2k escribió:Te ofuscas con mads y slots y eso es lo de menos.

Sólo tienen que llegar los pines necesarios a la maskrom y al mad decirle hasta aquí coge.

Ese es mi super resumen.

@cheskimon simplemente si pones un juego que no usa sram no irá a buscar la sram, no hace falta ni que la quites, pero bueno se la puedes quitar, y la pila, pero es desperdiciar una placa.

Imagen

Mis primeras pegatinas

Adjuntos

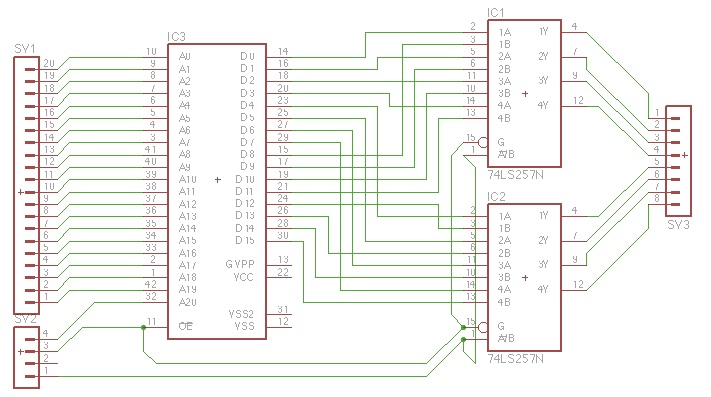
Bueno, sigo atascado con el juego que no funciona,pongo un dibujo con todo el jaleo que en foto no queda demasiado claro,haber si se me escapa algo.....,si esta todo bien entosces tiene que ser el 74LS que está jodido.

Imagen
Has probado a cambiar los OE?
Lo acabo de probar,sigue sin funcionar leches!
julitoali escribió:Bueno, sigo atascado con el juego que no funciona,pongo un dibujo con todo el jaleo que en foto no queda demasiado claro,haber si se me escapa algo.....,si esta todo bien entosces tiene que ser el 74LS que está jodido.

Imagen


Mi poca experiencia poco te ayudará pero... Supongo que habrás nombrado en el papel mal las tsop y en la pcb estará la rom 1 abajo y la rom 2 arriba. Perdón si me equivoco.

Saludos.
Una reflexión, después de leerme todas las páginas hará 2 semanas (que dudo sinceramente alguien lo haya hecho) , se puede ver que la mayoría quieren que le solucionen los problemas pero aportar poco, luego hay algunos pocos que aportan mucho (aunque mareen a veces), yo espero pasar a ser de los segundos proximamente.

@Josete2k , aun no tengo el programador, todo es teoría, pero lo que dije es correcto? La dirección más alta que necesitas para el tamaño de la rom al mad,13 (a21 por ejemplo si la rom es de 16 a 32 megas) y el resto de pins que necesite la memoria comprobar que llegan a la memoria, correcto? Uses una memoria o dos, da igual. Esto es importante para dos memorias más que nada, si pones a21 al mad13 el mad irá a buscar 16 megas a la memoria uno y el resto a memoria 2.

@julitoali , a21 no va al ls y a22 (slot 48) al mad13? Con mad 13 levantado de la pcb claro, suponiendo que la rom sea superior a 32mb digo. La pata 1 y 16 del mad no se levanta al usar un ls? En la bj3m usa 1 y 16 para gestionar las 2 memorias. Por que se usa un ls si sólo son 2 memorias?
julitoali escribió:Lo acabo de probar,sigue sin funcionar leches!



Acabo de ver que tienes el 139 al revés.
Pongo un 139 porque son 48mbit de HiRom (no ExHiRom) y el mad no sabe,sin el 79LS no guarda partida,que yo sepa solo pasa con este juego,hay bastantes cosas que entiendo y otras no ,a partir de ese punto sigo las indicaciones del maestro y aprendo.De los problemas que le sugen a otros también se aprende,por desgracia este juego parece que incumple reglas generales que en otros juegos no pasa,como la del mad-79LS,el proceso de este juego quedará documentado en el hilo como muchos otros con lo que seguirá enriqueciondolo un poco mas,hay juegos que sin ayuda seria casi imposible hacer,Esta noche pondre bien el 79LS....,menudo fallo mas tonto
No solo pasa con este, cualquier juego que se amplíe por encima de 32mb padece de esto.

Dragon Quest III
Earthbound
Quieres esto creo:

Imagen
No entiendo porque el a21 va a mad y a22 al 74ls pero bueno, a lo mejor el que tiene que saber que es una rom de 32 a 64 megas es el 74ls y no el mad.

Hirom es 2 memorias en serie y exhirom 2 memorias en paralelo? O sea hirom es como si fuera una sola memorias de 32 a 64 megas y exhirom 2x32
Esa forma de conectar el 139 no es muy lógica... Dejar una entrada al aire sólo puede ocasionar errores.


@lito69 se te ve empeño pero hasta que no aprendas lo básico es inútil seguir guiándote.
yavimaya escribió:Fácil.
Como en ese caso, según el enrutado del mad solo se puende acceder a 16m de cada "hueco", si quieres poner los 24m (hasta 32) en una tsop hay que hacer que esos 8m extra sean visibles.
Para ello, si la memoria no me falla, lo que tienes que hacer es TSOPAdapter#2 o lo que viene a ser Maskrom#A21 conectarlo a MAD#13 y desconectarlo del hueco de la maskrom. Con esto haces que pueda direccionar a esos 8m extra, pero si no cambias nada mas, cuando vaya a acceder a los >16m cambiara y activara OE de la mask2 (siempre que hayas intalado la tsop en el hueco de abajo o mask1). Para evitar ello, yo lo que hago es cortar las patillas MAD#1 y MAD#16 y conectar MAD#4 al hueco que corresponda con la OE donde hayas instalado la tsop.

No se si me he explicado bien... [+risas]

Y si en vez de cortar las patillas del mad en la tsop de mask 1 quita el pin de oe de tsop a mask1 y lo lleva a mad 4 desde el tsop? Por no cortar nada digo.

@Josete2k , sólo lo he puesto pensando que le serviría para algo, ya sabes que yo ni puta idea.
Me da la sensación que acierto en lo de que en el mad se pone la dirección más alta y a mask y el resto a mask pero no me das el ok, jejeje Sin que mad toque dos direcciones a la vez o alguna direccion de la mask toque masa claro.
Es que el mad da igual, no tiene nada que ver...

Si te doy el ok a lo del mad lo dejarás ahí y eso del mad sólo sirve para Nintendo. Aprende simplemente cómo funciona una eprom y un decodificador... Con eso tus dudas desaparecerán.

Olvida el mad.
Lo que comentas, es factible, aunque el cable será mas largo. También puedes conectar OE a slot#49, no es tan elegante pero es funcional también.

MADremia que lios! XD
josete2k escribió:Es que el mad da igual, no tiene nada que ver...

Si te doy el ok a lo del mad lo dejarás ahí y eso del mad sólo sirve para Nintendo. Aprende simplemente cómo funciona una eprom y un decodificador... Con eso tus dudas desaparecerán.

Olvida el mad.

Tampoco quiero ser el más listo de la clase, quiero crear mis repros solamente [+risas] XD
No tengo intención de hacer repros para otras pues la snes es mi preferida.
El mad (o sustituto) no dará igual cuando es el que gestiona las direcciones y según la dirección que le lleves coge más o menos memoria......

He aprendido bastante, sé que 2 elevado al número de direcciones y saco los megas de la memoria, así aprendí que necesita cada memoria, bueno, eso y que vi en una foto que algunas iban hasta a20 y otras hasta a21 y lo relacioné.

Se puede explicar como cambiar de marcha en un coche sin tener que saber como va una caja de cambios no? Lo que pasa que si no entiendo como va el tema para cada caso me quedaré atascado.

Esto me ha ayudado mucho también:

yavimaya escribió:Fácil.
Como en ese caso, según el enrutado del mad solo se puende acceder a 16m de cada "hueco", si quieres poner los 24m (hasta 32) en una tsop hay que hacer que esos 8m extra sean visibles.
Para ello, si la memoria no me falla, lo que tienes que hacer es TSOPAdapter#2 o lo que viene a ser Maskrom#A21 conectarlo a MAD#13 y desconectarlo del hueco de la maskrom. Con esto haces que pueda direccionar a esos 8m extra, pero si no cambias nada mas, cuando vaya a acceder a los >16m cambiara y activara OE de la mask2 (siempre que hayas intalado la tsop en el hueco de abajo o mask1). Para evitar ello, yo lo que hago es cortar las patillas MAD#1 y MAD#16 y conectar MAD#4 al hueco que corresponda con la OE donde hayas instalado la tsop.

No se si me he explicado bien... [+risas]


Esto es como las pelis de dibujos de disney, la gracia que te hacía de pequeño no es lo mismo que la gracia que te hace ahora, de pequeño entendias unas cosas y con la experiencia ahora entiendes otras.

@yavimaya , ni pa ti ni pa mi, saco las 2 patillas, es que eso de cortar....... jejejje me gusta siempre hacer las cosas con posibilidad de vuelta atrás, sobre todo si no sé lo que hago del todo.

Imagen
No, pero si te enseñan a cambiar de marcha en coches semiautomáticos no sabrás nunca llevar un cambio manual.

Sin embargo sí aprendes con uno manual luego entender como funciona uno automático es más fácil.
Voy a leer un ratito:

https://docs.google.com/file/d/0B6HKwsb ... 1fazQ/edit

Hay información que en el tutorial no funciona, enlaces a romlab, una poquita, nos vemos en una semana, por lo menos [carcajad] [carcajad] [carcajad]
Este es el diseño que he hecho para el 27c322, no se como se etiquetan pero mas o menos se puede hacer la idea de cada pin.

Evidentemte a los Ax de la 27C322 van de A1 a A20 (aunque creo que se me ha colado el A21, pero bueno XD), /CE /OE, el resto (/CE, +5 y GND) no salen pero evidentemente estan contemplados en el circuito...

/OE también va a los 257 y el pin 1 de abajo del todo es A0 (o deveria) que permite hacer el select.

Por último los pinout de la derecha son los Dx

Imagen

Adjuntos

hola chicos. vereis buscando memorias, he visto una en particular

M27C2000-10 y las m27c2001

estas si las puedo programar con el minipro

veo que es es de 2 megas. pero a diferencia de las 27c801 que son 1M x 8 (segun la hoja de datos) son de 256k x 8 y tambien son dip 32

Valdria para repros de 16mb en un solo chip? en caso afirmativo, el bankswap que uso prepara las 27c801. Serviria el mismo? (uso el snesutil)

Gracias y saludos.
Son 2 megabit, o sea 256kb.
josete2k escribió:Son 2 megabit, o sea 256kb.


Por eso no me salían las cuentas de que fuera un dip 32.

El de 16 megabits es el 27c160 no¿

Por que en eproms no hay mucha más alternativa para poner 2 megabytes
cheskimon escribió:
josete2k escribió:Son 2 megabit, o sea 256kb.


Por eso no me salían las cuentas de que fuera un dip 32.

El de 16 megabits es el 27c160 no¿

Por que en eproms no hay mucha más alternativa para poner 2 megabytes


4 de 512 pero casi salen al mismo precio, no vale la pena.
josete2k escribió:
julitoali escribió:Lo acabo de probar,sigue sin funcionar leches!



Acabo de ver que tienes el 139 al revés.


Grande Josete!!,muchas gracias!!,ya lo tengo funcionando!. [chulito]
Echa alguna foto hombre...
Fotito a la placa hombre, así sirve para los demás :)
lito69 escribió:Fotito a la placa hombre, así sirve para los demás :)



La placa me da igual, yo quiero ver la habitación XF
Fotito a la placa,no al esquema.
Si ya quiere sacar la placa y una chati por ahí al lado me parece bien
Hola de nuevo a todos, llevo dias buscando info y mirando por el foro pero no encuentro info (o es q soy un cateto y no se buscar : S ) referente a las memorias apiladas cuando te falta otro zocalo para memorias de 16mb, se supone q pongo una normal y la otra por el reverso pero en la misma posición y listo? Haciendo su respectivo cableado de las dos patillas de los dos? Es q en el mismo tutorial hay muchas fotos q me aparecen como no encontradas y no se si la foto "clave" es alguna de ellas y no doy como hacerla. Otra preguntilla es si los HIrom su recableado en el chip es igual q los LOrom ? No puedo usar un cartucho con RAM (hirom) q tenga RAM con un juego q no lo requiera? Es q tengo muchos juegos de RPGS donantes y traen ram, bateria.... y quiero hacerme un marvel GEMS q es hirom a pelo de 16mb y .lo he intentado así del tiron pero q va, no rula : (
Jejeje,pondre foto de la pcb y otra del juego puesto, por supuesto
TITORICO escribió:Hola de nuevo a todos, llevo dias buscando info y mirando por el foro pero no encuentro info (o es q soy un cateto y no se buscar : S ) referente a las memorias apiladas cuando te falta otro zocalo para memorias de 16mb, se supone q pongo una normal y la otra por el reverso pero en la misma posición y listo? Haciendo su respectivo cableado de las dos patillas de los dos? Es q en el mismo tutorial hay muchas fotos q me aparecen como no encontradas y no se si la foto "clave" es alguna de ellas y no doy como hacerla. Otra preguntilla es si los HIrom su recableado en el chip es igual q los LOrom ? No puedo usar un cartucho con RAM (hirom) q tenga RAM con un juego q no lo requiera? Es q tengo muchos juegos de RPGS donantes y traen ram, bateria.... y quiero hacerme un marvel GEMS q es hirom a pelo de 16mb y .lo he intentado así del tiron pero q va, no rula : (



Pues es raro, yo en la wiki veo todas las fotos.
josete2k escribió:
TITORICO escribió:Hola de nuevo a todos, llevo dias buscando info y mirando por el foro pero no encuentro info (o es q soy un cateto y no se buscar : S ) referente a las memorias apiladas cuando te falta otro zocalo para memorias de 16mb, se supone q pongo una normal y la otra por el reverso pero en la misma posición y listo? Haciendo su respectivo cableado de las dos patillas de los dos? Es q en el mismo tutorial hay muchas fotos q me aparecen como no encontradas y no se si la foto "clave" es alguna de ellas y no doy como hacerla. Otra preguntilla es si los HIrom su recableado en el chip es igual q los LOrom ? No puedo usar un cartucho con RAM (hirom) q tenga RAM con un juego q no lo requiera? Es q tengo muchos juegos de RPGS donantes y traen ram, bateria.... y quiero hacerme un marvel GEMS q es hirom a pelo de 16mb y .lo he intentado así del tiron pero q va, no rula : (



Pues es raro, yo en la wiki veo todas las fotos.


Perdón lo acabo de ver... [tomaaa] [tomaaa] No se q le pasaba a mi navegador....No he dicho nada [snif]
Oye pero una cosilla si q no me queda claro, y si no tiene MAD o 74l ? Las apilo y sueldo las respectivas patillas entre si y listo? Es por saber si me puedo hacer un vampire kiss en un HOLE ONE GOLF q es Lorom de 8mb
Hoy me ha llegado un star ocean, ya tenía pedida a buyicnow los primeros 4 MB de la rom en inglés para cuando me llegue ponerla, pero mientras.... quito la memoria, y la pila, que dicen por ahí que a alguno le ha explotado en la cara, y la pila está muy cerca de lo que tenía que desoldar....

Imagen

Adjuntos

lito69 escribió:Hoy me ha llegado un star ocean, ya tenía pedida a buyicnow los primeros 4 MB de la rom en inglés para cuando me llegue ponerla, pero mientras.... quito la memoria, y la pila, que dicen por ahí que a alguno le ha explotado en la cara, y la pila está muy cerca de lo que tenía que desoldar....

Imagen


Por alusiones...... es a mi al que le ha explotado a la cara una vez por culpa de no saber manejar la pistola de calor. Para estas pcbs, la solucion si quieres usar la pipa de calor tienes que proteger la zona de la pila con papel de aluminio y que no toque la pila, asi si le das calor con la pipa pues la pila se libra (asi me funcionaron despues sin mas explociones [+risas] )
pues van las fotos

Imagen

Imagen

Imagen

Imagen

El star ocean tiene que estar wapo yo también pienso hacermelo
¿Por qué sueldas ese cable desde a21 de la maskrom 0 a la vía? Si tienes un pad muy mono justo arriba.
La verdad es que lo he metido para ver si funciona, he puesto una partida y los personajes tenian voces al atacar, he flipado!
Me cargue la pista sacando el pin de nuevo (lo saque dos veces) y busque con el multimetro otro punto al que soldar y no perder la tsop
En mad13 ya llega a21 en esa placa, no funcionaba cogiendolo de ahi y puenteando los 2 a21 en las tsop? Es que no entiendo ese cable al sj1.
Creo que josete2k se refiere que tienes un pad al ladito de donde has soldado el cable en el tsop, que yo creo que ahi se soldaria mejor aun.

Está chulo ese juego o es el mismo que chrono trigger?
El pin A21 de ambas tsop están levantados al igual que en el tales of phantasia,josete dijo que solo hacia falta levantar la tsop1 que es la de 32 ya que la de 16 no la usaba pero se me fué la olla....
9369 respuestas