Metal Slug port ROM para Megadrive / Genesis

1, 2, 3
@masteries Lamentablemente sí, he visto casos en los que el creador de un KS hace algo parecido pasado un tiempo: se habla con transparencia y se da a los backers de equis país o de equis producto la info y la posibilidad... de lo que sea posible. Podemos enviarte el producto pero con este incremento, o podemos devolverte el dinero si no te interesa; este producto no va a salir para esta consola al final, así que te podemos ofrecer esta otra opción en su lugar. Es un poco mal trago, sí, pero tampoco hay muchas más opciones. En todo caso la gente va a preferir transparencia en estas cosas. También puedes hacer una encuesta en alguna red social en la que os sigan, o en los foros en los que tengáis presencia, a ver qué prefieren, por si acaso.
@masteries

Me parece cagada el sonido por el cartucho, cuando hay juegos con musica externa en calidad CD que se comunica por la consola.

Vamos hasta el megaeverdrive pro saca la musica cd de megacd por la propia consola, ya que hay pines para ello. O el propio papryum con 26 canales custom.

Un saludo
@masteries imagino que muchas cosas deben estar aún en el aire, el tema del sonido os va a dar quebraderos de cabeza, aún así, cualquier juego que llegue hecho con esfuerzo intentando dar lo mejor siempre será bienvenido y me gustaría ayudar ¿Cómo puedo hacerlo?
naxeras escribió:@masteries



hmmm... a ver, algo no se ha entendido...

El sonido sale siempre a través de la consola,
otra cosa es que no es la opción recomendable
para disfrutar en plenitud.

Siempre va a estar ahí el DAC y la toma mini jack del cartucho,
otra cosa es que el jugador decida no usarlo y se quede con el sonido
que sale a través de la consola, que sufre distorsión por culpa de
los pobres amplificadores operacionales de la consola.
Por paleta de colores, y por sonido ADPCM, yo siempre he creído que de versionar Metal Slug a 1 sistema menor la candidata ideal sería la SNES.

Pero bueno tenemos aquí la versión Mega Drive que no pinta nada mal, aunque sea con hardware de apoyo XD

@masteries me gusta y te felicito por ser un programador de ENSAMBLADOR cuando la situación lo necesita. Leí un comentario tuyo (no se si en este hilo) en el que decías que el SGDK está muy limitado para ciertas cosas y que tú las solucionabas en ASM.
Sexy MotherFucker escribió:Por paleta de colores, y por sonido ADPCM, yo siempre he creído que de versionar Metal Slug a 1 sistema menor la candidata ideal sería la SNES.

Pero no por procesador, por cantidad de sprites o por resolución... [fiu]
@hombreimaginario ya, pero es que en un juego de ultradetalle gráfico y sonido con música militar sampleada en su mayoría prevalece más el tema paleta + ADPCM.

De todas formas no quiero desviar este hilo, volvamos a MD.

Las otras elucubraciones se las dejo mejor a Señor Ventura.
Podeis exponer esa limitación de procesador, sprites, y resolución en su hilo oficial, que allí encaja muy bien.

P.D: Es tan relativo que no se ni como hoy podemos seguir atreviéndonos a afirmar estas cosas.
A mí me parece que la elección de Megadrive para mover un Metal Slug es estupenda, mejor que Snes.

Sobre todo por el tema de la resolución. Puedes mostrar el mismo area de juego que en Neo Geo mientras que en Snes ya tendrías que estar reduciendo cosas, sprites, area de juego, etc

Aparte, en Snes para mover el juego en condiciones habría que añadirle chips de apoyo al cartucho, un SA1 por ejemplo. Porque con la CPU a 3.58 Mhz de Snes te puedes morir de asco intentando mover un run & gun como el Metal Slug. Ahí Megadrive está mejor capacitada.

Así que me alegro que @masteries esté desarrollando para Megadrive. Me parece una consola más adecuada para este tipo de juegos.

Saludos.
Sexy MotherFucker escribió:Por paleta de colores, y por sonido ADPCM, yo siempre he creído que de versionar Metal Slug a 1 sistema menor la candidata ideal sería la SNES.

Pero bueno tenemos aquí la versión Mega Drive que no pinta nada mal, aunque sea con hardware de apoyo XD

@masteries me gusta y te felicito por ser un programador de ENSAMBLADOR cuando la situación lo necesita. Leí un comentario tuyo (no se si en este hilo) en el que decías que el SGDK está muy limitado para ciertas cosas y que tú las solucionabas en ASM.


Por la resolución de pantalla, la flexibilidad de sprites, el rendimiento de DMA y la potencia de la CPU, siempre me he quedado mucho más para la MD.
masteries escribió:
naxeras escribió:@masteries



hmmm... a ver, algo no se ha entendido...

El sonido sale siempre a través de la consola,
otra cosa es que no es la opción recomendable
para disfrutar en plenitud.

Siempre va a estar ahí el DAC y la toma mini jack del cartucho,
otra cosa es que el jugador decida no usarlo y se quede con el sonido
que sale a través de la consola, que sufre distorsión por culpa de
los pobres amplificadores operacionales de la consola.


¿Estás diciendo que la megacd o el megaeverdrive pro o el papyrium sacan sonido pobre en megadrive?

No entiendo de dónde sale esa afirmación.

Señor Ventura escribió:Podeis exponer esa limitación de procesador, sprites, y resolución en su hilo oficial, que allí encaja muy bien.

P.D: Es tan relativo que no se ni como hoy podemos seguir atreviéndonos a afirmar estas cosas.


Las críticas a snes en el hilo oficial no son muy bien recibidas.

Un saludo
naxeras escribió:¿Estás diciendo que la megacd o el megaeverdrive pro o el papyrium sacan sonido pobre en megadrive?

No entiendo de dónde sale esa afirmación.

Más bien está diciendo que la forma óptima de sacar el sonido en SU versión es la que comenta, y que la otra va a quedar más pobre. Nada más.

Y tanto Mega CD como Paprium también son "otras cosas", no la Mega Drive pura y de base. No seamos tampoco más papistas que el Papa. [+risas]
hombreimaginario escribió:
naxeras escribió:¿Estás diciendo que la megacd o el megaeverdrive pro o el papyrium sacan sonido pobre en megadrive?

No entiendo de dónde sale esa afirmación.

Más bien está diciendo que la forma óptima de sacar el sonido en SU versión es la que comenta, y que la otra va a quedar más pobre. Nada más.

Y tanto Mega CD como Paprium también son "otras cosas", no la Mega Drive pura y de base. No seamos tampoco más papistas que el Papa. [+risas]


Yo no estoy hablando de que usen o no chips de apoyo, todos sabemos que paprium saca la musica con un chip especial, lo mismo que el Megaeverdrive pro, o incluso el secreto de los 4 vientos, lo que se esta diciendo de los creadores de este juego es que eso no suena bien.

Estoy hablando de que es la primera vez que oigo que no sale sonido de calidad CD por la Megadrive, cuando como he comentado se saca MegaCD de la misma y nunca he leido problemas.

Hay muchas veces que se ha puesto sonido CD en un juego pero por el puerto de cartucho es la primera vez que lo veo.

Mas papista que el papa no, es el primer juego que necesita sacar el audio por el cartucho y hay juegos hombrebrews con BSO en CD, juegos msu, megacd etc que sacan calidad CD y es la primera vez que oigo que eso no suena bien.

Un Saludo.
@naxeras ¡Pero es que sacar audio de CD por una Mega CD no es sacarlo por una Mega Drive! [+risas]

De todas formas, ¿qué más da? Paprium usa A por unos motivos y éste juego usará B por otros. Sea con razón o sin ella, por capacidad de hacerlo o no, entiendo que la Mega Drive, por si sola, no les da lo que quieren dar.

Lo dicho, ya veremos si merece la pena o no, ya se analizará si era justificado o no. O tal vez simplemente el compañero no se ha explicado 100% bien y ya.
Entiendo que el hardware de sonido del cartucho es similar a lo que Kai Magazine pone en sus juegos.
(mensaje borrado)
hombreimaginario escribió:@naxeras ¡Pero es que sacar audio de CD por una Mega CD no es sacarlo por una Mega Drive! [+risas]

De todas formas, ¿qué más da? Paprium usa A por unos motivos y éste juego usará B por otros. Sea con razón o sin ella, por capacidad de hacerlo o no, entiendo que la Mega Drive, por si sola, no les da lo que quieren dar.

Lo dicho, ya veremos si merece la pena o no, ya se analizará si era justificado o no. O tal vez simplemente el compañero no se ha explicado 100% bien y ya.


No, lo saca la Mega a pelo con el everdrive pro, o otros juegos hombrew como los de kai magacine que tampoco precisan de salida de auriculres, hay 2 pines en mega en el slot de cartuchos que puedes añadir CD a la mezcla de sonido y hay juegos con calidad CD en megadrive sin megaCD.

No me estas entendiendo, que no digo que no se usen chips de apoyo, lo que no veo sentido es que sacar el sonido por unos auriculares en el cartucho cuando hay juegos que no lo necesitan y tienen BSO en CD, es que no me jodas estaras de acuerdo conmigo con que no es lo ideal y no entiendo la razón, vamos incluso necesitas un cable especial por ejemplo si quieres escuchar el juego bien o usar auriculares conectados al slot de cartucho que si ya lo haces con cable mueves sin querer el cartucho y se te cuelga o incluso se puede estropear la consola, a ti te da igual pues a mi no claramente no es lo mejor cuando hay juegos con BSO CD que no necesitan usar la toma de auriculares del cartucho.

EPSYLON EAGLE escribió:Entiendo que el hardware de sonido del cartucho es similar a lo que Kai Magazine pone en sus juegos.


No, este al parecer para que se oiga precisa de una salida de auriculares en el cartucho cosa que el de kai magazine no y eso es lo que me parecia raro.
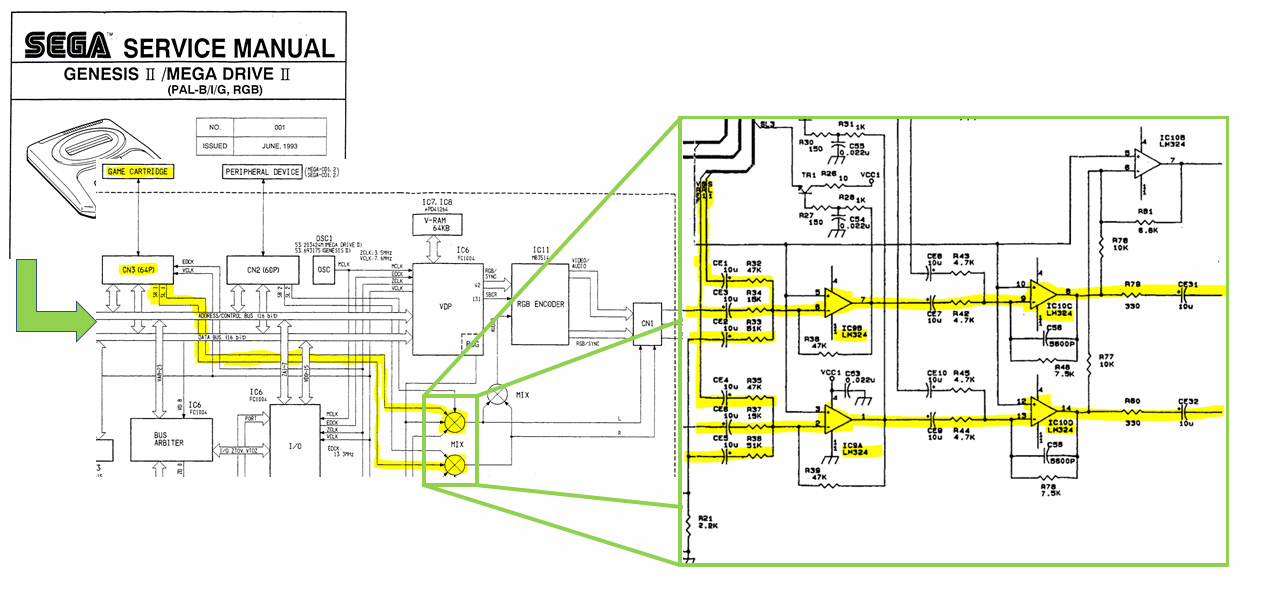
La elección de componentes que hicieron pasa factura,
a nosotros no nos hace falta decir nada; el fabricante ya
se pronunció a este respecto:



El audio desde el puerto de cartucho sale por las líneas SL1 y SR1,
van a un mezclador, y ese mezclador está implementado con
operacionales LM324, no son adecuados para manejar audio...
pero es lo que pusieron, qué se le va a hacer xD



En Megadrive 1 no sé cómo está implementado el mezclador,
pero también son LM324 porque en la lista de componentes
son los que figuran.

Escuchar, se escucha y sonar... suena, pero no igual de bien
que antes de pasar por ellos.

Si Paprium y Four Winds se escuchan bien, imagina como se escucharían
si pudieses tomar el audio sin las distorsiones que introducen los
LM324

Aquí tienes siempre disponible la opción, de escuchar el sonido original,
tal y como es antes de pasar por ningún sitio.

Luego ya, usar esa opción o no; al gusto de cada jugador.

Más generoso que brindarlo todo,
para todos los gustos,
no se puede ser [ok]




EPSYLON EAGLE escribió:Entiendo que el hardware de sonido del cartucho es similar a lo que Kai Magazine pone en sus juegos.


Comparando con lo mostrado por Kai,

El nuestro no es un componente cuya función sea sólo esa,
es más programable, por aquello de poder hacer fading
con el sonido; llevar un mismo sonido hacia la izquierda o hacia la derecha...

También ocupa más espacio físico; pudiendo usar 3 micros distintos,
pues se han diseñado 3 cartuchos diferentes con los componentes
intercambiables entre versiones, en un intento de evitar roturas de stock
de un componente y poder pasar a usar otro, y que así no se vea afectada
la producción de cartuchos por la falta repentina de uno de ellos.

Eso ha implicado 3 implementaciones distintas del
adaptador de audio, cada una orientada al hardware de
cada micro... si quieres anticiparte y evitar posibles
problemas de stock, curro adicional te toca realizar.

Se comparten todos los componentes con la versión NeoGeo,
a excepción de aquellos que son necesarios en esta última
máquina, y no hacen falta para Megadrive / Genesis.
masteries escribió:La elección de componentes que hicieron pasa factura,
a nosotros no nos hace falta decir nada; el fabricante ya
se pronunció a este respecto:

Audio_y_LM324.png


El audio desde el puerto de cartucho sale por las líneas SL1 y SR1,
van a un mezclador, y ese mezclador está implementado con
operacionales LM324, no son adecuados para manejar audio...
pero es lo que pusieron, qué se le va a hacer xD



En Megadrive 1 no sé cómo está implementado el mezclador,
pero también son LM324 porque en la lista de componentes
son los que figuran.

Escuchar, se escucha y sonar... suena, pero no igual de bien
que antes de pasar por ellos.

Si Paprium y Four Winds se escuchan bien, imagina como se escucharían
si pudieses tomar el audio sin las distorsiones que introducen los
LM324

Aquí tienes siempre disponible la opción, de escuchar el sonido original,
tal y como es antes de pasar por ningún sitio.

Luego ya, usar esa opción o no; al gusto de cada jugador.

Más generoso que brindarlo todo,
para todos los gustos,
no se puede ser [ok]




EPSYLON EAGLE escribió:Entiendo que el hardware de sonido del cartucho es similar a lo que Kai Magazine pone en sus juegos.


Comparando con lo mostrado por Kai,

El nuestro no es un componente cuya función sea sólo esa,
es más programable, por aquello de poder hacer fading
con el sonido; llevar un mismo sonido hacia la izquierda o hacia la derecha...

También ocupa más espacio físico; pudiendo usar 3 micros distintos,
pues se han diseñado 3 cartuchos diferentes con los componentes
intercambiables entre versiones, en un intento de evitar roturas de stock
de un componente y poder pasar a usar otro, y que así no se vea afectada
la producción de cartuchos por la falta repentina de uno de ellos.

Eso ha implicado 3 implementaciones distintas del
adaptador de audio, cada una orientada al hardware de
cada micro... si quieres anticiparte y evitar posibles
problemas de stock, curro adicional te toca realizar.

Se comparten todos los componentes con la versión NeoGeo,
a excepción de aquellos que son necesarios en esta última
máquina, y no hacen falta para Megadrive / Genesis.


Una pregunta, yo tengo triple baypass en mi Megadrive 2 ¿con eso hay alguna mejoria de sonido o es exactamente lo mismo?

¿De neo-geo habra version para AES y MVS o sólo para AES?

Aunque entiendo que la versión base es Megadrive y es la que me pillaria yo.

Un Saludo.
Pero como dicen que el LM324 no es adecuados para manejar audio, si su función según ese esquema es filtrar y eliminar ruido y distorsión? en fin XD [hallow]
naxeras escribió:
Una pregunta, yo tengo triple baypass en mi Megadrive 2 ¿con eso hay alguna mejoria de sonido o es exactamente lo mismo?

¿De neo-geo habra version para AES y MVS o sólo para AES?

Aunque entiendo que la versión base es Megadrive y es la que me pillaria yo.

Un Saludo.


¿Tienes el mod con el que hay que hacer unos cortes en las pistas de audio
y llevarlas a la plaquita del bypass, y posiblemente también tienes rutado
a la placa la señal de vídeo?

Tu ya tienes un circuito de sonido de alta calidad, se debería escuchar de lujo,
como si lo conectaras al mini jack del cartucho,

Lo del mini jack del cartucho, se puede entender como si fuera el
bypass, para los jugadores que no lo tienen.

Tienes una Megadrive con sus defectos corregidos, ¡enhorabuena!

Todavía no he visto ninguna de esas en persona, tengo una
Megadrive 1 PAL y una Genesis 2 NTSC, y me gustaría
hacerles el bypass,


Para AES y MVS... menudo dolor cuando me enteré de que
en el cartucho de AES había que añadir una funcionalidad de vídeo
que no está presente en la placa base; tiene solución, pero hace que
el cartucho AES sea más caro, y más tedioso de montar.

En realidad cuando se empezó a dibujar todo, estuvimos un tiempo
desarrollándolo sólo para NeoGeo; fué que me puse cabezón a intentar
meter casi todo eso en un programa de MegaDrive, y se ha conseguido
mantener fiel, a excepción de algunas cosas meramente decorativas.
O´Neill escribió:Pero como dicen que el LM324 no es adecuados para manejar audio, si su función según ese esquema es filtrar y eliminar ruido y distorsión? en fin XD [hallow]


¿A lo mejor es que tiene un bug de fábrica y lo hace mal?

No idea. Para mí el sonido crudo de las Mega Drive Model 1 es fucking gloria bendita.
@Sexy MotherFucker nidea, a mi lo de este metal slug me huele a que le pongo esto al cartucho y nos flipamos y así tenemos a los fans expectantes xD

---

Lo que tiene la AES en los cartuchos es el NEO- ZMC que sirve para direccionar el M1 (mapper para el z80, usado para el sonido), sólo en gráficos en esos que se utilizó en Sideckicks 1 o FF2 como chip de protección.

Ese chip lo llevan las mvs en la placa y en AES lo llevan los cartuchos, el motivo? algo me dice que fue una decisión para no facilitar el funcionamiento entre sistemas.
O´Neill escribió:Lo que tiene la AES en los cartuchos es el NEO- ZMC que sirve para direccionar el M1 (mapper para el z80, usado para el sonido), sólo en gráficos en esos que se utilizó en Sideckicks 1 o FF2 como chip de protección.

Ese chip lo llevan las mvs en la placa y en AES lo llevan los cartuchos, el motivo? algo me dice que fue una decisión para no facilitar el funcionamiento entre sistemas.


Pedazo aporte tío [tadoramo]

Te pido 100g de Mega Drive; ¡y me das 2kg de Ibérico de Neo Geo!

Entonces la AES es impura; tiene mappers en todos los cartuchos xD

MVS es la verdadera Reina 👑
Cada desarrollador que haga con su juego lo que quiera o crea más conveniente, estos experimentos tienen también su gracia, cuando lo veamos en movimiento ya decidiremos si nos gusta, apoyar o no, y esas cosas... Por mi parte expectación con este proyecto.
Sobre el Kickstarter y Estados Unidos.
Siempre puedes poner la recompensa específica para usuarios de Estados Unidos y otra para NO USA, con el coste que sea ya calculado, no se si esto es posible y si algun usuario se equivocara poder cancelarle y contactar con el.
Solo por curiosidad, como llevais el tema de las licencias ? hay algun problema legal de hacer un juego de la franquicia metal slug por otra empresa que no sea SNK ?
Cuando han desarchivado el hilo, lo primero que dice es que van abrir el KS de un juego tipo " Metal Slug" para MD y NeoGeo, entiendo que se empezó cómo un "port" del MS y cuando se vio que tenía viabilidad de ser un juego completo, usar gráficos y sonido original para poder cobrar por él, dudo mucho que se pueda sacar nada sin los derechos de explotación de una franquicia y menos aún de una que se sacan juegos actualmente.
Igual habría que cambiar el nombre del hilo ya que lleva a confusión.
Salud.
@masteries

Dos cuestiones: ¿cómo realizar capturas del gameplay con el audio del minijack?

¿Cómo se compara el audio de tu juego cuando utiliza la salida original de la consola con el de Paprium?
O´Neill escribió:@Sexy MotherFucker nidea, a mi lo de este metal slug me huele a que le pongo esto al cartucho y nos flipamos y así tenemos a los fans expectantes xD

---

Lo que tiene la AES en los cartuchos es el NEO- ZMC que sirve para direccionar el M1 (mapper para el z80, usado para el sonido), sólo en gráficos en esos que se utilizó en Sideckicks 1 o FF2 como chip de protección.

Ese chip lo llevan las mvs en la placa y en AES lo llevan los cartuchos, el motivo? algo me dice que fue una decisión para no facilitar el funcionamiento entre sistemas.


Es más heavy aún,

A la AES le falta la electrónica que hace la función de mirror horizontal en los gráficos, y te pide los datos gráficos de forma serializada en 4 canales serie, en lugar de mandarle los 32 bits de datos gráficos en paralelo

Mientras que todo eso, de hacer el mirror H, y serializar, está presente en la placa base de las MVS

En los cartuchos AES, hay que añadir todo eso.

Claramente para impedir que se usarán cartuchos de recreativa en la versión doméstica de la máquina.




Y si, se creará un hilo diferente a este, porque ya no tiene mucho que ver con la demo técnica de 2022
masteries escribió:
naxeras escribió:
Una pregunta, yo tengo triple baypass en mi Megadrive 2 ¿con eso hay alguna mejoria de sonido o es exactamente lo mismo?

¿De neo-geo habra version para AES y MVS o sólo para AES?

Aunque entiendo que la versión base es Megadrive y es la que me pillaria yo.

Un Saludo.


¿Tienes el mod con el que hay que hacer unos cortes en las pistas de audio
y llevarlas a la plaquita del bypass, y posiblemente también tienes rutado
a la placa la señal de vídeo?

Tu ya tienes un circuito de sonido de alta calidad, se debería escuchar de lujo,
como si lo conectaras al mini jack del cartucho,

Lo del mini jack del cartucho, se puede entender como si fuera el
bypass, para los jugadores que no lo tienen.

Tienes una Megadrive con sus defectos corregidos, ¡enhorabuena!

Todavía no he visto ninguna de esas en persona, tengo una
Megadrive 1 PAL y una Genesis 2 NTSC, y me gustaría
hacerles el bypass,


Para AES y MVS... menudo dolor cuando me enteré de que
en el cartucho de AES había que añadir una funcionalidad de vídeo
que no está presente en la placa base; tiene solución, pero hace que
el cartucho AES sea más caro, y más tedioso de montar.

En realidad cuando se empezó a dibujar todo, estuvimos un tiempo
desarrollándolo sólo para NeoGeo; fué que me puse cabezón a intentar
meter casi todo eso en un programa de MegaDrive, y se ha conseguido
mantener fiel, a excepción de algunas cosas meramente decorativas.


Correcto, pues mira mas tranquilo me quedo, ahora a esperar que saqueis un vídeo o mejor aún una demo y me enamore totalmente...

Porque se que la versión de MVS se me va a ir de precio que si no...

Un Saludo.
130 respuestas
1, 2, 3