[Tutorial] Reparación Game Gear [actualizable]

Misterjano en ese mismo manual, te vas al esquema de la paguina 9 y veras el q4 junto al trafo.
Segun el vendedor puedes pedirle fotos, antes de comprar ya sabes.
buenas,

sabeis donde puedo encontrar tapas para las pilas de la game gear??

gracias y un saludo
ves escribió:Misterjano en ese mismo manual, te vas al esquema de la paguina 9 y veras el q4 junto al trafo.
Segun el vendedor puedes pedirle fotos, antes de comprar ya sabes.

Ya le cambie la pieza y nada... Estoy por comprar el mod led y tirar así.
acabo de mirar en una placa que tengo por aqui y el componente q4 tiene serigrafiado xl 37
saludos, gracias por el tuto y el hilo entero. hacía tiempo que no tenía que arreglar ninguna game gear y me encuentro con una que no se muy bien qué le pasa.
El antiguo propietario le cambió los condensadores, pero antes de hacerlo no limpió la corrosión y las soldaduras están feísimas, como negras marronosas. Además, se dejó algunos condensadores sin cambiar de la placa central y no cambió ninguno de la placa de audio. Para más inri, uno de los condensadores lo puso con la polaridad invertida...
Total, que después de repasar todos los condensadores, limpiar y resoldar, la consola enciende (no tengo ningún juego para probar) pero sólo se iluminan las 3/4 partes de abajo de la pantalla, es normal? he comprobado la faja de la pantalla y aparentemente está bien. No hay franjas finas ni verticales ni horizontales, el regulador de brillo funciona bien, pero la parte superior de la pantalla se queda en negro.
¿Alguna idea?

Adjuntos

marcushg85 escribió:saludos, gracias por el tuto y el hilo entero. hacía tiempo que no tenía que arreglar ninguna game gear y me encuentro con una que no se muy bien qué le pasa.
El antiguo propietario le cambió los condensadores, pero antes de hacerlo no limpió la corrosión y las soldaduras están feísimas, como negras marronosas. Además, se dejó algunos condensadores sin cambiar de la placa central y no cambió ninguno de la placa de audio. Para más inri, uno de los condensadores lo puso con la polaridad invertida...
Total, que después de repasar todos los condensadores, limpiar y resoldar, la consola enciende (no tengo ningún juego para probar) pero sólo se iluminan las 3/4 partes de abajo de la pantalla, es normal? he comprobado la faja de la pantalla y aparentemente está bien. No hay franjas finas ni verticales ni horizontales, el regulador de brillo funciona bien, pero la parte superior de la pantalla se queda en negro.
¿Alguna idea?

Teniendo en cuenta que la Gamegear solo tiene una barra central, no creo que tenga ningún problema del tipo de los led de abajo funcionan y de arriba no. Yo probaría cuandon puedas con un juego. Porque lo peor que puede pasar es que tengas la barra algo fundida e ilumine muy poco. Pero esperaría a probarlo. Si cuando lo hagas se ve muy poco hay las barras en eBay por 8€.
(mensaje borrado)
PD: no había visto la foto, en la foto parece que si tiene mucha luminosidad pero una barra arriba. Miraría di la parte trasera de la barra, elreflector gris que ed una pieza solida plateada este bien puesta. No sea que este descentrada y tape parte de la pantalla. O que tenga algo entre la pantalla y la barra.
Misterjano mirasteis si te daba los vcc correctos?
ves escribió:Misterjano mirasteis si te daba los vcc correctos?

Ni idea. La verdad. Pero algo chungo tiene porque con la pieza esa seguía sin iluminar y daba un zumbido el altavoz así que mirare de pillar el led.
Buenas.

Me regalaron una GameGear hace poco, y me la dieron con pilas a medio gastar, asi que estuve jugando un par de ratos hasta que se apagó.

Entonces la puse con un trafo de MegaDrive y estuve jugando unos minutos hasta que... Se apagó.

Ahora la consola enciende y al segundo siguiente se apaga.

La abrí y le cambié la placa de alimentación por la de otra GG que tengo rota, y funcionó de nuevo, pero a los 5 minutos de jugar volvió a apagarse de la misma manera.

Por suerte, todavía me funciona si la pongo con pilas, pero me molaria tener un transformador con el que poder jugar.

¿Sabéis si lo que me pasa es normal? ¿Podríais recomendarme un transformador adecuado para jugar sin cargarme nada?

Gracias y un saludo.
REvisa condensador C1-C3.

La fuente de la MD funciona perfectamente.
puf siempre que se sube este hilo, me recuerda que tengo algo pendiente... pero siendo tan manazas .... xDD
misterjano escribió:PD: no había visto la foto, en la foto parece que si tiene mucha luminosidad pero una barra arriba. Miraría di la parte trasera de la barra, elreflector gris que ed una pieza solida plateada este bien puesta. No sea que este descentrada y tape parte de la pantalla. O que tenga algo entre la pantalla y la barra.

Probé con un juego y efectivamente la consola va bien menos por la franja negra de arriba. El reflector está bien puesto y no hay nada fuera de lo normal en el montaje de la pantalla. No tengo ni idea de qué puede pasar, puede ser algo del transformador cuadrado que lleva al lado de la pantalla? me di cuenta que la bobina que hay junto a éste (creo que es L2) tocando a un condensador cerámico azul estaba suelta, aunque no rota, pues los dos extremos siguen haciendo contacto. ni idea...
diria que es la faja de la pantalla.
marcushg85 escribió:
misterjano escribió:PD: no había visto la foto, en la foto parece que si tiene mucha luminosidad pero una barra arriba. Miraría di la parte trasera de la barra, elreflector gris que ed una pieza solida plateada este bien puesta. No sea que este descentrada y tape parte de la pantalla. O que tenga algo entre la pantalla y la barra.

Probé con un juego y efectivamente la consola va bien menos por la franja negra de arriba. El reflector está bien puesto y no hay nada fuera de lo normal en el montaje de la pantalla. No tengo ni idea de qué puede pasar, puede ser algo del transformador cuadrado que lleva al lado de la pantalla? me di cuenta que la bobina que hay junto a éste (creo que es L2) tocando a un condensador cerámico azul estaba suelta, aunque no rota, pues los dos extremos siguen haciendo contacto. ni idea...

Tiene que ser el LCD entonces, porque la iluminacion es eso, una barra, sin mas. o ilumina o no. asique imagino que igual tendras que buscar otra pantalla.
Tengo una que en cuanto agarra el cartucho va perfecta, pero le cuesta como 3-4 intentos de meter sacar el cartucho...son las pistas del cartucho o la consola? que recomendais para mejorarlo? si no sacas el cartucho arranca a la primera y va perfecta se supone que tiene cambiados condensadores y creo que cristal de pantalla...
buenas,

me pasa algo parecido, un mismo cartucho funciona rn una game gear y en otra no.

Si presiono el cartucho hacia abajo funciona el juego.
puede ser tema de los conectores del puerto de juegos?

saludos
podria ser, a mi eso me pasaba con unos cartuchos piratas de muchos en 1
Ayudaria limpiar los conectores con algo? Que recomendais los que habéis metido mano ya a la consola?
marcushg85 escribió:Probé con un juego y efectivamente la consola va bien menos por la franja negra de arriba.


el lcd esta partido en la parte derecha arriba, busca en este hilo con la busqueda y lo veras

mira http://www.elotrolado.net/viewtopic.php?p=1738828904

DIE escribió:Ayudaria limpiar los conectores con algo? Que recomendais los que habéis metido mano ya a la consola?


alchool a los contactos del juego y meterlo y sacarlo varias veces, luego dejar secar un poco, el problema suele persistir, limpia contactos también vale,
Por mas que limpio el lector, no me lee algunos juegos. unos si y otros no? alguien lo entiende?

no encuentro nada en internet con respecto a este problema :(
Tiene arreglo mi gg??

Imagen

Le salieron unas franjas negras, ahora le han salido mas por la parte central, cuando llevas un rato jugando las franjas negras van desapareciendo, cuando apretas con el dedo en la pantalla también desaparecen o salen mas. ¿tiene algun arreglo tipo como el de la game boy tocha de pasarle calor por la faja? ¿o no tiene solucion? se le cambiaron los condensadores hace unos 8-9 años
SAKUREN escribió:Tiene arreglo mi gg??

Imagen

Le salieron unas franjas negras, ahora le han salido mas por la parte central, cuando llevas un rato jugando las franjas negras van desapareciendo, cuando apretas con el dedo en la pantalla también desaparecen o salen mas. ¿tiene algun arreglo tipo como el de la game boy tocha de pasarle calor por la faja? ¿o no tiene solucion? se le cambiaron los condensadores hace unos 8-9 años

Se supone que con el mismo método que el de la gameboy lo solucionas.
Yo se la mande a un chico de Madrid que es una maquina, me dejo la Game Gear nuevecita, tenia los condensadores hechos polvo y la placa impregnada de liquido. Si alguien necesita le mando su contacto, el tio tiene estudios en electronica y encima le encantan las game gear!
hola, primero dar las gracias por ese gran tutorial, yo soy electronico me dedico a reparar maquinas de vending, cafe snack refresco ect, y un dia viendo este tutorial me dio por arreglar mi game gear y depues tambien la de unos amigos y despues puse un anuncio que reparaba y cuando me di cuanta ya había raparado 20 o mas jaja, asi que deciros que he aprendido mucho en este foro y que en lo que os pueda ayudar aqui intetare postear lo que pueda. [sonrisa]
¿Sabéis de alguien que haga la reparación de los condensadores? Ayer probé mi game gear con pilas y si bien arrancaba la pantalla se veía en negro y no daba sonido, por lo que presumo sería de eso
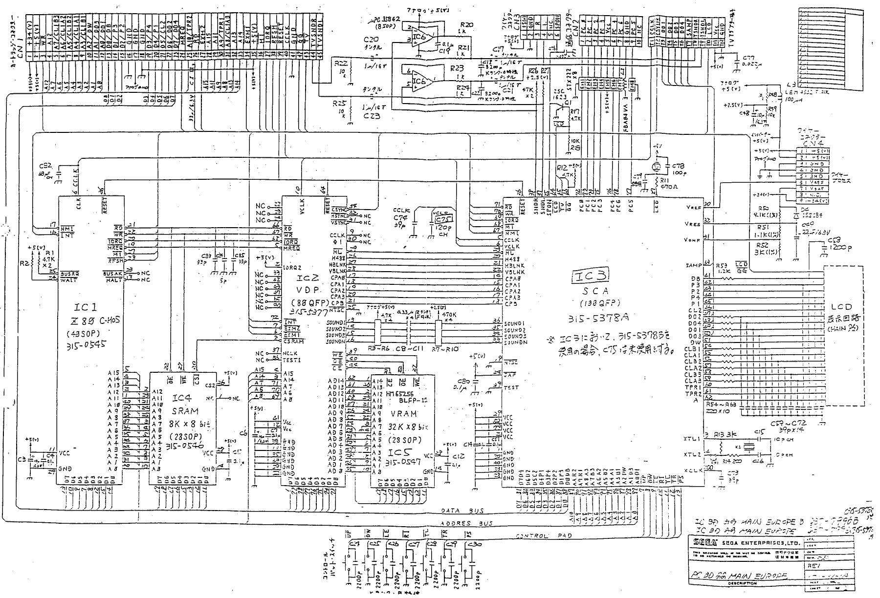
ha llegado hasta mis manos una game gear con intento de cambio de condensadores, pero hay algunas pistas arrancadas, tendríais algún esquema con puntos alternativos? he limpiado la placa pero no consigue ver hacia donde van las pistas.
radeon91 escribió:ha llegado hasta mis manos una game gear con intento de cambio de condensadores, pero hay algunas pistas arrancadas, tendríais algún esquema con puntos alternativos? he limpiado la placa pero no consigue ver hacia donde van las pistas.



dime que pistas tienes cortadas y te digo los puntos alternativos. dime si es de un chip o de 2
te dejo aquí el esquema por si te sirve de ayuda

Adjuntos

buenas alguno le a pasado que la game gear se queda como pulsando el pad derecho la desmontado y quitado la goma y limpiado y sige igual ,alguna solucion ?
jonit escribió:buenas alguno le a pasado que la game gear se queda como pulsando el pad derecho la desmontado y quitado la goma y limpiado y sige igual ,alguna solucion ?


la verdad que nunca me ha pasado normalmente se limpia y quita el problema. limpia también los puntos amarillos de placa a ver si tienes suerte, también mira que nada le haga contacto a los puntos redondos amarillos de la placa, como algún condensador puesto un poco de estaño ect.
voltio1 escribió:
radeon91 escribió:ha llegado hasta mis manos una game gear con intento de cambio de condensadores, pero hay algunas pistas arrancadas, tendríais algún esquema con puntos alternativos? he limpiado la placa pero no consigue ver hacia donde van las pistas.



dime que pistas tienes cortadas y te digo los puntos alternativos. dime si es de un chip o de 2
te dejo aquí el esquema por si te sirve de ayuda



ante todo darte las gracias, la consola tiene problemas con las pistas de los condensadores C45 y C44
radeon91 escribió:
voltio1 escribió:
radeon91 escribió:ha llegado hasta mis manos una game gear con intento de cambio de condensadores, pero hay algunas pistas arrancadas, tendríais algún esquema con puntos alternativos? he limpiado la placa pero no consigue ver hacia donde van las pistas.



dime que pistas tienes cortadas y te digo los puntos alternativos. dime si es de un chip o de 2
te dejo aquí el esquema por si te sirve de ayuda



ante todo darte las gracias, la consola tiene problemas con las pistas de los condensadores C45 y C44

si te refieres a la de 2 chip, el positivo del C44 va ha R45 a la parte la parte inferior de la resistencia y a D2 también, el negativo va a Q9 a la patilla que esta sola del transistor.
C45 el positivo va a Q8 a la patilla que esta sola del transistor, y el negativo va a R45 la parte superior de la resistencia.
te dejo una foto para que lo vea mas claro.( esta es la de dos chip) si la tuya es de un chip dímelo y te pasare otra foto

Adjuntos

@voltio1 mas foreros como tu harian falta. Muchas gracias por compartir tus conocimientos. Bien por ti [beer]
otrofistro escribió:@voltio1 mas foreros como tu harian falta. Muchas gracias por compartir tus conocimientos. Bien por ti [beer]

gracias jaja para eso estamos para ayudar en lo que pueda [beer]
Hola yo tengo el mismo problema pero con el condensador c6 la patilla del positivo no esta si pudieras decirme un punto alternativo te estaria muy agradecido mi placa es la de 2 chips
Oskarnt1 escribió:Hola yo tengo el mismo problema pero con el condensador c6 la patilla del positivo no esta si pudieras decirme un punto alternativo te estaria muy agradecido mi placa es la de 2 chips


hola, pues el positivo va a C7 a la parte superior, pero en tu caso también le pasaría un cable a C51 para hacer puente en su parte derecha, te paso una foto, si tienes un polimetro al condensador C6 al positivo le tiene que llegar 5v aproximado.

Adjuntos

Boy a probarlo si me funciona te invito a almorzar
Oskarnt1 escribió:Boy a probarlo si me funciona te invito a almorzar

jajaj pues a ver si tienes suerte, para cualquier duda pregúntame sin problemas.
Pues me sigue funcionando mal el problema es que se ve pero muy poco y el contraste lo subo y lo bajo y va bien
Oskarnt1 escribió:Pues me sigue funcionando mal el problema es que se ve pero muy poco y el contraste lo subo y lo bajo y va bien

Sube una foto de como se ve la pantalla a ver si te puede decir de que puede ser.
En la foto no se ve el juego pero se ve muy poquito
https://imageshack.com/i/pnmDd30Sj
Oskarnt1 escribió:En la foto no se ve el juego pero se ve muy poquito
https://imageshack.com/i/pnmDd30Sj


esa averia es una de las mas complicada de estas consolas, por que puede ser de muchas cosas [+furioso]
yo ahora mismo estoy liado con una con esa avería, me he topado con 5 game gear con esa averia 3 las conseguí arreglar, otra no fui capaz y la tengo para piezas y esta ultima a ver si hay suerte.
bueno pues te comento como yo no se exactamente como esta tu consola pues vamos a seguir unos pasos que yo hago en esta avería a ver si tienes suerte.
primero ve al condensador de 68 micro y suelda un cable al positivo, a su a la izquierda esta un transistor Q7 una resistencia R36 y un condensador C38 pues con un pegote de estaño vas a unir UNA PATILLA del transistor con la resistencia y el condensador mas el cable que te he dicho que sueldes en la pata del positivo del 68 micro( te paso una foto).
ahora mira a ver si funciona, si no pues lo siguiente es la misma foto que te paso, se ve para que unas el C35 la patilla del negativo con el condensador de su derecha. y vuelve a probar.
si no te funciona puede como te dije puede ser de muchas cosas, mirar las pistas de los condensadores, e incluso las 68 patillias de la pantallas podías intentar repasar las soldaduras( pero es arriesgado por que si desueldas una puede verse peor).
intenta los 2 primeros pasos y dime que tal si no funciona te diré otro puntos alternativos de soldaduras a ver que tal.

Adjuntos

Vale boy a probar
Acabo de hacer lo q me as dicho y sigue igual
Oskarnt1 escribió:Vale boy a probar
Acabo de hacer lo q me as dicho y sigue igual

joe, es que es una avería muy chunga, pues a ver si despues o mañana tengo un rato y te paso algunas fotos de puntos para soldar y me cuentas
Vale perfecto y gracias
Oskarnt1 escribió:Vale voy a probar
Acabo de hacer lo q me as dicho y sigue igual



cuando el de 68 o el de 100 falla si subes el contraste se apaga la consola, los dos de 0,47 yo los revisaría limpiando bien la zona donde se sueldan esos de 0,47, brillante, sin barro, son los 4 críticos para saber si la pantalla va, yo antes de cambiar todos, primero cambio esos 4, si la pantalla se ve , sigo con la reparación, si no se ve, tienes muchas papeletas para que cuando termines siga sin funcionar , habré reparado unas 30 con algún cambio de pantalla de por medio, por aquí en el hilo esta también uno de los cambios de pantalla, suerte con la reparacion
Vale gracias lo probare ya mañana que hoy ya he acabado un poco cansado mañana comentare a ver que tal esto ultimo
voltio1 escribió:
Oskarnt1 escribió:Vale boy a probar
Acabo de hacer lo q me as dicho y sigue igual

joe, es que es una avería muy chunga, pues a ver si despues o mañana tengo un rato y te paso algunas fotos de puntos para soldar y me cuentas

Y tanto, yo la mía la tengo así después de tenerla mucho tiempo funcionando tras haberla reparado y ahí la tengo apartada para cogerla un día con paciencia.
Creo que en mi vida he visto una placa de tan mala calidad como la de la gamegear, parece que se deshagan solas las pistas
He provado a hacer lo q me dijo naikon limpiar bien las patillas de los condensadores de 0.47 y sigue sin imagen ay imagen pero muy poquito cuanto apenas el contraste funciona bien sigo esperado ideas
2528 respuestas