Hola,
Bueno, ya he estado testeando las betas que ha ido liberando robinsod para el downgrade con el infectus (sin necesidad de montar el tinglado del PIC), fabricandome un add-on casero, con los esquemas que adjunto, por si alguien no tiene paciencia para esperar al addon que va a vender el team infectus

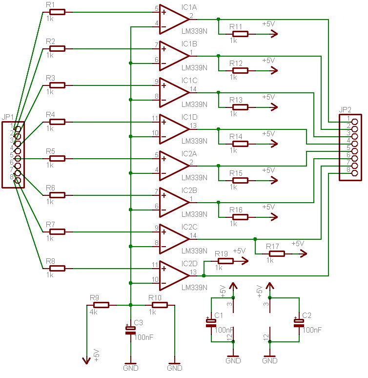
Es muy sencillo de fabricar, solo requiere 17 resistencias de 1k, una de 5k6 (aunque en el esquema ponga 4k), dos LM339 y 3 condensadores ceramicos de 100nF.
Debo decir que funciona PERFECTAMENTE, en 58 minutos ya tenía el downgrade hecho. (ya lo había hecho anteriormente con el downgrader basado en PIC, pero he querido probar este tambien).
Es sencillo de instalar, ya sabeis, solo requiere de tener el infectus instalado como siempre y añadir las 8 soldaduras de las lineas POST al addon y el addon soldado al infectus (patillas 10 a la 17 del infectus corresponden de la 1 a la 8 del addon, que a su vez llevan a las 1-8 del BUS POST) y un cable más, el de JTAG reset, para que el codigo del downgrader (idgtool.exe) pueda resetear y chequear el timming del siguiente byte. Solo queda aplicar voltaje (5 voltios, se sacan del mismo infectus o de un usb) y masa.
Es todo un éxito y para los que vayan a adquirir el addon oficial, no les resultará nada complicado pasar cualquier consola con cualquier kernel (de los conocidos hasta ahora) al base 1888 y luego actualizar a 4548 para acceder al exploit.
Estaba pensando en crear en breve un tutorial paso a paso si hay interesados, ya me direis, pq creo (no he mirado todo el foro) que no hay ninguno en español de esto, q esta aun calentito
EDITO: tras la actualización de otoño, kernel v. 6683 (del 4 de diciembre), podemos asegurar que sigue siendo 100% vulnerable al timing attack.
EDITO 2: YA TENEIS EL TUTORIAL LISTO: AQUI