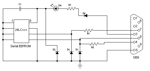
Diagrama para lector de EEPROM MODIFICADO Y 100% FUNCIONAL

Les pongo este diagrama, es una modificacion , ya que no funciona el que esta en esa pagina, este lo he probado en 25 computadoras y en todas lee y escribe al 100, ademas es mas economico [666] y mas practico, saludos, anexo diagrama y componentes.
[rtfm] [rtfm] [rtfm] [rtfm] [rtfm] [rtfm]
Componentes
C2 - 0.1Uf 50V
D1, D2 y D3 - Zener 4.7V (pueden ser de 3.2 v a 5.1 v ya que ese es el voltaje de espera [fies] )
D4 - LED
D6- Diodo 1N4148
R1 y R2 - Resistencias de 10K ohm
R3 - Resistencia 4K7 ohm
Varios: Base para IC 8-pin DIP, conector DB9, etc.
0 respuestas